电脑桌面
添加小米粒文库到电脑桌面
安装后可以在桌面快捷访问

第一卷1册安全生产责任制VIP免费

第一卷1册安全生产责任制_第1页
1/75
第一卷1册安全生产责任制_第2页
2/75
第一卷1册安全生产责任制_第3页
3/75
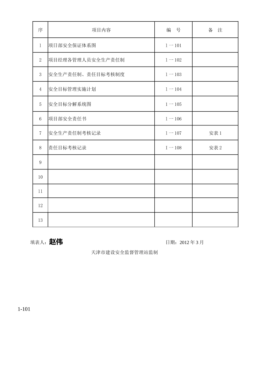
中冶天工天津俊安发展大厦工程项目部安全管理(安全生产责任制)第一卷第一册(津建安1卷1册)天津市建设工程施工现场安全保证资料安全管理(安全生产责任制)目录施工企业:中冶天工天津俊安发展大厦工程项目部工程名称:天津俊安发展大厦No:序项目内容编号备注l项日部安全保证体系图l一1012项目经理各管理人员安全生产责任制l一1023安全生产责任制、责任目标考核制度l一1034安全目标管理实施计划l一1045安全目标分解系统图1一1056项目部安全责任书l一1067安全生产责任制考核记录l一107安表18责任目标考核记录I一108安表2910ll1213填表人:赵伟日期:2012年3月天津市建设安全监督管理站监制1-101中冶天工天津俊安发展大厦工程项目部项日部安全保证体系图第一卷1册(第一项)l一101安全保证体系组织机构安全制度方案编制项目总工尹友飞项目副经理高成果项目安全经理郭小森项目经理董立宏专职安全员赵伟、兰国平、任俭土建队安全员钢筋加工队安全员机电管安装队安全员进场三级安全教育班前活动安全技术交底安全检查工伤事故记录安全隐患整改记录安全检查记录施工组织设计及临时用电方案专项施工方案及安全技术措施应急预案及安全文明施工审批合格1-102中冶天工天津俊安发展大厦工程项目部安全管理(项目管理人员安全生产责任制)第一卷1册(第二项)l一102安全生产责任制为认真贯彻执行“安全第一,预防为主,以人为本”的方针和“管生产必须管安全”的原则,明确各级人员、各职能部门在安全生产中的责任,保障生产者在施工作业中的安全和健康,根据《中华人民共和国安全生产法》、《建设工程安全生产管理条例》等法律法规的有关规定,结合本项目部实际情况,制定本责任制。项目部各职能部门及其安全职责第一条项目部经理安全职责1、认真贯彻执行上级有关安全生产和文明安全施工的方针、政策、法规、规定,对本项目工程生产经营过程中的安全生产负全面领导责任2、建立项目部安全生产管理制度,结合项目工程特点及施工全过程的情况,制定本项目各项安全生产管理制度,或提出要求,并监督其实施;3、支持本项目部安全职能部门(人员)的工作,定期听取本项目部有关安全生产的工作汇报。及时研究解决本项目部安全生产中存在的问题,确保本项目部安全生产工作的正常进行;4、严格遵守工程分包和劳务分包方面的各项管理规定,健全和完善用工管理管理手续,录用外包队必须及时向有关部门申报,严格用工制度与管理,适时组织上岗安全教育,要对外包工队的健康与安全负责,加强劳动保护工作;督促本项目部有关职能部门做好对分包单位和劳务队伍的资质把关和安全管理;5、组织落实施工组织设计中安全技术措施,组织并监督项目工程施工中安全技术交底和设备、设施验收制度的实施;5、主动接受公司及上级有关单位的安全生产工作检查和工作指导,督促本项目部认真落实整改存在的安全隐患及问题;6、领导、组织施工现场定期的安全生产检查,发现施工生产中不安全问题,组织/制定措施,及时解决。对上级提出的安全生产与管理方面的问题,要定时、定人、定措施予以解决;7、制定本项目安全管理目标,认真负责落实;6、发生工伤事故,按有关规定及时上报公司领导和主管部门,积极采取措施,抢救伤员,保护现场;同时,积极参与和配合事故的调查、分析、处理工作,并对有关的事故责任者提出初步处理意见。第二条项目部副经理安全职责1、协助项目经理做好本项目部的安全生产工作,对本项目部安全生产负直接责任;2、结合公司有关规定和本项目部实际情况,建立、健全本项目部的安全生产责任制以及有关的安全生产管理制度,编制年度安全生产工作计划;并认真组织贯彻落实;3、参与审核施工组织设计、特殊复杂项目或专业性工程项目施工方案,严格审查其中的安全管理等措施是否具备、可行;4、进行定期、专项安全检查(如防汛、防暑、冬施等),及时督促解决检查中发现的安全生产隐患,确保安全生产;5、定期听取本项目部安全部门(人员)的工作汇报,及时审批或签发本项目部有关文件、奖惩决定等;6、参与安全生产事故的调查、处理等具体工作,并从管理上分析事故原因,提出防范措施的具体意见。同时对事故责...

1、当您付费下载文档后,您只拥有了使用权限,并不意味着购买了版权,文档只能用于自身使用,不得用于其他商业用途(如 [转卖]进行直接盈利或[编辑后售卖]进行间接盈利)。
2、本站所有内容均由合作方或网友上传,本站不对文档的完整性、权威性及其观点立场正确性做任何保证或承诺!文档内容仅供研究参考,付费前请自行鉴别。
3、如文档内容存在违规,或者侵犯商业秘密、侵犯著作权等,请点击“违规举报”。

碎片内容

第一卷1册安全生产责任制

您可能关注的文档

确认删除?
VIP
微信客服
  • 扫码咨询
会员Q群
  • 会员专属群点击这里加入QQ群
客服邮箱
回到顶部