电脑桌面
添加小米粒文库到电脑桌面
安装后可以在桌面快捷访问

光缆线路建设技术规范VIP免费

光缆线路建设技术规范_第1页
1/37
光缆线路建设技术规范_第2页
2/37
光缆线路建设技术规范_第3页
3/37
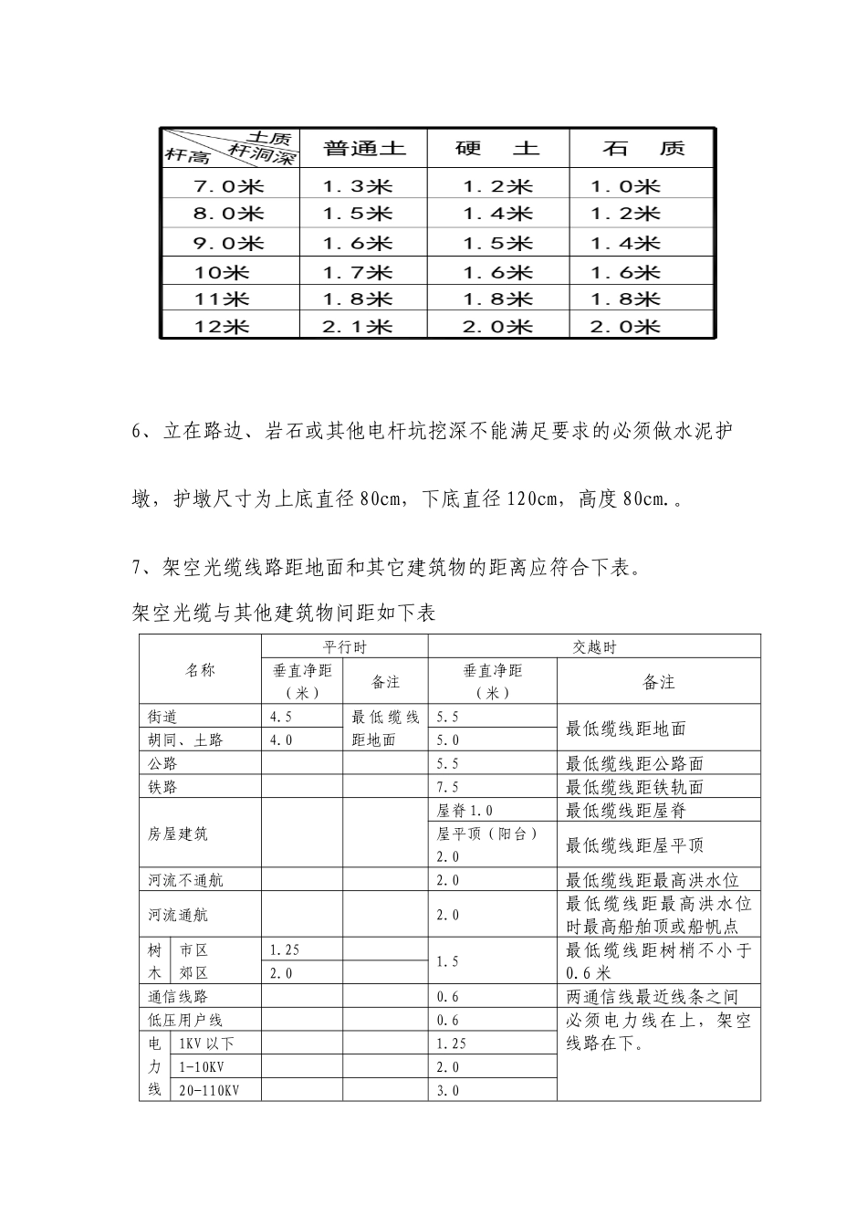
光缆线路建设规范一、架空光缆线路第一节杆路1.选择路由根据实际地形决定,尽量避开大型建筑物、闹市与开发区,要了解当地村镇开发规划。在测量前和测量后,一定要征求当地村镇干部同意;2.直线杆路要避开电力杆路,与电力杆路平行不得少于一个倒杆位。杆路离开公路的两侧排水沟,国道20米、省道15米、县道10米、乡道5米;3.杆路不准有急转变,要避免角杆直接穿越公路、铁路。遇到角深大于规定值时,可将一个角杆平分成两个相等转角。测量定要用标杆对标,角杆有角深记录,角杆要向内移10至20cm;4.配杆要根据地形高低和穿越建筑物,电力线电压大小配置杆子长度。标准杆为7米,配置杆7米到11米,标准杆档距为50米;5.电杆埋深深度:6、立在路边、岩石或其他电杆坑挖深不能满足要求的必须做水泥护墩,护墩尺寸为上底直径80cm,下底直径120cm,高度80cm.。7、架空光缆线路距地面和其它建筑物的距离应符合下表。架空光缆与其他建筑物间距如下表名称平行时交越时垂直净距(米)备注垂直净距(米)备注街道4.5最低缆线距地面5.5最低缆线距地面胡同、土路4.05.0公路5.5最低缆线距公路面铁路7.5最低缆线距铁轨面房屋建筑屋脊1.0最低缆线距屋脊屋平顶(阳台)2.0最低缆线距屋平顶河流不通航2.0最低缆线距最高洪水位河流通航2.0最低缆线距最高洪水位时最高船舶顶或船帆点树木市区郊区1.251.5最低缆线距树梢不小于0.6米2.0通信线路0.6两通信线最近线条之间低压用户线0.6必须电力线在上,架空线路在下。电力线1KV以下1.251-10KV2.020-110KV3.0154-220KV4.0注:与10KV以下(含10KV)电力线同杆架设光缆时,电力线与光缆的最小垂直净距应不小于2.5米(电力线在上,光缆在下)。第二节吊线1、吊线程式必须符合设计规定的规格,一般为7/2.2、7/2.6和7/3.0(适中负、重负和超重负荷区)。当杆距较大时应按设计要求采用正副吊线跨越装置等措施。2、吊线安装加固应用穿订(木杆)或吊线抱箍(水泥杆)和三眼单槽夹打或用吊线担、压板安装;吊线的终结、假终结、泄力结、仰府角装置以独角杆吊线保护装置等,应按本地网架空线路的相关规范处理。3、吊线抱箍距杆稍40至60cm处,背档杆吊线抱箍可以适当降低,吊档杆抱箍可升高,距杆稍不得少于25cm。第一层吊线与第二层吊线间距15cm;4、第一吊线应在杆路前进方向同一侧,吊线位置不能任意改变方向;5、吊线的背档杆和吊档杆5米以上的应做辅助装置。100米以上的长杆档吊线要做辅助拉线,跨越杆应做三方拉线,终端杆做7/2.6的顶头拉线,超200米以上飞线,跨越杆和终端杆的顶径在19cm以上。飞线跨越不能超过400米,如越过在中间需立过渡中间杆;6、8米以上角深内角应做辅助线,角杆辅助线采用7*2.2钢铰线,从吊线抱箍穿钉至封口60cm,用二只U型钢卡(10cm)间距10cm,5至7圈封头,5至8米角深内角吊线可有4.0铁线绑扎辅助;超8米以上角深、府角、仰角辅助线应与杆上主吊线相同钢绞线做做辅助线,吊线接续应采用3.0铁线另缠方法。第三节拉线1、拉线方位角深一定要用皮尺测定,丈量角深以50米标准杆距为测定依据。2、拉线抱箍在电杆的位置,终端拉,顶头拉,角杆拉,顺线拉线一律装设在吊线抱箍的上方,侧面拉线装设在吊线抱箍的下方,拉线抱箍与吊线抱箍间距10cm±2cm.第一道拉线与第二道拉线抱箍间距为30cm。3、7×2.2钢绞线主吊线,角深在7.5米以下,拉线应采用7/2.6钢绞线;角深在7.5米以上,拉线应采用7/3.0钢绞线,顶头拉线都用7/2.6钢绞线。4、15米以上角深的角杆,应做人字拉线.拉线距离比1:1,但不得少于0.75,防风拉为8根杆一处,四方拉一般32杆左右设一处(最长不得大于48根杆距);四方拉必须做辅助线装置。第四节钢柄地锚1.钢柄原则上采用1800mm×12mm,2100mm×16mm,70×20mm;地描石采用水泥制600mm×400mm方块和800mm×400mm方块;2.凡角杆顺线拉线应用2100mm×16mm钢柄地锚,防风拉线侧面拉线应用1800mm×12mm钢柄的地锚,特殊杆应用2400mm×20mm钢柄地锚,钢柄地锚出土为20至50厘米,角杆拉线方位允许偏差5厘米,其它钢柄地锚出土方位允许偏差10厘米.八字拉钢柄地锚出土方位应向内移60—70厘米3.埋设钢柄地锚斜口要深,要斜,上部拉线与钢柄成直线回土要夯实,吊板拉线钢柄...

1、当您付费下载文档后,您只拥有了使用权限,并不意味着购买了版权,文档只能用于自身使用,不得用于其他商业用途(如 [转卖]进行直接盈利或[编辑后售卖]进行间接盈利)。
2、本站所有内容均由合作方或网友上传,本站不对文档的完整性、权威性及其观点立场正确性做任何保证或承诺!文档内容仅供研究参考,付费前请自行鉴别。
3、如文档内容存在违规,或者侵犯商业秘密、侵犯著作权等,请点击“违规举报”。

碎片内容

光缆线路建设技术规范

确认删除?
VIP
微信客服
  • 扫码咨询
会员Q群
  • 会员专属群点击这里加入QQ群
客服邮箱
回到顶部