电脑桌面
添加小米粒文库到电脑桌面
安装后可以在桌面快捷访问

工程开工安全技术措施检查表及考核表VIP免费

工程开工安全技术措施检查表及考核表_第1页
1/37
工程开工安全技术措施检查表及考核表_第2页
2/37
工程开工安全技术措施检查表及考核表_第3页
3/37
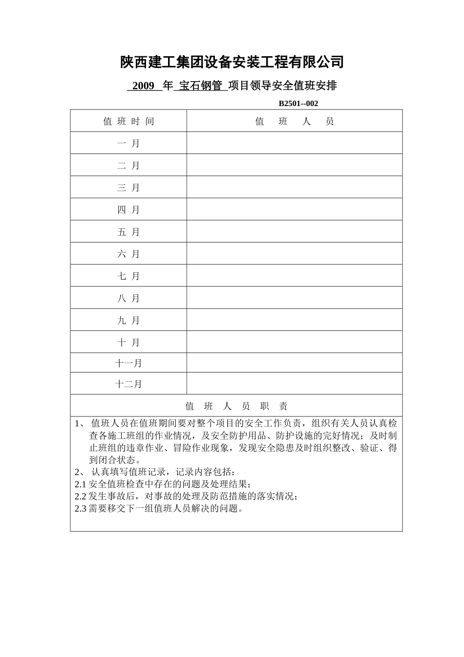
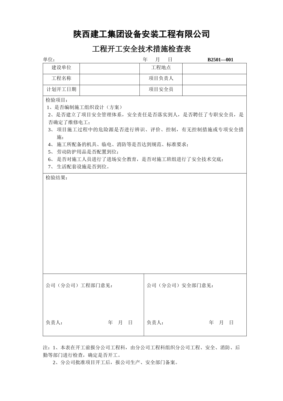
陕西建工集团设备安装工程有限公司工程开工安全技术措施检查表单位:年月日B2501—001建设单位工程地点工程名称项目负责人计划开工日期项目安全员检验项目:1、是否编制施工组织设计(方案)2、是否建立了项目安全管理体系,安全责任是否落实到人,是否聘任了专职安全员,是否确定了维修电工;3、项目施工过程中的危险源是否进行辨识、评价、控制,有无控制措施或专项安全措施;4、施工所配备的机具、临电、消防等是否达到规范、标准要求;5、劳动防护用品是否配置到位;6、是否对施工人员进行了进场安全教育,是否对施工班组进行了安全技术交底;7、生活配套设施是否到位。检验结果:公司(分公司)工程部门意见:负责人:年月日公司(分公司)安全部门意见:负责人:年月日注:1、本表在开工前报分公司工程科,由分公司工程科组织分公司工程、安全、消防、后勤等部门进行检查,确定是否开工。2、分公司批准项目开工后,报公司生产、安全部门备案。陕西建工集团设备安装工程有限公司2009年宝石钢管项目领导安全值班安排B2501--002值班时间值班人员一月二月三月四月五月六月七月八月九月十月十一月十二月值班人员职责1、值班人员在值班期间要对整个项目的安全工作负责,组织有关人员认真检查各施工班组的作业情况,及安全防护用品、防护设施的完好情况;及时制止班组的违章作业、冒险作业现象,发现安全隐患及时组织整改、验证、得到闭合状态。2、认真填写值班记录,记录内容包括:2.1安全值班检查中存在的问题及处理结果;2.2发生事故后,对事故的处理及防范措施的落实情况;2.3需要移交下一组值班人员解决的问题。公司项目部施工安全管理责任目标分解考核表(一)B2501--003项目部名称:被考核人:序号责任人考核内容扣分标准应得分数扣除分数实得分数1项目经理组织建立安全保证体系并有效运作未建立保证体系扣15分有体系但运作不正常扣5分152组织制定安全生产责任制安全生产责任制不健全扣5分责任制未落实扣5分103组织制定安全管理目标和安全责任目标考核办法,定期对管理人员和班组进行考核,每月召开一次项目安全管理会议。无管理目标和责任目标考核办法扣10分未定期考核扣5分未定期召开项目安全管理会议的扣5分204定期组织安全检查(每月一次),抓好事故隐患整改工作未定期组织安全检查扣10分对事故隐患整改工作不重视扣10分205负责职工的安全教育工作对新工人、临时合同工未进行二级教育扣5分未对职工进行进场安全教育扣5分106组织并参加安全值班,做好值班记录。无值班安排扣10分无值班记录扣5分107实施必要的安全投入,营造良好的施工环境。现场安全设施严重不足扣15分现场施工环境和安全生产状况差扣10分15合计100考核负责人:年月日公司项目部施工安全管理责任目标分解考核表(二)B2501--004项目部名称被考核人:序号责任人考核内容扣分标准应得分数扣除分数实得分数1项目副经理技术负责人组织编制施工组织设计(或施工方案、作业指导书)和安全预防技术措施无施工组织设施或方案扣10分无安全预防技术措施扣5分152负责组织编制现场施工用电组织设计无施工用电组织设计扣10分组织设计审核、批准签字手续不齐全的扣5分153参加项目部安全检查,负责指导解决事故隐患整改的技术问题未参加项目部安全检查扣10分解决现场事故隐患不及时不认真扣10分204负责组织项目部二级安全教育及授课工作未对新工人及临时合同工进行二级安全教育培训、新进场安全教育的扣5分安全培训、教育无记录扣5分105参加项目部安全值班,做好值班记录未参加安全值班扣10分无值班记录扣5分106不违章指挥,制止班组违章作业违章指挥扣10分对现场发生违章作业现象不制止扣5分107组织对施工现场临电、机械设备、架子搭设、安全防护设施等进行检查验收未进行认真检查验收的扣20分检查验收资料不齐全扣5分经检查验收后,隐患较多且未认真整改的扣10分20合计100考核负责人:年月日公司项目部施工安全管理责任目标分解考核表(三)B2501--005项目部名称:被考核人:序号责任人考核内容扣分标准应得分数扣除分数实得分数1工长编制落实安全技术措施,做好安全技术交底无安全技术措施扣20分未进行安全技术交底扣...

1、当您付费下载文档后,您只拥有了使用权限,并不意味着购买了版权,文档只能用于自身使用,不得用于其他商业用途(如 [转卖]进行直接盈利或[编辑后售卖]进行间接盈利)。
2、本站所有内容均由合作方或网友上传,本站不对文档的完整性、权威性及其观点立场正确性做任何保证或承诺!文档内容仅供研究参考,付费前请自行鉴别。
3、如文档内容存在违规,或者侵犯商业秘密、侵犯著作权等,请点击“违规举报”。

碎片内容

工程开工安全技术措施检查表及考核表

确认删除?
VIP
微信客服
  • 扫码咨询
会员Q群
  • 会员专属群点击这里加入QQ群
客服邮箱
回到顶部