电脑桌面
添加小米粒文库到电脑桌面
安装后可以在桌面快捷访问

制鞋企业生产管理部车间主任岗位说明书.VIP免费

制鞋企业生产管理部车间主任岗位说明书._第1页
1/3
制鞋企业生产管理部车间主任岗位说明书._第2页
2/3
制鞋企业生产管理部车间主任岗位说明书._第3页
3/3
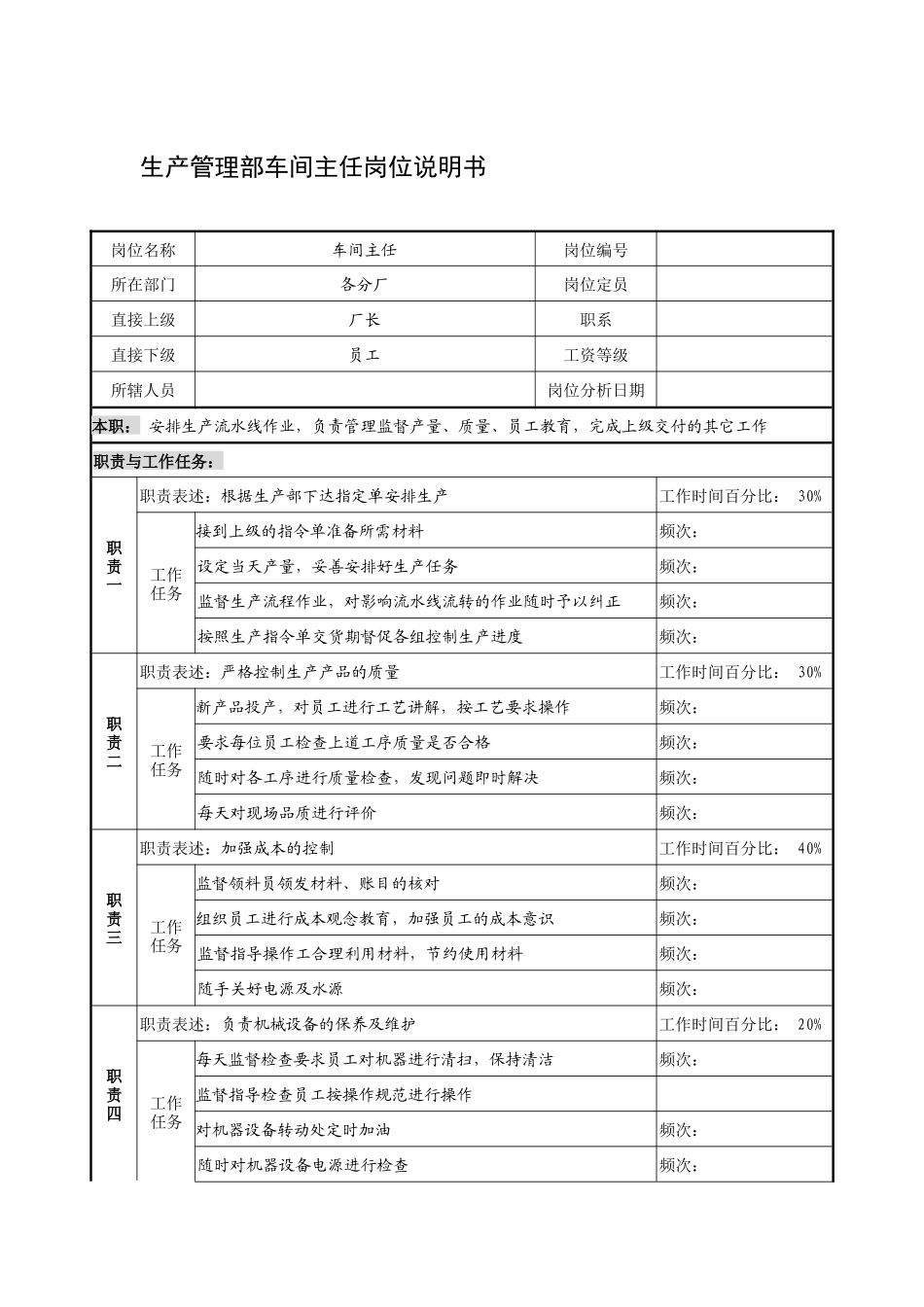
生产管理部车间主任岗位说明书岗位名称车间主任岗位编号所在部门各分厂岗位定员直接上级厂长职系直接下级员工工资等级所辖人员岗位分析日期本职:安排生产流水线作业,负责管理监督产量、质量、员工教育,完成上级交付的其它工作职责与工作任务:职责一职责表述:根据生产部下达指定单安排生产工作时间百分比:30%工作任务接到上级的指令单准备所需材料频次:设定当天产量,妥善安排好生产任务频次:监督生产流程作业,对影响流水线流转的作业随时予以纠正频次:按照生产指令单交货期督促各组控制生产进度频次:职责二职责表述:严格控制生产产品的质量工作时间百分比:30%工作任务新产品投产,对员工进行工艺讲解,按工艺要求操作频次:要求每位员工检查上道工序质量是否合格频次:随时对各工序进行质量检查,发现问题即时解决频次:每天对现场品质进行评价频次:职责三职责表述:加强成本的控制工作时间百分比:40%工作任务监督领料员领发材料、账目的核对频次:组织员工进行成本观念教育,加强员工的成本意识频次:监督指导操作工合理利用材料,节约使用材料频次:随手关好电源及水源频次:职责四职责表述:负责机械设备的保养及维护工作时间百分比:20%工作任务每天监督检查要求员工对机器进行清扫,保持清洁频次:监督指导检查员工按操作规范进行操作对机器设备转动处定时加油频次:随时对机器设备电源进行检查频次:职责五职责表述:其他日常管理工作工作时间百分比:5%工作任务每天对员工出勤进行考核频次:卫生、纪律工作的监督及安排频次:按照“5S”要求,组织车间人员随时进行整理频次:按照IS074001环境体系要求,做好垃圾分类频次:负责员工的入岗引导、厂规、厂纪、工艺技能、生产安全等培训职责六完成上级交付的其它任务工作时间百分比:5%权力:对下属车间员工有考勤权对员工上报的各种情况有调查处理权对下属车间员工的工作有指挥调度权、监督检查权对下属车间员工在工作中的争议有裁定权对下属车间员工有考核评价权有下属车间员工岗位调配的建议权、任命的提名权和奖惩建议权有权向相关部门索取必要的资料和信息的权力对下属车间员工的各项违规操作行为有制止权和命令整改权对下属车间员工在权限范围内的请假有审批权工作协作关系:内部协调关系本生产车间的上下工序、生产管理部各科室外部协调关系质量管理部品检员任职资格:教育水平初中以上专业制鞋相关专业培训经历质量、安全、工艺、技能、文化素质等培训经验五年以上相关工作经验知识质量管理知识、安全生产知识、生产工艺流程知识技能技巧熟练的本车间各工序操作技能、良好的沟通协调能力、较好的管理能力其它:使用工具设备相关车间使用的生产工具和设备工作环境生产厂房工作时间特征正常工作时间、经常需要加班所需记录文档生产指定单、日常报表、工作计划、工作总结备注:

1、当您付费下载文档后,您只拥有了使用权限,并不意味着购买了版权,文档只能用于自身使用,不得用于其他商业用途(如 [转卖]进行直接盈利或[编辑后售卖]进行间接盈利)。
2、本站所有内容均由合作方或网友上传,本站不对文档的完整性、权威性及其观点立场正确性做任何保证或承诺!文档内容仅供研究参考,付费前请自行鉴别。
3、如文档内容存在违规,或者侵犯商业秘密、侵犯著作权等,请点击“违规举报”。

碎片内容

制鞋企业生产管理部车间主任岗位说明书.

确认删除?
VIP
微信客服
  • 扫码咨询
会员Q群
  • 会员专属群点击这里加入QQ群
客服邮箱
回到顶部