电脑桌面
添加小米粒文库到电脑桌面
安装后可以在桌面快捷访问

某工厂月份生产经营计划VIP免费

某工厂月份生产经营计划_第1页
1/7
某工厂月份生产经营计划_第2页
2/7
某工厂月份生产经营计划_第3页
3/7
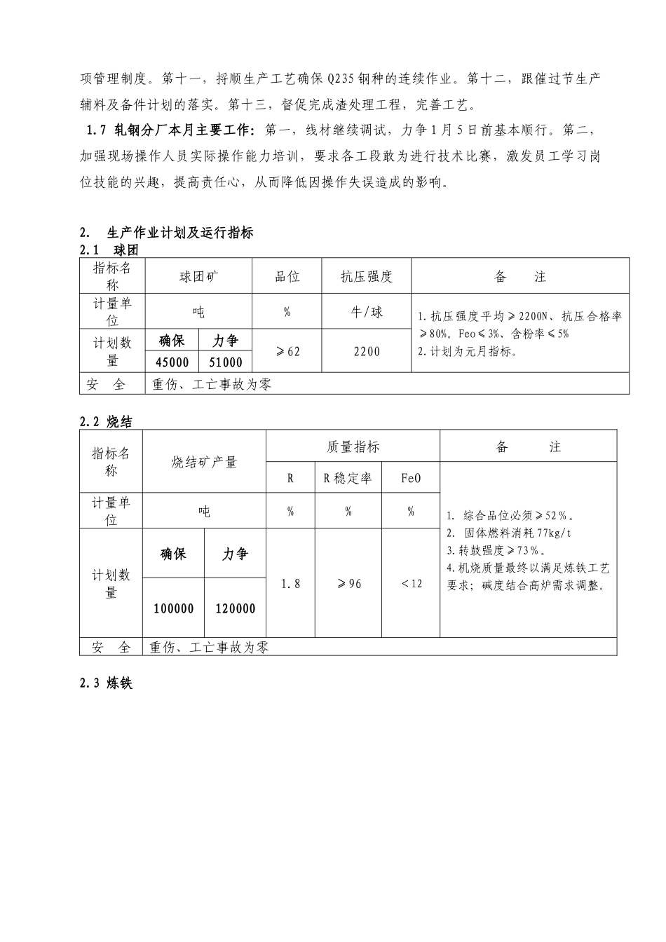
公司所属生产单位:随着轧钢高线投产,300万吨特钢项目一期工程投产,圆满实现了当年开工、当年投产的目标。为确保2012年1月份生产经营活动有序运行,结合公司设备、原然料、生产状况,1月份生产经营计划现已编制完成。并经公司领导审核批准,下发各单位,望各单位按照本计划,认真组织实施。具体工作安排如下:1.元月份工作重点1.1第一,全厂总动员,各部门各分厂,责任到人、措施到位、稳步推进,确保两个月内各生产单位能顺产达产,全面顺产达产必须过工艺关、设备关和操作关。第二,生产组织围绕铁前保指标、铁后保产量组织原则,以铁前为中心、炼钢为重点组织方针进行生产组织。第三,突出推进冬储工作,建立和完善各分厂原燃料警戒库存长效机制,始终确保大宗原燃料(辅料)结构安全平衡。第四,建立和完善主线生产线常用备件、独生子备件(备机)警戒库存。第五,继续发挥管供结合管理机制,重点煤气综合平衡,以及水、电、风、气(汽)动能保障。第六,全面保障填平补齐,消缺补项。第七,提前对两节期间备件保障,以及防冻保温工作再确认、再落实。第八,围绕明年预算目标,全面做好人力资源平衡,重点做好熟练岗位及专业技术人员工作,控制和减少人员流动,组织好新员工入厂培训和岗位练兵工作。第九,各单位做好本单位和外协单位两节期间稳定工作,不得影响生产。1.2本月生产工作重点:围绕2012年度生产经营目标,再细化、再分解,确保元月份铁实现5万吨、钢4.8万吨、材4万吨生产指标任务。第二,按照年度公司重点工作及措施保障,认真排布四个季度努力方向。第三,实现资源优势转换经济优势,使公司效益最大化。第四,精打细算过紧日的总体思路,全面抓紧预算管理、降低成本。第五,抓好“两节”期间安全生产。1.3球团分厂本月主要工作:第一,全面细化和分解年度预算球团矿目标任务,以及保障措施和重点工作。第二,技术攻关,改善和稳定产品质量,最大限度满足高炉生产工艺要求。第三,协同生产运输部解决冻块影响生产问题。第四,跟催采供部,保障春节所需备件到位,加强设备管理与维修,保证运转率不低于90%。发布日期:2011-12-26实施日期:2010-12-30版次:编制部门/人:生产运输部审核:批准:第五,做好春节前人员安全和稳定工作。1.4烧结分厂本月主要工作:第一,全面细化和分解年度预算烧结矿目标任务,以及保障措施和重点工作。第二,抓好设备基础管理,重点日常点巡检制度的落实和备件管理工作。第三,严格配料、混料、造球、布料、烧结、破碎、冷却、筛分工艺操作标准,确保烧结矿品位高,强度好、成份稳、粒度匀、粉末少,最大限度满足高炉生产工艺要求。第四,协同生产运输部解决冻块影响生产问题。第五,与采供部及时沟通,确保石灰用量稳定。1.5炼铁分厂本月主要工作:第一,确保高炉的稳定顺行是元月份炼铁分厂工作的重中之重,加强工长的培训,提高个人技能,降低人为操作调剂滞后带来的炉况失常。第二,在保证高炉顺行的基础上,元月份炼铁厂另一项重点工作是确保喷煤投入生产向高炉喷煤,为高炉降低焦比奠定基础。第三,保证铁水罐的正常运行是炼铁高炉生产的基础,由于开炉期间铁水罐粘包严重,影响铁水罐的正常回罐,近期炼铁分厂将加强、加速铁水罐的维修工作,以确保铁水罐的正常供应。加强外围管理,保证出铁正点、均衡率,出净渣铁,减少炉内憋风和渣铁出不净的现象的发生;加好保温剂,保证罐容减少铁损。第四,加强设备的管理,关键在备品备件、点巡检、润滑、定检定修,要制定相关负责人,并制定相关的奖惩措施,为高炉正常生产保驾护航。第五,因员工多为新入职员工,无工作经验,不能及时发现事故隐患,沟通联系不到位,容易造成各种事故扩大化;炼铁厂在元月份将加强新员工的培训,大力宣传老员工“传、帮、带”的精神,使新员工尽快适应工作岗位,提高新员工的实际操作能力,使新员工了解本岗位的工艺流程,熟练掌握操作技能及有关技术知识,把炼铁厂的员工队伍建设成一个高素质的、复合型的队伍。1.6炼钢分厂本月主要工作:第一,加强对专职安全人员的管理,提高他们的责任心。第二,深入现场排查各种安全隐患。第三,继续捋顺工艺...

1、当您付费下载文档后,您只拥有了使用权限,并不意味着购买了版权,文档只能用于自身使用,不得用于其他商业用途(如 [转卖]进行直接盈利或[编辑后售卖]进行间接盈利)。
2、本站所有内容均由合作方或网友上传,本站不对文档的完整性、权威性及其观点立场正确性做任何保证或承诺!文档内容仅供研究参考,付费前请自行鉴别。
3、如文档内容存在违规,或者侵犯商业秘密、侵犯著作权等,请点击“违规举报”。

碎片内容

某工厂月份生产经营计划

您可能关注的文档

确认删除?
VIP
微信客服
  • 扫码咨询
会员Q群
  • 会员专属群点击这里加入QQ群
客服邮箱
回到顶部