电脑桌面
添加小米粒文库到电脑桌面
安装后可以在桌面快捷访问

基础施工手册--霍沁线VIP免费

基础施工手册--霍沁线_第1页
1/18
基础施工手册--霍沁线_第2页
2/18
基础施工手册--霍沁线_第3页
3/18
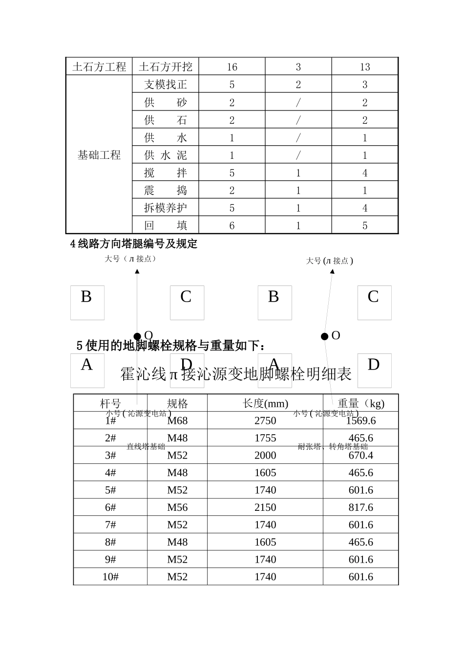
第一章工程概况1工程概况本工程为220kV双回路架空送电线路,将霍州500kV变电站至沁县220kV线路“π”接入沁源220kV变电站,新建同塔双回线路2×10.730公里,单回线路0.425km。拆除旧线路0.348km,其中单回路旧塔2基,原线路小号侧重新放紧线1.043km,大号侧2.909km。2工程特点该段全长2×10.730公里,共有铁塔32基,其中双回路直线塔共24基(2FG-SZC2塔6基、2FG-SZC3塔12基、2FG-SZC4塔5基、2FG-SZCK塔1基),耐张、转角及终端塔共6基(2FG-SJC2塔1基、2FG-SJC1K塔1基、2FG-SJC2K塔2基、220SDJF塔2基)、单回路转角塔2基(2CG-JC2塔1基、DZT塔1基)。基础型式有:板式直柱(柔性)基础,掏挖式基础混凝土台阶基础。导线采用2×JL/G1A-300/40钢芯铝绞线(原线路LGJ-240),地线两根为GJ-80型镀锌钢绞线(原线路GJ-50)。施工沿线交通道路情况比较恶劣,小运距离长,大部分桩号需要修路才能到达桩号。3劳动力组织根据工程特点和工期要求,本工程由我项目部施工,并设项目经理(部)。项目部下设四个施工队,一个运输队。每个施工队施工人员30人,在土石方开挖时若劳动生产力不足可随时雇用当地生产力。项目部设工程管理人员4人,工程技术人员2人,技工10余人,在施工过程中,应随时了解和掌握过程控制(工序)和人员配备的适应性,当出现劳动力配置与所需不适应时,项目部主任应及时调整和纠正,使劳动生产力在施工中得到最大的发挥。每个施工班组的劳动组织如下:施工工序工作内容工作人数工人工种技工辅助施工测量复测线路734分坑523大号(л接点)BCAD小号(沁源变电站)O大号(л接点)BCAD小号(沁源变电站)O直线塔基础耐张塔、转角塔基础土石方工程土石方开挖16313基础工程支模找正523供砂2/2供石2/2供水1/1供水泥1/1搅拌514震捣211拆模养护514回填6154线路方向塔腿编号及规定5使用的地脚螺栓规格与重量如下:霍沁线π接沁源变地脚螺栓明细表杆号规格长度(mm)重量(kg)1#M6827501569.62#M481755465.63#M522000670.44#M481605465.65#M521740601.66#M562150817.67#M521740601.68#M481605465.69#M521740601.610#M521740601.6ENBCxxPF11#M521740601.612#M481605465.613#M481605465.614#M481605465.615#M521740601.616#M521740601.617#M521740601.618#M521740601.619#M521740601.620#M521740601.621#M561870731.222#M561870731.222#+1M521740601.623#M561870731.224#M481605465.625#M521740601.626#M562150817.627#M561870731.228#M561870731.229#M6826001500.830#M561870731.231#M481605465.6第二章施工方案我项目部施工段,基础型式为掏挖式基础、高低腿基础、板式基础。针对本工程的地形、地貌、地质条件以及不同类型的基础型式,我们采用相应的施工方案进行土石方工程、基础分部工程的施工。1分坑1.1分坑前要根据施工手册中分坑尺寸,订立辅助桩。1.2根据分坑数据中坑口位置,进行分坑。1.3若为高低腿,假设顺线路方向为平面或高差不大(见右图),C为低腿,现说明C腿分坑的方法:在顺线路方向O2N上找一点E(E点的选择以能看到O2P上的F点为原则),量出(或计算)O2E的水平距离,将仪器支于E上,对准线路方向转90°与O2P相交于F点,由图可计算出O2F的水平距离为1.414×O2E的水平距离,或者量出O2F的斜距,测出O2、F点的高差,算出其水平距离,据该距离及O2P的方向便可进行分坑。1.4掏挖基础的分坑根据基础对角线长之半定出基坑中心,以基坑中心为中心,以立柱直径之半为半径划出坑口范围线,其主要特点是坑口尺寸与基础主柱断面尺寸相等。2土石方开挖2.1山区岩石地质基面及基坑采用凿岩机或风钻打孔,人工开挖,清理、修坑的方法。2.2土质基面及基坑在地形,道路条件允许的情况下,采用小型挖掘机机械化施工为主,人工挖坑为辅的施工方法;在机械挖掘条件不允许的情况下,采用人工挖掘的施工方法。2.3对于掏挖式基础基坑开挖时,为保证塔基和坑壁的稳定性,要求按设计图纸人工挖掘成型。3钢筋绑扎3.1钢筋绑扎前首先要检查钢筋的规格、数量,与施工图中完全一致后方可开始绑扎。3.2绑扎前要根据钢筋的间距、保护层厚度等在钢筋上用粉笔划好绑扎处标记,确保绑扎后钢筋与施工图中的间距...

1、当您付费下载文档后,您只拥有了使用权限,并不意味着购买了版权,文档只能用于自身使用,不得用于其他商业用途(如 [转卖]进行直接盈利或[编辑后售卖]进行间接盈利)。
2、本站所有内容均由合作方或网友上传,本站不对文档的完整性、权威性及其观点立场正确性做任何保证或承诺!文档内容仅供研究参考,付费前请自行鉴别。
3、如文档内容存在违规,或者侵犯商业秘密、侵犯著作权等,请点击“违规举报”。

碎片内容

基础施工手册--霍沁线

您可能关注的文档

确认删除?
VIP
微信客服
  • 扫码咨询
会员Q群
  • 会员专属群点击这里加入QQ群
客服邮箱
回到顶部