电脑桌面
添加小米粒文库到电脑桌面
安装后可以在桌面快捷访问

采购与库存管理决策分析VIP免费

采购与库存管理决策分析_第1页
1/46
采购与库存管理决策分析_第2页
2/46
采购与库存管理决策分析_第3页
3/46
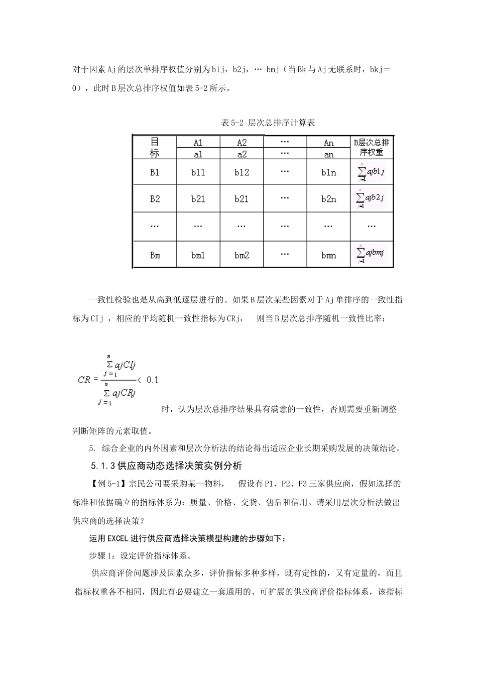
第5章采购与库存管理决策分析5.1供应商选择决策分析5.1.1供应商的选择决策分析概述1.采购决策的概述经济全球化带来产业结构的再次调整,中国已迅速成为全球重要的制造基地。加入WTO对我国企业提出了更严峻的挑战,竞争环境、发展模式、企业运行效率和市场空间都在改变。顾客对产品的品种规格、需求数量呈现多样化、个性化要求,而且这种要求具有很高的不确定性,企业需要快速响应,否则就会被竞争对手抢占先机;最后是在满足个性化需求的同时,顾客期望产品的价格仍像大批量生产那样低廉,企业面临着不断降低成本的压力。在21世纪的今天,企业竞争的焦点又转移到了敏捷性上,即以最快的速度响应市场需求的能力。物料是企业价值链中极其重要的一环,因此,强化物料采购决策,从物料需求计算、供应商的选择、订货批量确定到物料成本预算,无论是从成本、质量的角度,还是从交货期和敏捷性上考虑,都对企业竞争力的提升具有重要意义。其中供应商的选择是最为关键的因素。2.供应商选择决策的方法---层次分析法(1)层次分析法基本原理层次分析法(Analytia1HierarchyProcess,简称AHP)是美国匹兹堡大学教授A.L.Saaty于20世纪70年代提出的一种系统分析方法。AHP是一种能将定性分析与定量分析相结合的系统分析方法。AHP是分析多目标、多准则的复杂大系统的有力工具。它具有思路清晰、方法简便、适用面广、系统性强等特点,最适宜于解决那些难以完全用定量方法进行分析的决策问题,便于普及推广,可成为人们工作和生活中思考问题、解决问题的一种方法。(2)应用AHP解决问题的思路①把要解决的问题分层系列化,即根据问题的性质和要达到的目标,将问题分解为不同的组成因素,按照因素之间的相互影响和隶属关系将其分层聚类组合,形成一个递阶的、有序的层次结构模型。②对模型中每一层次因素的相对重要性,依据人们对客观现实的判断给予定量表示,再用数学方法确定每一层次全部因素相对重要性次序的权值并做一致性检验。③通过综合计算各层因素相对重要性的权值,得到最低层(方案层)相对于最高层(总目标)的相对重要性次序的组合权值并做一致性检验,以此作为评价和选择决策方案的依据。5.1.2.供应商的选择决策的步骤供应商选择决策一般分为以下步骤:1.建立评价结构模型深入分析所面临的问题,将问题中所包含的因素划分为不同的层次,用框图形式说明层次的递阶结构与因素的从属关系。2.构造判断矩阵判断矩阵的值反映了专家对各因素相对重要性(或优劣、强度等)的认识,一般采用1-9及其倒数的标度方法。如表5-1所示。表5-1判断矩阵标度含义表3.层次单排序及其一致性检验通过等式AX=λmaxX,求解判断矩阵的最大特征值λmax所对应的解W,通过归一化等方法处理后即为同一层次相应因素相对重要性的排序权值,这一过程称为层次单排序。对每一个判断矩阵需进行一致性检验。当随机一致性比率满足时,认为层次单排序的结果有范围的(满意的)一致性,否则需要调整判断矩阵的元素取值。4.层次总排序及其一致性检验计算同一层次所有因素对于最高层(总目标)相对性的排序权值,称为层次总排序。这一过程是最高层次到最低层次逐层进行的。若上一层次A包含n个因素,A1,A2,…,其层次总排序权值分别为a1,a2,…an,下一层次B包含m个元素B1,B2,…Bm,它们评价尺度评价描述评分极端重要9很重要7明显重要5稍微重要3重要性相同12、4、6、8介于各评分值中间对于因素Aj的层次单排序权值分别为b1j,b2j,…bmj(当Bk与Aj无联系时,bkj=0),此时B层次总排序权值如表5-2所示。表5-2层次总排序计算表一致性检验也是从高到低逐层进行的。如果B层次某些因素对于Aj单排序的一致性指标为CIj,相应的平均随机一致性指标为CRj,则当B层次总排序随机一致性比率:时,认为层次总排序结果具有满意的一致性,否则需要重新调整判断矩阵的元素取值。5.综合企业的内外因素和层次分析法的结论得出适应企业长期采购发展的决策结论。5.1.3供应商动态选择决策实例分析【例5-1】宗民公司要采购某一物料,假设有P1、P2、P3三家供应商,假如选择的标准和依据确立的指标体系为:质量、价格、交货、售后和信用。请采用层次分析...

1、当您付费下载文档后,您只拥有了使用权限,并不意味着购买了版权,文档只能用于自身使用,不得用于其他商业用途(如 [转卖]进行直接盈利或[编辑后售卖]进行间接盈利)。
2、本站所有内容均由合作方或网友上传,本站不对文档的完整性、权威性及其观点立场正确性做任何保证或承诺!文档内容仅供研究参考,付费前请自行鉴别。
3、如文档内容存在违规,或者侵犯商业秘密、侵犯著作权等,请点击“违规举报”。

碎片内容

采购与库存管理决策分析

确认删除?
VIP
微信客服
  • 扫码咨询
会员Q群
  • 会员专属群点击这里加入QQ群
客服邮箱
回到顶部