电脑桌面
添加小米粒文库到电脑桌面
安装后可以在桌面快捷访问

污水处理厂机电管道设备专项组织设计VIP免费

污水处理厂机电管道设备专项组织设计_第1页
1/39
污水处理厂机电管道设备专项组织设计_第2页
2/39
污水处理厂机电管道设备专项组织设计_第3页
3/39
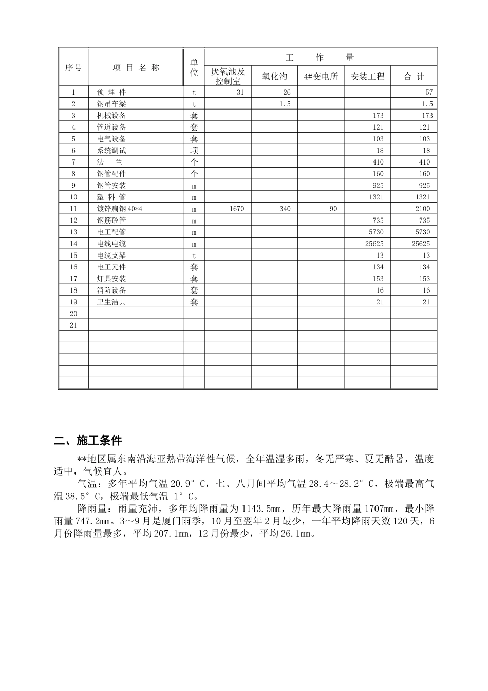
目录第一章、工程概况……………………………………………………………………1第二章、施工组织…………………………………………………………………….31).管理目标……………………………………………………………………….32).组织机构……………………………………………………………………….33).工程总体施工方案…………………………………………………………..44).劳资计划………………………………………………………………………5第三章、主要施工方法…………………………………………………………….…71).安装工程………………………………………………………………………….72)通用设备安装的程序……………………………………………………………..8第四章、确保工程质量的技术组织措施…………………………………………..421).组织措施………………………………………………………………………….422).技术措施…………………………………………………………………………43第五章、确保安全生产的组织措施………………………………………………..451)组织措施………………………………………………………………………….452).技术措施………………………………………………………………………….493).严格施工进度的控制…………………………………………………………...54第六章、施工工艺框图………………………………………………………………551)组织机构框图…………………………………………………………………….552).质量管理组织机构框图………………………………………………………...563)设备安装施工工艺框图…………………………………………………………..574).管道安装施工工艺框图………………………………………………………..585).电气安装施工工艺框图………………………………………………………….59第一章工程概况一、工程概况1、总体设计概况本工程为多模式氧化沟,占地面积约为20585m2,设计处理规模为10万m3/d;站区北侧布置多模式氧化沟1座、平面尺寸203.30m×104.10m、高度6.8m、底板埋深3.6m,4#变电所1座、平面尺寸22.55m×22.65m、高度13.73m;本工程的建筑物及构筑物按七度抗震裂度进行抗震设防,设计室外地坪标高为黄海标高+9.000m。多模式氧化沟包含进水箱涵、厌氧池、氧化沟、出水箱涵、放空阀门井、控制室等,为连接在一起的1组贮水式水池构筑物,其水流方向为进水箱涵→厌氧池→氧化沟→出水箱涵。4#变电所共三层,建筑面积为940m2,采用C25钢筋砼框架结构,框架柱采用钢筋砼柱下独立基础,墙体采用钢筋砼带形基础,地面以下砖墙采用M10水泥砂浆砌MU10砼多孔砖(C15细石砼灌孔),地面以上砖墙采用M10混合砂浆砌MU10混凝土多孔砖。基础埋深1.80m,采用天然地基作为持力层。2、主要工程量主要工程量一览表序号项目名称单位工作量厌氧池及控制室氧化沟4#变电所安装工程合计1预埋件t3126572钢吊车梁t1.51.53机械设备套1731734管道设备套1211215电气设备套1031036系统调试项18187法兰个4104108钢管配件个1601609钢管安装m92592510塑料管m1321132111镀锌扁钢40*4m167034090210012钢筋砼管m73573513电工配管m5730573014电线电缆m256252562515电缆支架t131316电工元件套13413417灯具安装套15315318消防设备套161619卫生洁具套21212021二、施工条件**地区属东南沿海亚热带海洋性气候,全年温湿多雨,冬无严寒、夏无酷暑,温度适中,气候宜人。气温:多年平均气温20.9°C,七、八月间平均气温28.4~28.2°C,极端最高气温38.5°C,极端最低气温-1°C。降雨量:雨量充沛,多年均降雨量为1143.5mm,历年最大降雨量1707mm,最小降雨量747.2mm。3~9月是厦门雨季,10月至翌年2月最少,一年平均降雨天数120天,6月份降雨量最多,平均207.1mm,12月份最少,平均26.1mm。第二章施工组织一、管理目标1、质量目标坚持“百年大计、质量第一”的方针,树立精品意识,确保本工程的质量达到合格工程标准。2、工期目标发扬顽强拼搏、团队作战的企业精神,确保本工程在220日历天内完成全部工程任务。3、安全目标杜绝伤亡事故、一般事故率...

1、当您付费下载文档后,您只拥有了使用权限,并不意味着购买了版权,文档只能用于自身使用,不得用于其他商业用途(如 [转卖]进行直接盈利或[编辑后售卖]进行间接盈利)。
2、本站所有内容均由合作方或网友上传,本站不对文档的完整性、权威性及其观点立场正确性做任何保证或承诺!文档内容仅供研究参考,付费前请自行鉴别。
3、如文档内容存在违规,或者侵犯商业秘密、侵犯著作权等,请点击“违规举报”。

碎片内容

污水处理厂机电管道设备专项组织设计

墨香书阁+ 关注
实名认证
内容提供者

热爱教学事业,对互联网知识分享很感兴趣

确认删除?
VIP
微信客服
  • 扫码咨询
会员Q群
  • 会员专属群点击这里加入QQ群
客服邮箱
回到顶部