电脑桌面
添加小米粒文库到电脑桌面
安装后可以在桌面快捷访问

5万吨城市污水处理厂(A20工艺)设计说明书VIP免费

5万吨城市污水处理厂(A20工艺)设计说明书_第1页
1/60
5万吨城市污水处理厂(A20工艺)设计说明书_第2页
2/60
5万吨城市污水处理厂(A20工艺)设计说明书_第3页
3/60
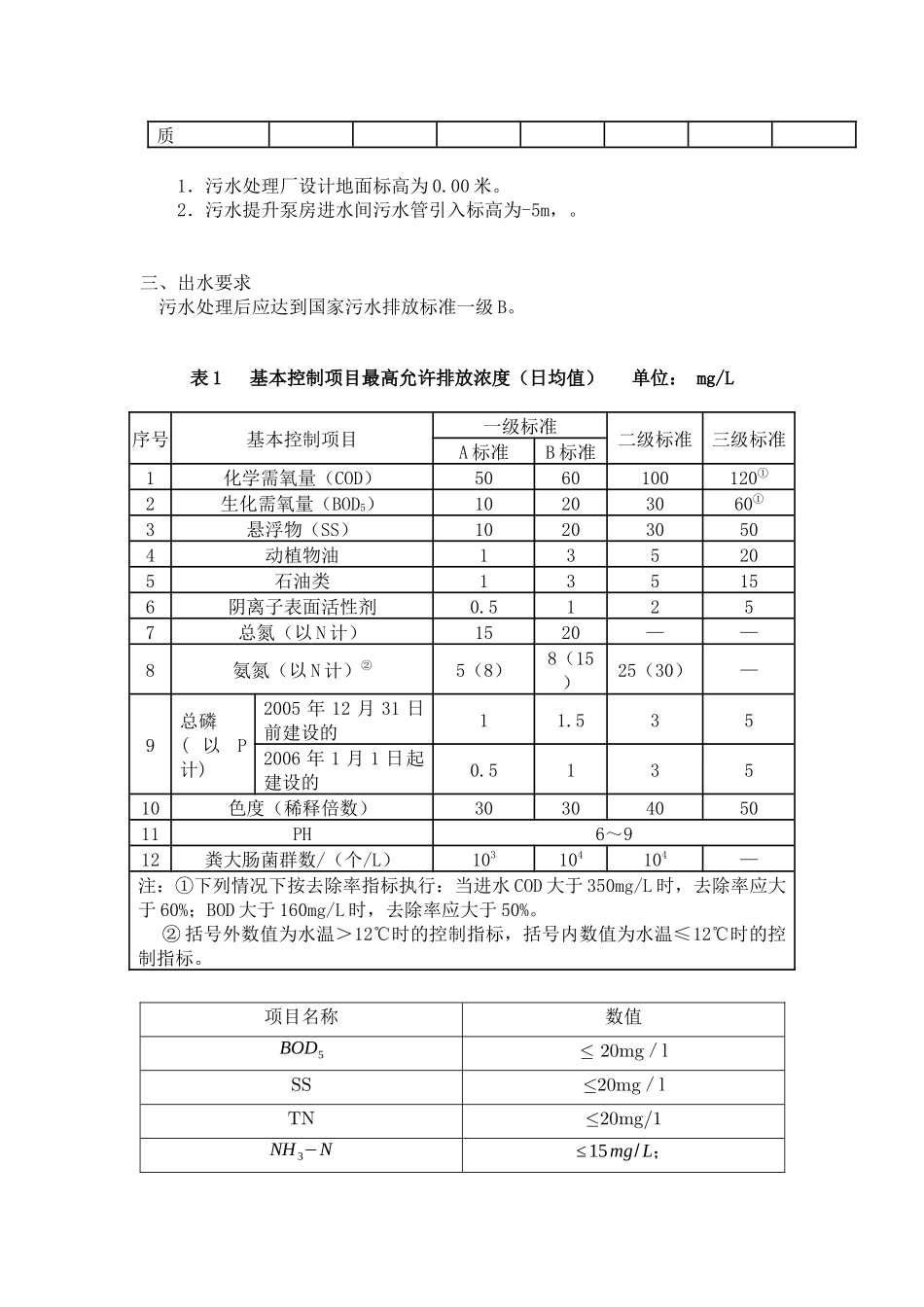
污水厂设计说明书第一章ZT市污水处理厂设计任务书第一节设计任务及要求一、设计任务。根据所给GZ市资料建一座污水处理厂。二、设计要求1.根据以上资料,对该城市进行污水处理厂的扩大初步设计。2.编写设计说明计算书。3.画出两张图:1号图纸:污水处理厂平面布置图(1:500)。.1号图纸:污水和污泥处理工艺高程布置图(横比1:300;纵比1:500)第二节基本资料一、设计原始资料全年主导风向南风历年最高温度38℃最低温度4℃全年平均气温24℃厂区设计地面标高+0.00m地震烈度6级以下二、污水资料1.设计污水总污水量5.0万m3/d,其中工业废水占60%,生活污水占40%。2.污水水质SSBOD5总氮TP碱度TKNCOD5(mg/L)(mg/L)(mg/L)(mg/L)(mg/L)(mg/L)(mg/L)综合污水水22020040810015400质1.污水处理厂设计地面标高为0.00米。2.污水提升泵房进水间污水管引入标高为-5m,。三、出水要求污水处理后应达到国家污水排放标准一级B。表1基本控制项目最高允许排放浓度(日均值)单位:mg/L序号基本控制项目一级标准二级标准三级标准A标准B标准1化学需氧量(COD)5060100120①2生化需氧量(BOD5)10203060①3悬浮物(SS)102030504动植物油135205石油类135156阴离子表面活性剂0.51257总氮(以N计)1520——8氨氮(以N计)②5(8)8(15)25(30)—9总磷(以P计)2005年12月31日前建设的11.5352006年1月1日起建设的0.513510色度(稀释倍数)3030405011PH6~912粪大肠菌群数/(个/L)103104104—注:①下列情况下按去除率指标执行:当进水COD大于350mg/L时,去除率应大于60%;BOD大于160mg/L时,去除率应大于50%。②括号外数值为水温>12℃时的控制指标,括号内数值为水温≤12℃时的控制指标。项目名称数值BOD5≤20mg/lSS≤20mg/lTN≤20mg/1NH3−N≤15mg/L;TP≤lmg/lBOD5≤20mg/lSS≤20mg/l总氮(以N计)≤20mg/1TP≤lmg/l第二章城市污水处理厂总体设计第一节设计规模的确定一、设计规模污水处理厂的设计规模以平均时流量计Q平均=5×104m3/d=2083.33m3/hQ生活=Q×40%=2×104m3/d=833.33m3/h一、设计流量设计时不考虑工业废水流量的变化。根据设计任务书可知生活污水总变化系数KZ=2.7Q生活0.11=2.7231.480.11=1.48Q生活——平均日平均时污水流量(L/S)。Qmax=Q平均×60%+Q平均×40%×1.48¿5×104×60%+5×104×40%×1.48=59600m3/d=2483.33m3/h处理程度确定一、处理程度计算BOD5去除率η=200−20200=90%SS去除率η=220−20220=91%NH3-N去除率η=40−2040=50%TP去除率η=8−18=88%第三节污水处理厂的工艺流程方案的选择根据进水水质分析,以及出水要求,选择采用A2/O与卡塞罗氧化沟工艺两种方案,在二者之间进行优化比较,选出最优方案。两个方案的工艺流程图如下:方案一A2/O工艺:污泥回流混合液回流硝化液回流污水剩余污泥方案二氧化沟工艺:污水剩余污泥粗格栅细格栅沉砂池厌氧池缺氧池二沉池好氧池接触池排江浓缩池贮泥池脱水机房泥饼外运运污水提升泵房粗格栅细格栅沉砂池氧化沟接触池排江浓缩池贮存池脱水机房泥饼外运污水提升泵房根据进水水质及处理程度,该污水厂必须进行生物脱氧除磷三级处理。一级处理是由格栅沉砂池组成,其作用是去除污水中的固体污染物。通过一级处理BOD5可去除20%—30%。二级处理采用生物处理方法,去除污水中呈胶体和溶解状态的有机污染物。三级处理,进一步处理难降解的有机氮和磷等能够导致水体富营养化的可溶性有机物,主要采用生物脱氮除磷法。本设计采用氧化沟工艺和A2/O工艺。但考虑到除磷的要求,方案一作为最优方案。判别水质是否符可以采用A2O工艺CODTN=40040=10>8TPBOD5=8200=0.04<0.06符合要求。第四节污泥处理工艺流程方案的选择污泥的处理要求:污泥生物处理过程中将产生大量的生物污泥,有机物含量较高且不稳定,易腐化,并含有寄生虫卵,若不妥善处理和处置,将造成二次污染。污泥处理要求如下:☆减少有机物,使污泥稳定化;☆减少污泥体积,降低污泥后续处置费用;☆减少污泥中有毒物质;☆利用污泥中有用物质,化害为利;☆因选用生物脱氮除磷工艺,故应避免磷的二次污染。2.4.2常用污泥处理的工艺流程:(1):生污泥→浓缩→消化→机械...

1、当您付费下载文档后,您只拥有了使用权限,并不意味着购买了版权,文档只能用于自身使用,不得用于其他商业用途(如 [转卖]进行直接盈利或[编辑后售卖]进行间接盈利)。
2、本站所有内容均由合作方或网友上传,本站不对文档的完整性、权威性及其观点立场正确性做任何保证或承诺!文档内容仅供研究参考,付费前请自行鉴别。
3、如文档内容存在违规,或者侵犯商业秘密、侵犯著作权等,请点击“违规举报”。

碎片内容

5万吨城市污水处理厂(A20工艺)设计说明书

确认删除?
VIP
微信客服
  • 扫码咨询
会员Q群
  • 会员专属群点击这里加入QQ群
客服邮箱
回到顶部