电脑桌面
添加小米粒文库到电脑桌面
安装后可以在桌面快捷访问

安全生产保证体系及安全生产措施VIP免费

安全生产保证体系及安全生产措施_第1页
1/38
安全生产保证体系及安全生产措施_第2页
2/38
安全生产保证体系及安全生产措施_第3页
3/38
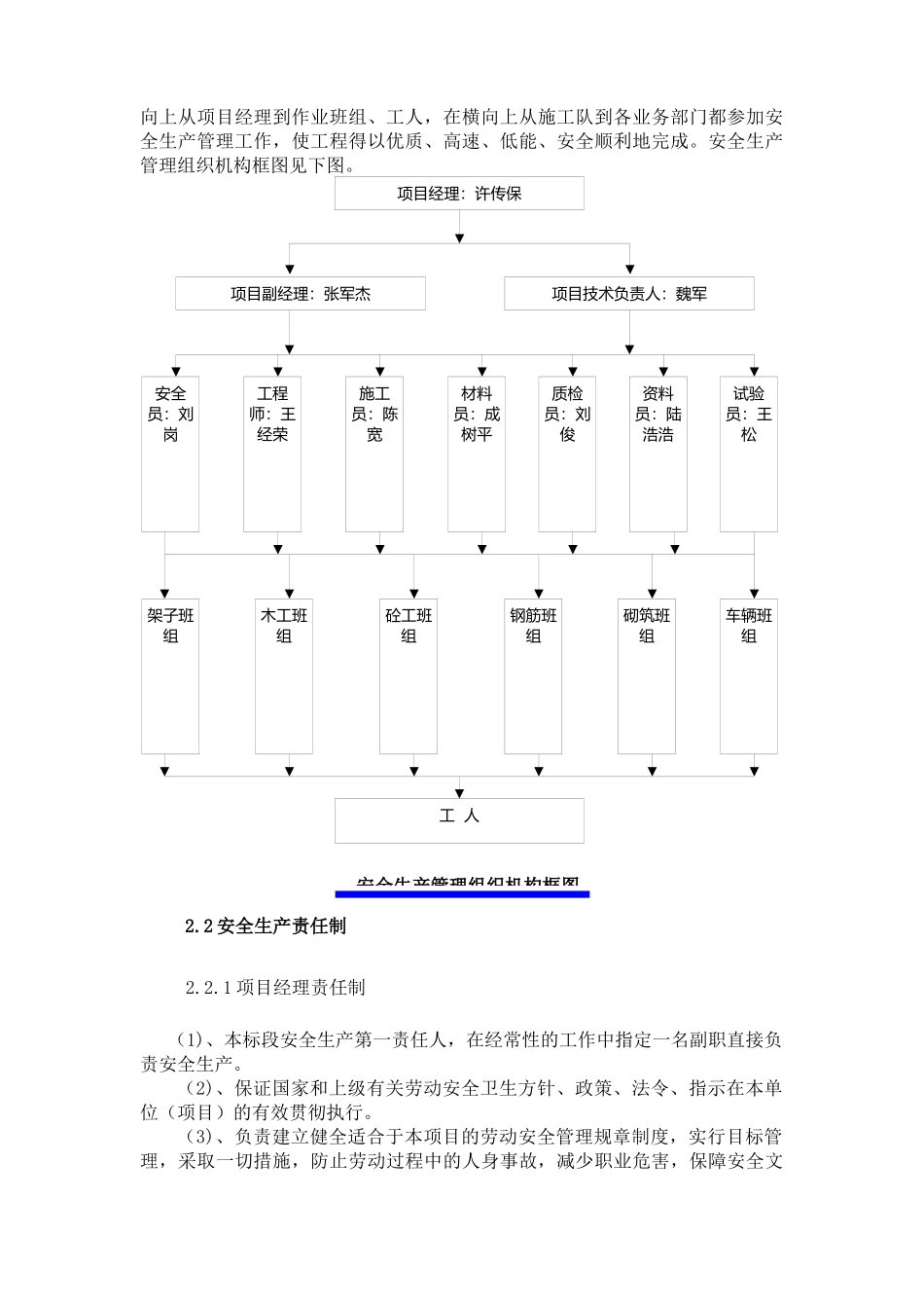
安全生产保证体系安全生产是建设单位和施工单位的共同目标,是施工现场管理的一项重要基础工作,也是评判施工企业素质优劣的重要标准。我公司在本工程施工任务的实施中将严格执行安全生产的规章制度,并坚决贯彻执行和提高政治警惕,把安全生产放在和工程质量同等重要的地位,为施工现场保持良好的工地环境和施工秩序,以达到提高劳动效益,保证施工质量的目的,用高水平的安全文明施工来树立企业形象。1、工程概况1.1工程简介本工程为宁和城际轨道交通一期工程试车线跨丰子河路桥工程,位于南京市浦口区丰字河路附近,孔跨布置为25m+25m+25m+35m+35m+25m单线预应力混凝土简支箱梁。桥梁基础采用直径为1200mm钻孔灌注桩,上接钢筋混凝土承台;下部结构采用钢筋混凝土“Y”型墩柱,墩柱顶安装盆式橡胶支座;上部结构采用单跨简支预应力混凝土箱梁;箱梁两侧安装ALC护栏板,桥面防水采用2.5mm聚氨酯防水涂料其上做豆式混凝土保护层,桥面伸缩缝采用100型钢伸缩缝。1.2安全生产管理目标与方针安全生产管理目标:无责任死亡事故发生,杜绝重大机械设备事故、重大火灾事故、特大交通事故、重大跨(塌)事故。安全管理方针:安全第一,预控为主,遵规守法,关爱生命。1.3编制依据《中华人民共和国安全法》;《建设工程安全生产管理条例》;《建筑施工高处作业安全技术规范》;《建筑机械使用安全技术规范》;《起重机械安全规程》;《施工现场临时用电安全技术规程》;《江苏省建筑管理条例》;南京重大路桥指挥部印发的《管理办法汇编》;招投标文件中的相关安全规定。2、项目部安全管理体系2.1安全生产管理组织机构设置建立以项目经理为主,副经理和安全员主要负责的安全生产领导小组,明确项目经理为该工程项目安全生产第一责任人。各专业队伍建立相应的安全生产管理小组,由专职安全员抓各项安全管理工作,每个生产班组设一名兼职安全员,各职能部门在各自的业务范围内,对安全生产负责任,使安全生产在纵项目经理:许传保项目副经理:张军杰项目技术负责人:魏军工人安全员:刘岗工程师:王经荣施工员:陈宽材料员:成树平质检员:刘俊资料员:陆浩浩试验员:王松架子班组木工班组砼工班组钢筋班组砌筑班组车辆班组向上从项目经理到作业班组、工人,在横向上从施工队到各业务部门都参加安全生产管理工作,使工程得以优质、高速、低能、安全顺利地完成。安全生产管理组织机构框图见下图。2.2安全生产责任制2.2.1项目经理责任制(1)、本标段安全生产第一责任人,在经常性的工作中指定一名副职直接负责安全生产。(2)、保证国家和上级有关劳动安全卫生方针、政策、法令、指示在本单位(项目)的有效贯彻执行。(3)、负责建立健全适合于本项目的劳动安全管理规章制度,实行目标管理,采取一切措施,防止劳动过程中的人身事故,减少职业危害,保障安全文安全生产管理组织机构框图明生产。(4)、把安全工作列入议事日程,定期主持召开安全专题会议。在计划、布置、检查总结、评比工作时,要有安全工作的内容。(5)、按施工生产需要及时设置安全专管机构,大力支持安监部门的工作。(6)、组织领导开展安全大检查和各项专业检查工作,对查出的隐患指定专人限期解决。(7)、督促有关部门对新职工进行入厂安全教育;抓好特殊作业人员的培训,全员安全教育面百分之百,按规定要求持证上岗。(8)、组织对本单位伤亡事故和较大未遂事故的调查、分析、处理工作,并对其准确性、及时性负责。(9)、对重视或忽视安全工作的单位和个人给予必要的奖励或处分。(10)、对本标段的安全生产工作每半年进行一次总结考核,每年至少召开一次安全生产总结表彰会议。(11)、负责本单位的文明生产、环境保护领导工作。2.2.2项目副经理责任制(1)、坚持“安全第一、预防为主”的方针、协助项目经理完成分管具体工作,开拓全项目劳动安全文明施工的新局面,努力实现安全生产管理目标。(2)、认真贯彻“管生产必须管安全”的原则,从组织、管理、指挥生产经营方面对安全工作直接负责。(3)、在审查批准施工组织设计或施工方案时,要贯彻安全第一的思想,把好有针对性的安全技术措施关,并使之成为科学指导施工的依...

1、当您付费下载文档后,您只拥有了使用权限,并不意味着购买了版权,文档只能用于自身使用,不得用于其他商业用途(如 [转卖]进行直接盈利或[编辑后售卖]进行间接盈利)。
2、本站所有内容均由合作方或网友上传,本站不对文档的完整性、权威性及其观点立场正确性做任何保证或承诺!文档内容仅供研究参考,付费前请自行鉴别。
3、如文档内容存在违规,或者侵犯商业秘密、侵犯著作权等,请点击“违规举报”。

碎片内容

安全生产保证体系及安全生产措施

确认删除?
VIP
微信客服
  • 扫码咨询
会员Q群
  • 会员专属群点击这里加入QQ群
客服邮箱
回到顶部