电脑桌面
添加小米粒文库到电脑桌面
安装后可以在桌面快捷访问

生产管理部计划调度科经理岗位说明书VIP免费

生产管理部计划调度科经理岗位说明书_第1页
1/3
生产管理部计划调度科经理岗位说明书_第2页
2/3
生产管理部计划调度科经理岗位说明书_第3页
3/3
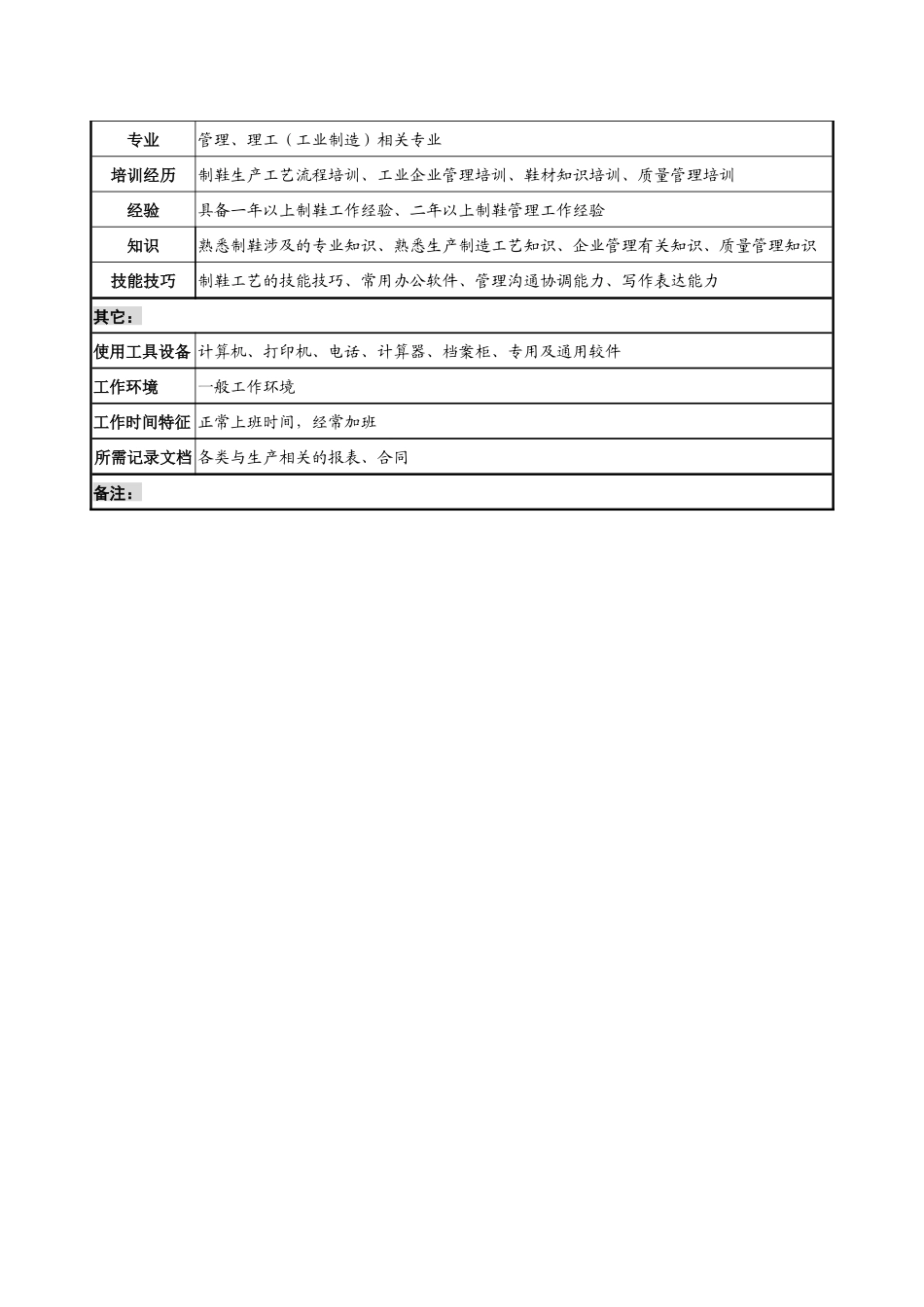
生产管理部计划调度科经理岗位说明书岗位名称计划调度科经理岗位编号所在部门生产管理部岗位定员直接上级主管副总职系直接下级本科室人员工资等级所辖人员岗位分析日期本职:全面负责业生产的计划排产、成本核算、仓库管理和现场的调度工作职责与工作任务:职责一职责表述:根据公司年度销售计划,制定生产部门的年度和季度生产工作计划并组织实施,完成工作总结工作时间百分比:工作任务根据公司年度销售计划和生产部的生产能力、设备效能制定年度和季度的生产计划频次:撰写月度、季度和年度的工作总结频次:职责二职责表述:负责签定生产定货合同工作时间百分比:30%工作任务审核新款式生产成本预算,并提交部门经理审批后和营销公司议定频次:日常参与开发部、营销公司选样定货,确定楦形和款式频次:协调技术开发部,尽快对新款进行封样频次:日常根据生产条件和封样鞋试包的情况签订订货合同并确定生产交货期频次:日常职责三职责表述:组织生产计划排产工作时间百分比:20%工作任务根据生产的合同、库存和开发部封样鞋情况,尽快安排物料请购频次:日常组织安排生产分厂进行新款式的生产前的均码试包工作频次:日常审核物料请购数量及种类频次:日常根据各分厂的生产能力、物料的到位情况以及合同的交货时间制定排产计划并安排下达生产计划指令单频次:日常职责四职责表述:负责对生产过程进行监督、协调和调度工作时间百分比:20%工作任务协助厂长解决生产工艺问题频次:日常监督执行工艺流程操作规范频次:日常负责生产现场的调度和协调,追踪生产指令单的履行情况,督促生产分厂按进度交付任务频次:日常协调生产过程中和质量部门发生的质量纠纷和质量异议频次:日常指挥调度机电设备科维修人员对生产现场的设备故障及时进行排除职职责表述:负责生产成本的核算和控制工作时间百分比:15%责五工作任务指导和监督成本核算小组完成成本的核算工作频次:日常审核成本核算报表频次:日常职责五职责表述:负责监督和指导材料仓库管理工作时间百分比:10%工作任务监督仓管人员物料进行合理的库存结构和安全库存管理频次:不定期监督指导仓管人员提高材料收发的服务水平频次:不定期审核物料帐目,做到帐实相符,帐目清晰频次:不定期职责六职责表述:科室内部组织管理工作工作时间百分比:%工作任务负责下属人员队伍建设,对下属人员进行激励、评价,组织部门内人员的技能培训频次:负责指导下属员工制定阶段工作计划,并督促执行频次:负责科室内部人员的工作安排和协调频次:职责七完成上级交付的任务及自行发展需要的其它本职工作工作时间百分比:5%权力:对年度生产计划有拟订权对生产合同有签定权,拒绝签定的建议权对生产计划排产有决定权对生产各分厂任务完成工作情况有监督检查权对生产成本预算有审核权对生产各分厂影响生产进度、质量、成本的违规作业行为有命令整改权对所属下级有考核评价权有权向相关部门索取必要的资料和信息对所属下级的工作有指挥权、监督检查权对所属下级的工作争议有裁决权有对直接下级岗位调配的建议权、任命的提名权和奖惩建议权在权限范围内有代表对外联络的权力工作协作关系:内部协调关系各分厂、生产部各科室外部协调关系开发部、营销总公司和国际贸易部任职资格:教育水平大专以上学历专业管理、理工(工业制造)相关专业培训经历制鞋生产工艺流程培训、工业企业管理培训、鞋材知识培训、质量管理培训经验具备一年以上制鞋工作经验、二年以上制鞋管理工作经验知识熟悉制鞋涉及的专业知识、熟悉生产制造工艺知识、企业管理有关知识、质量管理知识技能技巧制鞋工艺的技能技巧、常用办公软件、管理沟通协调能力、写作表达能力其它:使用工具设备计算机、打印机、电话、计算器、档案柜、专用及通用较件工作环境一般工作环境工作时间特征正常上班时间,经常加班所需记录文档各类与生产相关的报表、合同备注:

1、当您付费下载文档后,您只拥有了使用权限,并不意味着购买了版权,文档只能用于自身使用,不得用于其他商业用途(如 [转卖]进行直接盈利或[编辑后售卖]进行间接盈利)。
2、本站所有内容均由合作方或网友上传,本站不对文档的完整性、权威性及其观点立场正确性做任何保证或承诺!文档内容仅供研究参考,付费前请自行鉴别。
3、如文档内容存在违规,或者侵犯商业秘密、侵犯著作权等,请点击“违规举报”。

碎片内容

生产管理部计划调度科经理岗位说明书

确认删除?
VIP
微信客服
  • 扫码咨询
会员Q群
  • 会员专属群点击这里加入QQ群
客服邮箱
回到顶部