电脑桌面
添加小米粒文库到电脑桌面
安装后可以在桌面快捷访问

SXMX6 施工进度计划报审表VIP免费

SXMX6 施工进度计划报审表_第1页
1/11
SXMX6 施工进度计划报审表_第2页
2/11
SXMX6 施工进度计划报审表_第3页
3/11
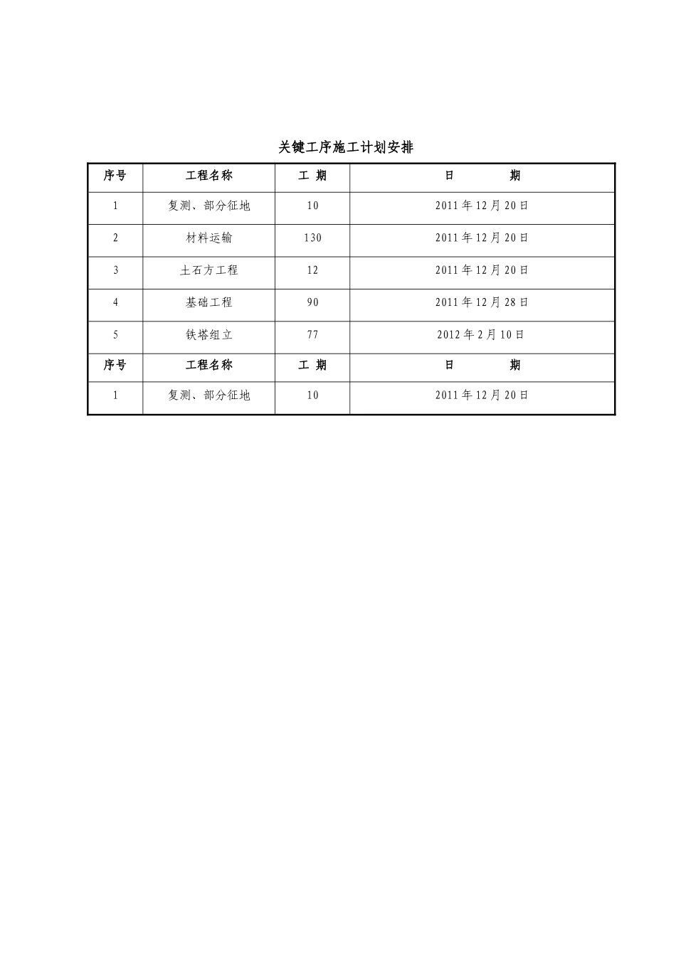
SXMX6施工进度计划报审表施工进度计划报审表工程名称:110kV莫旗变-阿尔拉输电新建工程编号:006致黑龙江电力建设工程监理有限公司监理项目部:现报上110kV莫旗变-阿尔拉输电新建工程工程施工进度计划,请审查。附件:110kV莫旗变-阿尔拉输电新建工程工程施工进度计划(横道图)施工项目部(章):项目经理:______________日期:______________专业监理工程师审查意见:专业监理工程师:____________日期:____________总监理工程师审批意见:监理项目部(章):总监理工程师:______________日期:______________工期目标和施工进度计划1、工期目标根据招标文件要求及现场情况,初步对本工程进行了规划和排定,总体工程开工日期为2012年2月1日,竣工日期为2012年9月3日,无特殊原因工程施工不得延期。工期目标分解表表:1-1目标目标值合同目标公司目标项目部目标工期目标开竣工时间确保工程施工按时完成,开、竣工时间:2012年2月2日~2012年9月2日开、竣工时间:2012年2月2日-2012年9月2日确保公司目标1.1进度计划编制说明本工程进度计划根据招标文件中的开、竣工时间及图纸交付时间及材料供货时间及现场地质、地势条件等确定出施工方案,根据工程阶段性里程碑、工程各阶段工作量编制总的施工进度网络计划,通过网络计划确定出人力、机械的配制,本网络计划力求优化资源配置,优化施工方案,做到优化施工,节约工程投资。关键工序施工计划安排序号工程名称工期日期1复测、部分征地102011年12月20日2材料运输1302011年12月20日3土石方工程122011年12月20日4基础工程902011年12月28日5铁塔组立772012年2月10日序号工程名称工期日期1复测、部分征地102011年12月20日工期工序施工计划分解1.2进度计划表线路横道图、(附后)序号工程名称工期(日)日期备注1工程准备2011年4月10日~2011年4月20日2线路复侧2011年4月18日~2011年4月28日3土石方工程2011年5月1日~2011年6月20日4基础工程2011年5月1日~2011年6月21日5杆塔接地工程2011年6月1日~2011年7月5日6基础工程验收2011年5月28日~2011年7月5日杆塔基础7杆塔工程材料运输2011年5月29日~2011年7月8日8杆塔组立2011年5月29日~2011年7月7日9架线工程材料运输2011年7月1日~2011年8月11日10放紧线2011年7月1日~2011年8月10日11附件安装2011年5月29日~2011年8月11日12全面自、互、专检2011年8月6日~2011年8月10日13缺陷消除2011年8月10日~2011年8月20日14资料、软件整理2011年8月15日~2011年8月25日15竣工检查验收16工程移交17试运行181.3主要安装设备及材料供应计划主要安装设备及材料供应计划表序号设备、材料名称计划最迟到货日期到货地点供货方1水泥2011.12.20施工现场自购2砂2011.12.20施工现场自购3碎石2011.12.20施工现场自购4零星钢材、建材2011.12.20施工现场自购5铁塔2011.12.20施工现场自购6导地线2011.12.20施工现场自购7金具及其他2011.12.20施工现场自购1.4要求设计图纸交付计划设计图纸交付计划表序号图纸名称最迟交付时间数量备注1110KV线路基础图2011.12.1542110KV新建线路全部图2011.12.2541.4.1进度计划风险分析和控制1、从组织措施上保证:(1)成立具有开拓精神,运作高效的项目部,充分发挥土建、安装一家总包的优势,密切配合。实行项目经理负责制,行使计划、组织、指挥、协调、控制、监督各项基本职能。(2)加大劳动力投放,组织施工素质高、技术熟练、能打硬仗的施工队伍,进行本工程的施工,合理安排作业班次,节假日不休息,力争提前工期。(3)主动接受各级职能部门的监督、检查和指导,保证工作关系畅通,及时做好分部分项工程及分阶段验收工作,以便下道工序及时进行。2、从物质措施上保证:(1)为保证工程材料及时有序地进入施工现场,我公司项目经理部提前与供货厂家取得联系,掌握供货信息,督促厂家按期供货,以免影响施工进度。(2)对于业主供应的材料,项目部将派人驻厂监造,随时向项目法人和监理工程部报告生产进度、产品质量等情况。并催促生产厂家按期供货。(3)项目部将组织和调配足够的运输机械和劳动力,及时组织工程材料的运输,使材料和工器具及时运抵现场。3、从技术措施上保证:(1)...

1、当您付费下载文档后,您只拥有了使用权限,并不意味着购买了版权,文档只能用于自身使用,不得用于其他商业用途(如 [转卖]进行直接盈利或[编辑后售卖]进行间接盈利)。
2、本站所有内容均由合作方或网友上传,本站不对文档的完整性、权威性及其观点立场正确性做任何保证或承诺!文档内容仅供研究参考,付费前请自行鉴别。
3、如文档内容存在违规,或者侵犯商业秘密、侵犯著作权等,请点击“违规举报”。

碎片内容

SXMX6 施工进度计划报审表

您可能关注的文档

确认删除?
VIP
微信客服
  • 扫码咨询
会员Q群
  • 会员专属群点击这里加入QQ群
客服邮箱
回到顶部