电脑桌面
添加小米粒文库到电脑桌面
安装后可以在桌面快捷访问

设备及工具管理考核考核方法VIP免费

设备及工具管理考核考核方法_第1页
1/6
设备及工具管理考核考核方法_第2页
2/6
设备及工具管理考核考核方法_第3页
3/6
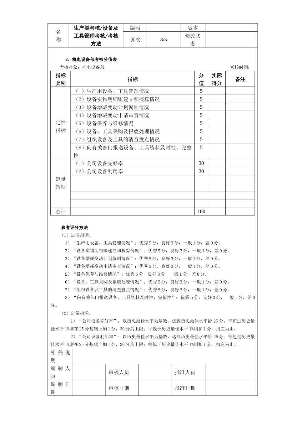
设备及工具管理考核/考核方法名称生产类考核/设备及工具管理考核/考核方法编码版本页次1/5修改状态1.生产计划部考核分值表考核对象:生产计划部考核时间:指标类别指标分值实际得分备注定性指标(1)参与设备产能负荷分析情况5(2)设备一级保养工作开展情况5(3)操作培训情况5(4)工具耗用控制情况5(5)本部门使用设备及工具实物明细账建立和核算情况5(6)设备、工具验收情况5(7)本部门设备、工具安全完整情况5(8)设备合理使用情况5定量指标(1)生产设备利用率30(2)生产设备完好率30合计100参考评分方法(1)定性指标。1)“参与设备产能负荷分析情况”:优秀5分,良好3分,一般1分,差0分。2)“设备一级保养工作开展情况”:优秀5分,良好3分,一般1分,差0分。3)“操作培训情况”:优秀5分,良好3分,一般1分,差0分。4)“工具耗用控制情况”:优秀5分,良好3分,一般1分,差0分。5)“本部门使用设备及工具实物明细账建立和核算情况”:优秀5分,良好3分,一般1分,差0分。6)“设备、工具验收情况”:优秀5分,良好3分,一般1分,差0分。7)“本部门设备、工具安全完整情况”:优秀5分,良好3分,一般1分,差0分。8)“设备合理使用情况”:优秀5分,良好3分,一般1分,差0分。(2)定量指标。1)“生产设备利用率”:以历史最佳水平为基数,达到历史最佳水平给25分;每超过历史最佳水平1%则在25分基础上加1分,30分为上限;每低于历史最佳水平1%则扣1分,扣完为止。2)“生产设备完好率”:以历史最佳水平为基数,达到历史最佳水平给25分;每超过历史最佳水平1%则在25分基础上加1分,30分为上限;每低于历史最佳水平1%则扣1分,扣完为止。编制人员审核人员批准人员编制日期审核日期批准日期(续)名生产类考核/设备及编码版本称工具管理考核/考核方法页次2/5修改状态2.技术开发部考核分值表考核对象:技术开发部考核时间:指标类别指标分值实际得分备注定性指标(1)设备改良工作组织情况10(2)参与设备产能负荷分析情况5(3)设备一级保养工作开展情况5(4)操作培训情况5(5)工具耗用控制情况5(6)本部门使用设备及工具实物明细账建立和核算情况5(7)设备合理使用情况5定量指标(1)部门设备完好率30(2)部门设备利用率30合计100参考评分方法(1)定性指标。1)“设备改良工作组织情况”:优秀10分,良好6分,一般2分,差0分。2)“参与设备产能负荷分析情况”:优秀5分,良好3分,一般1分,差0分。3)“设备一级保养工作开展情况”:优秀5分,良好3分,一般1分,差0分。4)“操作培训情况”:优秀5分,良好3分,一般1分,差0分。5)“工具耗用控制情况”:优秀5分,良好3分,一般1分,差0分。6)“本部门使用设备及工具实物明细账建立和核算情况”:优秀5分,良好3分,一般1分,差0分。7)“设备合理使用情况”:优秀5分,良好3分,一般1分,差0分。(2)定量指标。1)“部门设备完好率”:以历史最佳水平为基数,达到历史最佳水平给25分;每超过历史最佳水平1%则在25分基础上加1分,30分为上限;每低于历史最佳水平1%则扣1分,扣完为止。2)“部门设备利用率”:以历史最佳水平为基数,达到历史最佳水平给25分;每超过历史最佳水平1%则在25分基础上加1分,30分为上限;每低于历史最佳水平1%则扣1分,扣完为止。编制人员审核人员批准人员编制日期审核日期批准日期(续)名称生产类考核/设备及工具管理考核/考核方法编码版本页次3/5修改状态3.机电设备部考核分值表考核对象:机电设备部考核时间:指标类别指标分值实际得分备注定性指标(1)生产用设备、工具管理情况5(2)设备实物明细账建立和核算情况5(3)设备增减变动计划编制情况5(4)设备增减变动申请审查情况5(5)设备保养与维修情况5(6)设备、工具采购及报废处理情况5(7)组织设备及工具的清查盘点情况5(8)向有关部门报送设备、工具资料及时性、完整性5定量指标(1)公司设备完好率30(2)公司设备利用率30合计100参考评分方法(1)定性指标。1)“生产用设备、工具管理情况”:优秀5分,良好3分,一般1分,差0分。2)“设备实物明细账建立和核算情况”:优秀5分,良好3分,一般1分,差0...

1、当您付费下载文档后,您只拥有了使用权限,并不意味着购买了版权,文档只能用于自身使用,不得用于其他商业用途(如 [转卖]进行直接盈利或[编辑后售卖]进行间接盈利)。
2、本站所有内容均由合作方或网友上传,本站不对文档的完整性、权威性及其观点立场正确性做任何保证或承诺!文档内容仅供研究参考,付费前请自行鉴别。
3、如文档内容存在违规,或者侵犯商业秘密、侵犯著作权等,请点击“违规举报”。

碎片内容

设备及工具管理考核考核方法

您可能关注的文档

确认删除?
VIP
微信客服
  • 扫码咨询
会员Q群
  • 会员专属群点击这里加入QQ群
客服邮箱
回到顶部