电脑桌面
添加小米粒文库到电脑桌面
安装后可以在桌面快捷访问

新瓶班长岗位说明书VIP免费

新瓶班长岗位说明书_第1页
1/3
新瓶班长岗位说明书_第2页
2/3
新瓶班长岗位说明书_第3页
3/3
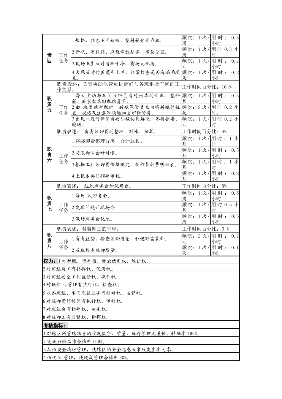
岗位说明书岗位名称新瓶班长岗位编号所在部门瓶场岗位定员1人直接上级主任岗位工资直接下级班员分析人所辖人员5人分析日期本职:执行主任的工作安排,带领全班人员完成旧瓶、新瓶、麻袋和塑料箱的结算、验收、发放和存储,并完成分管的各项工作任务。职责与工作任务:职责一职责表述:负责新瓶、塑料箱、麻袋管理工作。工作时间百分比:20%工作任务1、负责检查监督新瓶、塑料箱、麻袋的报验、收发、仓储工作的精确无误。频次:1次/天用时:1小时2、负责执行、落实上级的各项决议和工作安排。频次:1次/天用时:0.2小时3、负责协助保管员控制新瓶、麻袋、塑料箱的库存量,及时将库存情况反馈给主任。频次:1次/天用时:0.2小时4、负责督促各保管员将每天发生的业务作到日清。频次:1次/天用时:0.1小时5、负责新瓶、塑料箱、麻袋报表复核,无差错后送至主任审批。频次:1次/天用时:0.2小6、负责检查每日生产通知单的执行情况频次:1次/天用时:0.2小时7。负责监督及时将生产需要的新瓶、塑料箱送至车间。频次:1次/天用时:0.2小时职责二职责表述:负责为班员打替班、加班、上早班及日常收发工作。工作时间百分比:20%工作任务1负责休班保管员的当班工作。频次:4次/月用时:6小时2与保管员轮流加班、上早班,收发新瓶、麻袋。频次:3次/周用时:2小时3与保管员负责日常的收发工作、现场管理。频次:1次/天用时:1小时职责三职责表述:负责辖区的安全消防工作。工作时间百分比:15%工作任务1检查保管员劳动保护用品的穿戴频次:1次/天用时:0.1小时2新瓶、塑料箱、麻袋每日的安全检查。频次:1次/天用时:0.2小时3检查并督促各保管员严控辖区内的烟火和车辆的安全行驶。频次:1次/天用时:0.2小时4负责本班《安全会议记录》、《安全检查记录》、《安全活动记录》的填写。频次:1次/天用时:0.2小时5督促各保管员及时将货场内碎玻璃清理干净。频次:1次/天用时:0.2小时6检查监督保管员及外用工按章操作本职工作。频次:1次/天用时:0.2小时7组织保管员学习安全知识,并熟练掌握辖区内消防器材的性能、使用及保养。频次:1次/月用时:0.5小时职职责表述:现场5s管理。工作时间百分比:15%责四工作任务1规格、颜色不同新瓶、塑料箱分开存放。频次:1次/周用时:0.3小时2新瓶、塑料箱、麻袋垛放整齐,布局合理。频次:1次/周用时0.3小时3现场卫生及时清理干净,货场无死角。频次:1次/天用时:0.2小时4大垛及时封盖蓬布上网,经常检查是否有漏雨现象。频次:1次/天用时:0.2小时职责五职责表述:负责协助保管员协调好与各班组及车间的工作关系。工作时间百分比:10%工作任务1每天主动与车间收料员清对出库的新瓶、塑料箱、麻袋数及旧瓶结算单。频次:1次/月用时:0.5小时2由-班发放新瓶时,新瓶保管员主动将新瓶的位置、规格及注意事项通知当班保管员。频次:2次/天用时0.2小时:3出现问题时保管员要积极协商解决,不得推委、隐瞒。频次:1次/天用时0.2小时职责六职责表述:负责装卸费的整理、对帐、核算。工作时间百分比:6%工作任务1将装卸费整理分类,合计总数。频次:1次/月用时:1小时2与装卸队会计对帐。频次:1次/月用时:0.5小时3根据工厂装卸费价格规定,制作装卸费明细表。频次:1次/月用时:1小时4上报本部门领导审批。频次:1次/月用时:0.2小时职责七职责表述:组织班务会和现场会。工作时间百分比:8%工作任务1每周-次班务会。频次:1次/周用时:0.5小时2发现问题开现场会。频次:1次/月用时0.5小时3做好班务会记录。频次:1次/周用时:0.5小时职责八职责表述:对装卸工的管理。工作时间百分比:6%工作任务1负责监督、检查装卸质量,杜绝野蛮装卸。频次:2次/天用时:0.2小时2夜班检查装卸质量。频次:1次/天用时:0.1小时权力:1对新瓶、塑料箱、麻袋使用权、维护权。2对班组员工有指挥权、使用权。3对班组安全工作监督权、操作权4对班组5s管理有执行权、检查权。5以各班组、车间来往业务有核对权、监督权。6对装卸费的核算有执行权、审核权。7对班组会有指导权、制定权。8对装卸工有监督权、指挥权。考核指标:1对辖区所管辖物资的收发数字、质量、库存管理无差错,精...

1、当您付费下载文档后,您只拥有了使用权限,并不意味着购买了版权,文档只能用于自身使用,不得用于其他商业用途(如 [转卖]进行直接盈利或[编辑后售卖]进行间接盈利)。
2、本站所有内容均由合作方或网友上传,本站不对文档的完整性、权威性及其观点立场正确性做任何保证或承诺!文档内容仅供研究参考,付费前请自行鉴别。
3、如文档内容存在违规,或者侵犯商业秘密、侵犯著作权等,请点击“违规举报”。

碎片内容

新瓶班长岗位说明书

墨香书阁+ 关注
实名认证
内容提供者

热爱教学事业,对互联网知识分享很感兴趣

确认删除?
VIP
微信客服
  • 扫码咨询
会员Q群
  • 会员专属群点击这里加入QQ群
客服邮箱
回到顶部