电脑桌面
添加小米粒文库到电脑桌面
安装后可以在桌面快捷访问

公路工地临时试验室资质申请表VIP专享VIP免费

公路工地临时试验室资质申请表_第1页
1/56
公路工地临时试验室资质申请表_第2页
2/56
公路工地临时试验室资质申请表_第3页
3/56
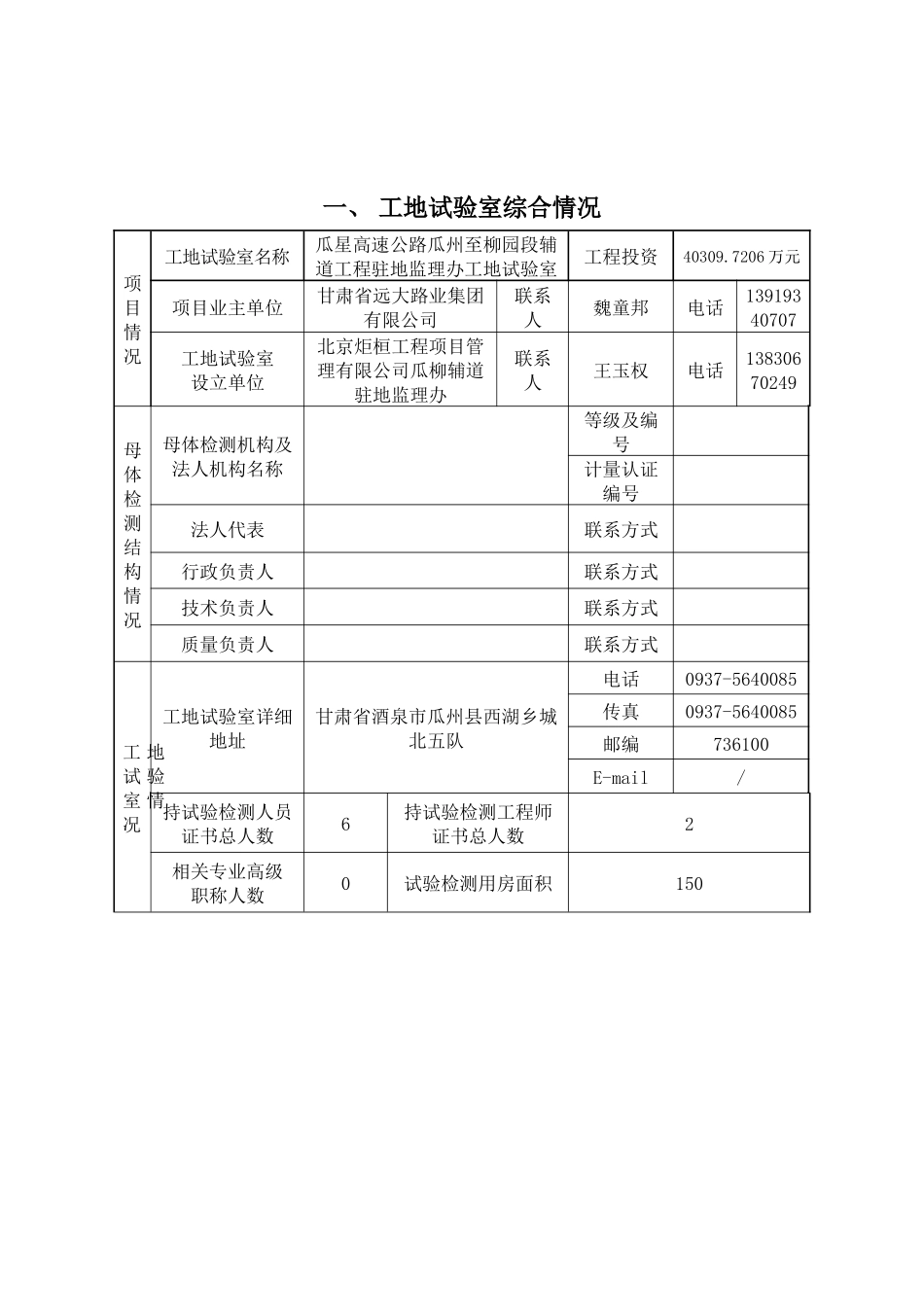
公路水运工程工地试验室备案登记申请书工地试验室:(章)备案日期:年月日甘肃省交通工程质量安全监督管理局填表须知一、本表统一采用A4尺寸纸张,内容必须打印,检测机构对填表内容的真实、可靠性负责。二、本表可复印,填写的内容受表格限制时,可按本表格格式增加附页,但须连同正页编第页,共页。三、“所属法人机构”指的是工地试验室母体检测机构,若母体检测机构不是独立法人,则填写其所属的法人机构。四、本表一式三份,项目质监机构、建设单位、工地试验室各留存一份。一、工地试验室综合情况项目情况工地试验室名称瓜星高速公路瓜州至柳园段辅道工程驻地监理办工地试验室工程投资40309.7206万元项目业主单位甘肃省远大路业集团有限公司联系人魏童邦电话13919340707工地试验室设立单位北京炬桓工程项目管理有限公司瓜柳辅道驻地监理办联系人王玉权电话13830670249母体检测结构情况母体检测机构及法人机构名称等级及编号计量认证编号法人代表联系方式行政负责人联系方式技术负责人联系方式质量负责人联系方式工地试验室情况工地试验室详细地址甘肃省酒泉市瓜州县西湖乡城北五队电话0937-5640085传真0937-5640085邮编736100E-mail/持试验检测人员证书总人数6持试验检测工程师证书总人数2相关专业高级职称人数0试验检测用房面积150工地试验室授权业务范围路基路面工程:1、土工:颗粒分析、界限含水率、最大干密度、最佳含水率、CBR;2、集料:颗粒级配、针片状颗粒含量、压碎值、含泥量、砂当量;3、岩石:单轴抗压强度;4、水泥:比表面积、标准稠度用水量、凝结时间、安定性、胶砂强度、密度;5、水泥混凝土、砂浆:抗压强度、坍落度、配合比验证;6、无机结合料稳定材料:最大干密度、最佳含水量、无侧限抗压强度、水泥剂量;7、沥青:针入度、延度、软化点、粘附性;8、沥青混合料:马歇尔稳定度、流值、空隙率、矿料间隙率、沥青用量、矿料级配;9、钢筋(含接头):屈服强度、抗拉强度、伸长率、冷弯;10、路基路面现场检测:厚度、压实度、平整度、弯沉11、地基基础:地基承载力;12、结构混凝土:强度、混凝土碳化深度。二、工地试验室试验检测业务范围表1.路基路面工程第1页共页序号试验检测项目及参数采用的试验检测方法和标准(名称/编号)所用主要仪器设备名称设备编号主要操作人员备注一土工试验JTGE10-20071颗粒分析T0115-1993标准(圆孔)筛、摇筛机、电子天平、烘箱2界限含水率T0103-1993光电式液塑限联合测定仪、电子天平、烘箱3击实试验T0131-2007电动击实仪、电子天平、烘箱4CBRT0134-1993路强仪、CBR试验装置、电子天平二集料试验JTGE42-20051颗粒级配T0302-2005、T0303-2005、T0327-2005、T0351-2005标准(方孔)筛、摇筛机、电子天平、烘箱2针片状颗粒含量T0311-2005、T0312-2005规准仪、游标卡尺、电子天平3压碎值T0316-2005压碎值仪、600KN压力机4含泥量T0310-2005、T0333-2005、T0335-2005标准(方孔)筛、烘箱、电子天平5砂当量T0334-2005砂当量仪序号试验检测项目及参数采用的试验检测方法和标准(名称/编号)所用主要仪器设备名称设备编号主要操作人员备注三岩石试验JTGE41-20051单轴抗压强度JTGE41-2005600KN压力机、岩石切割锯、游标卡尺注:按照检测机构授权范围填写。二、工地试验室试验检测业务范围表第2页共页序号试验检测项目及参数采用的试验检测方法和标准(名称/编号)所用主要仪器设备名称设备编号主要操作人员备注四水泥试验JTGE30-20051比表面积T0504-2005透气比表面积仪、电子天平2标准稠度用水量T0505-2005水泥净浆搅拌机、标准法维卡仪序号试验检测项目及参数采用的试验检测方法和标准(名称/编号)所用主要仪器设备名称设备编号主要操作人员备注3凝结时间GB/T1346-2001水泥净浆搅拌机、凝结时间测定仪4安定性GB/T1346-2001雷氏夹、沸煮箱5胶砂强度GB/T17671-19992000KN压力机、300KN压力机、电动抗折机6密度T0503-2005李氏比重瓶、电子天平五水泥混凝土、砂浆试验JTGE30-20051抗压强度T0553-20052000KN压力机或万能试验机2配合比验证JGJ55-2011水泥混凝土搅拌机、振动台、2000KN压力机3坍落度T0522-2005坍落度筒六无机结合料...

1、当您付费下载文档后,您只拥有了使用权限,并不意味着购买了版权,文档只能用于自身使用,不得用于其他商业用途(如 [转卖]进行直接盈利或[编辑后售卖]进行间接盈利)。
2、本站所有内容均由合作方或网友上传,本站不对文档的完整性、权威性及其观点立场正确性做任何保证或承诺!文档内容仅供研究参考,付费前请自行鉴别。
3、如文档内容存在违规,或者侵犯商业秘密、侵犯著作权等,请点击“违规举报”。

碎片内容

公路工地临时试验室资质申请表

确认删除?
VIP
微信客服
  • 扫码咨询
会员Q群
  • 会员专属群点击这里加入QQ群
客服邮箱
回到顶部