电脑桌面
添加小米粒文库到电脑桌面
安装后可以在桌面快捷访问

加油站监理规划(安全方面)VIP免费

加油站监理规划(安全方面)_第1页
1/62
加油站监理规划(安全方面)_第2页
2/62
加油站监理规划(安全方面)_第3页
3/62
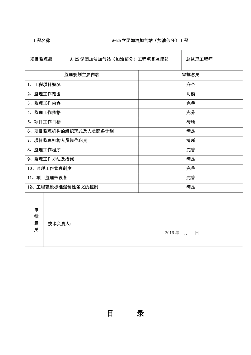
A-25学团加油加气站(加油部分)工程安全监理规划湖南和天工程管理有限公司二0一六年八月A-25学团加油加气站(加油部分)工程安全监理规划编制审核湖南和天工程管理有限公司二0一六年八月安全监理规划审批表工程名称A-25学团加油加气站(加油部分)工程项目监理部A-25学团加油加气站(加油部分)工程项目监理部总监理工程师监理规划主要内容审批意见1、工程项目概况齐全2、监理工作范围明确3、监理工作内容完善4、监理工作依据充分5、项目工作目标清晰6、项目监理机构的组织形式及人员配备计划满足7、项目监理机构人员岗位职责清晰8、监理工作程序完善9、监理工作方法及措施满足10、监理工作管理制度完善11、项目监理部设备完善12、工程建设标准强制性条文的控制满足审批意见技术负责人:2016年月日目录一、工程项目概况..........................................4二、安全监理工作规范......................................7三、安全监理工作范围......................................9四、安全文明施工监理工作具体内容.........................10五、安全监理工作目标.....................................19六、安全监理工作依据.....................................20七、项目安全监理机构的组织形试...........................21八、安全监理机构的人员配备计划...........................22九、项目监理机构的岗位职责...............................23十、安全监理工作程序.....................................30十一、安全文明施工监理方法及措施.........................31十二、监理工作制度.......................................42一、工程概况项目名称:学团加油加气站(加油部分)工程;建设单位:长沙麓谷清洁能源经营有限公司;设计单位:长岭炼化岳阳工程设计有限公司;监理单位:湖南和天工程项目管理有限公司;施工单位:湖南石油化工建设有限公司;1.1总平面设计概况1.1.1本项目为二级加油与LNG/L-CNG加气合建站,位于长沙市岳麓大道辅道以北,茶园路(规划中的许龙路)以东,荷叶路以西,占地面积约5300m2。其中,加油站部分约3500m2,规划中的加气站部分约2300m2,本期仅建设加油站部分。1.1.2加油加气站进出站道路与岳麓大道辅道相接,进场道路在场地东南侧,下坡;出场道路在场地西南侧,上坡。由于岳麓大道辅道近期将进行改造,整体标高(黄海高程)将下降约2m,待辅道改造完成后,进场道路为下坡,出场道路也为下坡。1.1.3场地东、北、西三个方向有高2.2m防火围墙,南边为岳麓大道辅道自然削坡至场地红线地坪标高。东侧为规划中的加气站,地坪标高为62.4m(黄海高程),西侧为加油站,地坪标高为61.8m(黄海高程)。加油站部分建筑包括:站房、罩棚、发配电房、消防沙池和隔油池等,站内布置有约2000m2的行车场地和1000m2绿化草皮。1.2建筑设计概况1.2.1加油站站房为一层框架结构,面积160m2,设置有办公室、营业厅、值班室及厕所等。同时,外墙采用外保温,屋顶采取加厚保温层并加设隔热层。1.2.2罩棚为网架结构,投影面积589m2,屋面为有组织排水,由专业厂家制作安装。1.2.3发配电房为砌体结构,面积约23m2,屋面为现浇砼制作,设置高600mm隔热层。1.3结构设计概况1.3.1本项目结构总层数为一层,采用全现浇框架结构,安全等级二级,建筑耐火等级二级。1.3.2站房基础和设备基坑开挖采用机械开挖和人工修整,并视基础埋深情况采取降水措施和基坑支护措施,基坑开挖后进行基槽钎探和验槽。1.3.3主要结构部件砼强度等级C25,钢筋的强度标准值应具有不小于95%的保证率,外围护墙及隔墙采用M5混合砂浆砌MU10页岩烧结多孔砖(厚240mm)。1.3.4油罐池池体砼为C30抗渗砼,抗渗等级P6,内表面采用玻璃钢防渗层。池体须必连续浇注,设置施工缝时必须设置钢板止水带。土建施工完成后池体外侧采用粗砂石、内侧采用细砂回填压实。1.3.5网架采用碳钢螺栓球节点,为正放四角锥双层网架。根据现场实际施工条件,本网架安装采用高空散装法。1.4工艺设计概况1.4.1本项目灭火器配置危险等级为严重危险级,不设消防给水系统。每两台加油机设置一台MF/A...

1、当您付费下载文档后,您只拥有了使用权限,并不意味着购买了版权,文档只能用于自身使用,不得用于其他商业用途(如 [转卖]进行直接盈利或[编辑后售卖]进行间接盈利)。
2、本站所有内容均由合作方或网友上传,本站不对文档的完整性、权威性及其观点立场正确性做任何保证或承诺!文档内容仅供研究参考,付费前请自行鉴别。
3、如文档内容存在违规,或者侵犯商业秘密、侵犯著作权等,请点击“违规举报”。

碎片内容

加油站监理规划(安全方面)

您可能关注的文档

墨香书阁+ 关注
实名认证
内容提供者

热爱教学事业,对互联网知识分享很感兴趣

确认删除?
VIP
微信客服
  • 扫码咨询
会员Q群
  • 会员专属群点击这里加入QQ群
客服邮箱
回到顶部