电脑桌面
添加小米粒文库到电脑桌面
安装后可以在桌面快捷访问

机动车安全检验记录单下载-机动车安全检验记录单VIP免费

机动车安全检验记录单下载-机动车安全检验记录单_第1页
1/2
机动车安全检验记录单下载-机动车安全检验记录单_第2页
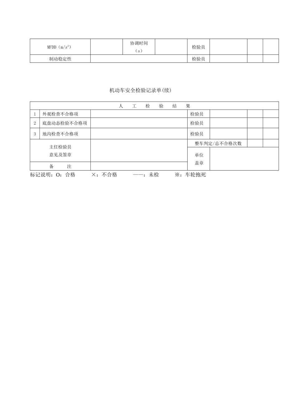
2/2
机动车安全检验记录单××××机动车安全检测站代号:×××检测流水号:×××号牌(自编)号车主号牌种类车辆类型前照灯制厂牌型号燃料类别检验类别发动机号驱动形式检测项目VIN(或车架)号驻车轴登录员出厂年月初次登记日期检验日期台试检测数据引车员:代号项目轮(轴)重(kg)最大制动力(daN)过程差最大差值点(daN)制动率(%)不平衡率(%)阻滞率(%)单项判定项目判定单项次数左右左右左右左右B制动一轴二轴三轴四轴驻车整车H前照灯项目远光远光偏移近光偏移灯中心高mm光强度(cd)垂直(cm/dam)水平(cm/dam)垂直(cm/10m)水平(cm/dam)左外灯左内灯右内灯右外灯X排放高怠速CO(%)HC(10-6)判定怠速CO(%)HC(10-6)判定加速模拟工况CO(%)HC(10-6)NO(10-6)判定光吸收系数(m-1)烟度(RB)平均值N喇叭声级dB(A)S车速表km/hA侧滑m/km路试制动性能制动距离(m)检验员MFDD(m/s2)协调时间(s)检验员制动稳定性检验员机动车安全检验记录单(续)人工检验结果1外观检查不合格项检验员2底盘动态检验不合格项检验员3地沟检查不合格项检验员主任检验员意见及签章整车判定/总不合格次数单位盖章备注标记说明:O:合格×:不合格——:未检※:车轮抱死

1、当您付费下载文档后,您只拥有了使用权限,并不意味着购买了版权,文档只能用于自身使用,不得用于其他商业用途(如 [转卖]进行直接盈利或[编辑后售卖]进行间接盈利)。
2、本站所有内容均由合作方或网友上传,本站不对文档的完整性、权威性及其观点立场正确性做任何保证或承诺!文档内容仅供研究参考,付费前请自行鉴别。
3、如文档内容存在违规,或者侵犯商业秘密、侵犯著作权等,请点击“违规举报”。

碎片内容

机动车安全检验记录单下载-机动车安全检验记录单

您可能关注的文档

确认删除?
VIP
微信客服
  • 扫码咨询
会员Q群
  • 会员专属群点击这里加入QQ群
客服邮箱
回到顶部