电脑桌面
添加小米粒文库到电脑桌面
安装后可以在桌面快捷访问

安全巡视记录VIP免费

安全巡视记录_第1页
1/89
安全巡视记录_第2页
2/89
安全巡视记录_第3页
3/89
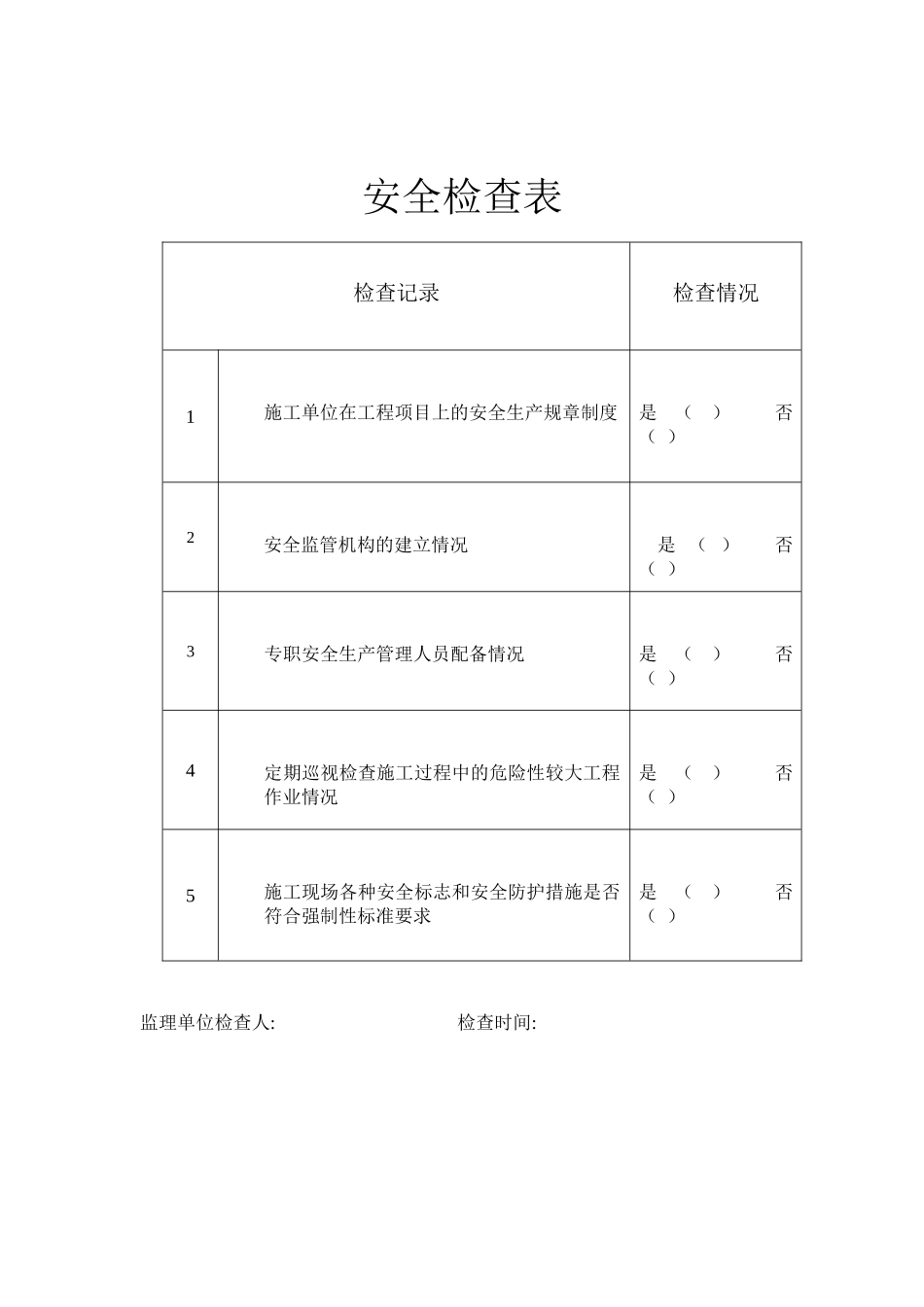
安全检查表检查记录检查情况1施工单位在工程项目上的安全生产规章制度是()否()2安全监管机构的建立情况是()否()3专职安全生产管理人员配备情况是()否()4定期巡视检查施工过程中的危险性较大工程作业情况是()否()5施工现场各种安全标志和安全防护措施是否符合强制性标准要求是()否()监理单位检查人:检查时间:F.0.10安全巡视记录工程名称:编号:巡视相关内容施工单位巡视时间巡视部位施工情况:发现的问题及处理情况:巡视监理人员(签字):年月日F.0.11安全例行检查记录工程名称:宝林大东关颐景园工程检查项目检查内容工程概况宝林大东关颐景园小区,5#楼-13#楼、16#楼共10栋高层,D1#楼-D4#楼共4栋多层,总建筑面积约23万平方米。施工安全生产管理情况1、现场安全检查:9#-16#楼塔吊基础砼浇筑,监理人员及施工方安全人员进行全过程旁站;2、施工用电检查:配电箱可靠安全,施工用电采用一机一闸;3、施工现场人员已正确佩戴好安全帽,特殊作业人员持证上岗,安全员加强巡视工作;4、施工现场清理干净,做到安全文明施工。安全设施配备情况1、施工现场周围防护基本符合规范要求;2、施工用电正常重点需关注的安全隐患1、施工现场用电安全,电线电缆敷设符合要求规范;2、对施工现场的各种警示标志及周围防护装置进行及时检查,基本符合规范要求前期问题整改情况下发监理通知一份,施工方已经规范用电。项目监理机构检查人员周雪梅韩荣燕检查时间2014年6月28日F.0.11安全例行检查记录工程名称:宝林大东关颐景园工程检查项目检查内容工程概况宝林大东关颐景园小区,5#楼-13#楼、16#楼共10栋高层,D1#楼-D4#楼共4栋多层,总建筑面积约23万平方米。施工安全生产管理情况1、施工用电检查:配电箱可靠安全,电线、电缆无损坏;2、施工现场消防设施配备齐全;3、钢筋加工区有专门的作业棚4、施工现场有专门的车辆冲洗处安全设施配备情况1、施工现场周围防护基本符合规范要求;2、施工用电正常3、施工脚手架搭设基本符合规范要求重点需关注的安全隐患1、施工现场临时用电的电线电缆要做到穿管防护;2、配电箱末端有接地保护装置前期问题整改情况1、2014.7.3下发安全监理通知一份,7.5施工方已整改完毕。项目监理机构检查人员周雪梅韩荣燕检查时间2014年7月5日F.0.11安全例行检查记录工程名称:宝林大东关颐景园工程检查项目检查内容工程概况宝林大东关颐景园小区,5#楼-13#楼、16#楼共10栋高层,D1#楼-D4#楼共4栋多层,总建筑面积约23万平方米。施工安全生产管理情况1、现场安全检查:基坑周围防护装置基本符合规范要求;2、施工用电检查:配电箱末端由接地装置,电线、电缆敷设符合规范要求;3、施工现场人员已正确佩戴好安全帽,特殊作业人员持证上岗,安全员加强巡视工作。安全设施配备情况1、施工现场周围防护基本符合规范要求;2、施工用电正常重点需关注的安全隐患1、由于基槽开挖较深,基础边缘至少2.0米内不得堆放物品;2、对施工现场的各种警示标志及周围防护装置进行及时检查,基本符合规范要求前期问题整改情况2014.7.9下发监理通知一份,施工方已经堆放在基槽边缘的钢筋移走。项目监理机构检查人员周雪梅韩荣燕检查时间2014年7月12日F.0.11安全例行检查记录工程名称:宝林大东关颐景园工程检查项目检查内容工程概况宝林大东关颐景园小区,5#楼-13#楼、16#楼共10栋高层,D1#楼-D4#楼共4栋多层,总建筑面积约23万平方米。施工安全生产管理情况1、现场安全检查:基坑边坡喷锚装置正常;2、施工用电检查:用电正常,无乱拉乱接现象;3、施工现场清理干净,有专门的钢筋加工棚,专门的洗车槽。安全设施配备情况1、基坑边坡防护基本符合规范要求;2、施工用电配电箱可靠安全重点需关注的安全隐患1、施工现场灭火器材布局、配置基本符合规范要求;2、施工机具:钢筋加工区设置作业棚,作业区内设置防护栏板前期问题整改情况有个别部位防护网封闭不严,已通知施工方整改完毕。项目监理机构检查人员周雪梅韩荣燕检查时间2014年7月19日F.0.11安全例行检查记录工程名称:宝林大东关颐景园工程检查项目检查内容工程概况宝林大东关颐景园小区,5#楼-13#楼、16#楼共10...

1、当您付费下载文档后,您只拥有了使用权限,并不意味着购买了版权,文档只能用于自身使用,不得用于其他商业用途(如 [转卖]进行直接盈利或[编辑后售卖]进行间接盈利)。
2、本站所有内容均由合作方或网友上传,本站不对文档的完整性、权威性及其观点立场正确性做任何保证或承诺!文档内容仅供研究参考,付费前请自行鉴别。
3、如文档内容存在违规,或者侵犯商业秘密、侵犯著作权等,请点击“违规举报”。

碎片内容

安全巡视记录

确认删除?
VIP
微信客服
  • 扫码咨询
会员Q群
  • 会员专属群点击这里加入QQ群
客服邮箱
回到顶部