电脑桌面
添加小米粒文库到电脑桌面
安装后可以在桌面快捷访问

二厂副厂长岗岗位描述VIP免费

二厂副厂长岗岗位描述_第1页
1/4
二厂副厂长岗岗位描述_第2页
2/4
二厂副厂长岗岗位描述_第3页
3/4
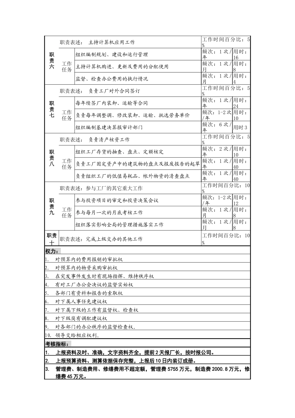
岗位情况调查表(职务说明书)(后面附件中的职务说明书仅供参考,调查表内容填写以<填写说明>要求为准)岗位名称副厂长岗岗位编号所在部门二厂岗位定员1人直接上级厂长岗位工资直接下级财务科长、厂办主任、物资科长、总务科长分析人陈良/战胜所辖人员4人分析日期本职:协助厂长工作,分管工厂财务管理、内外协调、物流仓储管理、行政和后勤管理工作职责与工作任务:职责一职责表述:领导分管部门制订工厂有关管理制度,并组织执行工作时间百分比:10%工作任务主持制订财务、物流仓储、行政、后勤等各项改革措施频次:1次/年用时:32指导所属部门制订完善各项管理制度频次:2-3次/年用时:2参与工厂重大的决策频次:1次/月用时:8职责二职责表述:参与工厂重大事项的决策工作时间百分比:一五%工作任务参与制定工厂年度经营计划和预算方案频次:1次/年用时:40主持制定工厂财务、行政、物流仓储、后勤规划与方案频次:2-3次/年用时:12掌握、了解和研究工厂内外动态,并提出有关决策建议频次:1次/日用时:2职责三职责表述:主持编制上报工厂有关计划工作时间百分比:一五%工作任务指导工厂财务编制管理费、制造费用计划频次:1次/年用时:40指导物资编制物流仓储计划频次:1次/月用时:8指导行政、后勤编制修缮费、办公费用计划频次:1次/月用时:8职责四职责表述:主持工厂财务、物流仓储工作工作时间百分比:10%工作任务组织分解年度、月度费用、指标频次:1次/月用时:16监督、检查、落实各项制度的执行频次:1次/月用时:8组织分解工厂的修缮项目频次:1次/月用时:16职责五职责表述:参与经济活动分析工作时间百分比:一五%工作任务组织编写工厂月度、季度、年度经济活动分析报告频次:1次/月用时:24参与每月一次工厂的经济活动分析频次:1次/月用时:8指导所属部门分析项目和内容频次:1次/日用时:1职责六职责表述:主持计算机应用工作工作时间百分比:5%工作任务组织编制规划、建设和运行管理频次:1次/年用时:16主持计算机购进、更新及费用的分配使用频次:1次/月用时:8监督、检查办公费用的执行情况频次:1次/月用时:4职责七职责表述:负责工厂对外合同签订工作时间百分比:5%工作任务每年续签厂内装卸、运输等合同频次:1次/年用时:24负责每年调整调、修改装卸、运输、挑选劳务单价频次:1-2次/年用时:10组织编制基建决算报审计部门频次:6次/年用时3职责八职责表述:负责清产核资工作工作时间百分比:5%工作任务组织工厂存货的抽查、盘点、定额核定频次:2次/年用时:10负责工厂固定资产中的建筑物的盘点及报废报告的起草频次:1次/年用时:40负责组织工厂的低值易耗品、帐外物资的清查盘点频次:1次/年用时:40职责九职责表述:参与工厂的其它重大工作工作时间百分比:10%工作任务参与投资项目的审定和投资决策会议频次:1-2次/年用时:12参与每月一次的月底考核工作频次:1次/月用时:8组织落实影响全局的管理措施落实工作频次:1次/月用时:8职责十职责表述:完成上级交办的其他工作工作时间百分比:10%权力:1.对预算内的费用报销的审批权2.对预算内的物资采购审批权3.在突发事件发生时有现场指挥、维持秩序权4.有对工厂办公会决议的监督实始权5.各部门有资料和报告的索取权6.对下属人事任免建议权7.对下属下级的工作有监督权、检查权8.对下级岗有调配建议权9.对各部门的办公秩序的监督检查权。10.领导交给相应权利。考核指标:1.上报资料及时、准确,文字资料齐全,提前2天报厂长,按时报公司。2.上报预算资料、测算依据保存完整,上报后10日内装订成册。3.管理费、制造费用、修缮费用不超定额,管理费5755万元,制造费2000.8万元,修缮费45万元。4.费用计划分解及时,指标确定后5日内下达。5.月、季、年度经济分析资料保存完整,期末10日内装订成册。6.计算机应用工作有计划,年度费用控制在计划以内,购进设备3台,总支出3.06万元。7.按合同到期日准时续签。,不拖延一天。8.资产盘点不漏项,年终装订成册。9.考核资料完整,10日装订成册。10.临时工作按通知要求及时参加,达到领导要求。工作协作关系:内部协调关系厂长、工厂其它高层管理人员外部协调关...

1、当您付费下载文档后,您只拥有了使用权限,并不意味着购买了版权,文档只能用于自身使用,不得用于其他商业用途(如 [转卖]进行直接盈利或[编辑后售卖]进行间接盈利)。
2、本站所有内容均由合作方或网友上传,本站不对文档的完整性、权威性及其观点立场正确性做任何保证或承诺!文档内容仅供研究参考,付费前请自行鉴别。
3、如文档内容存在违规,或者侵犯商业秘密、侵犯著作权等,请点击“违规举报”。

碎片内容

二厂副厂长岗岗位描述

您可能关注的文档

确认删除?
VIP
微信客服
  • 扫码咨询
会员Q群
  • 会员专属群点击这里加入QQ群
客服邮箱
回到顶部