电脑桌面
添加小米粒文库到电脑桌面
安装后可以在桌面快捷访问

第2章AutoCAD绘图环境设置VIP免费

第2章AutoCAD绘图环境设置_第1页
1/36
第2章AutoCAD绘图环境设置_第2页
2/36
第2章AutoCAD绘图环境设置_第3页
3/36
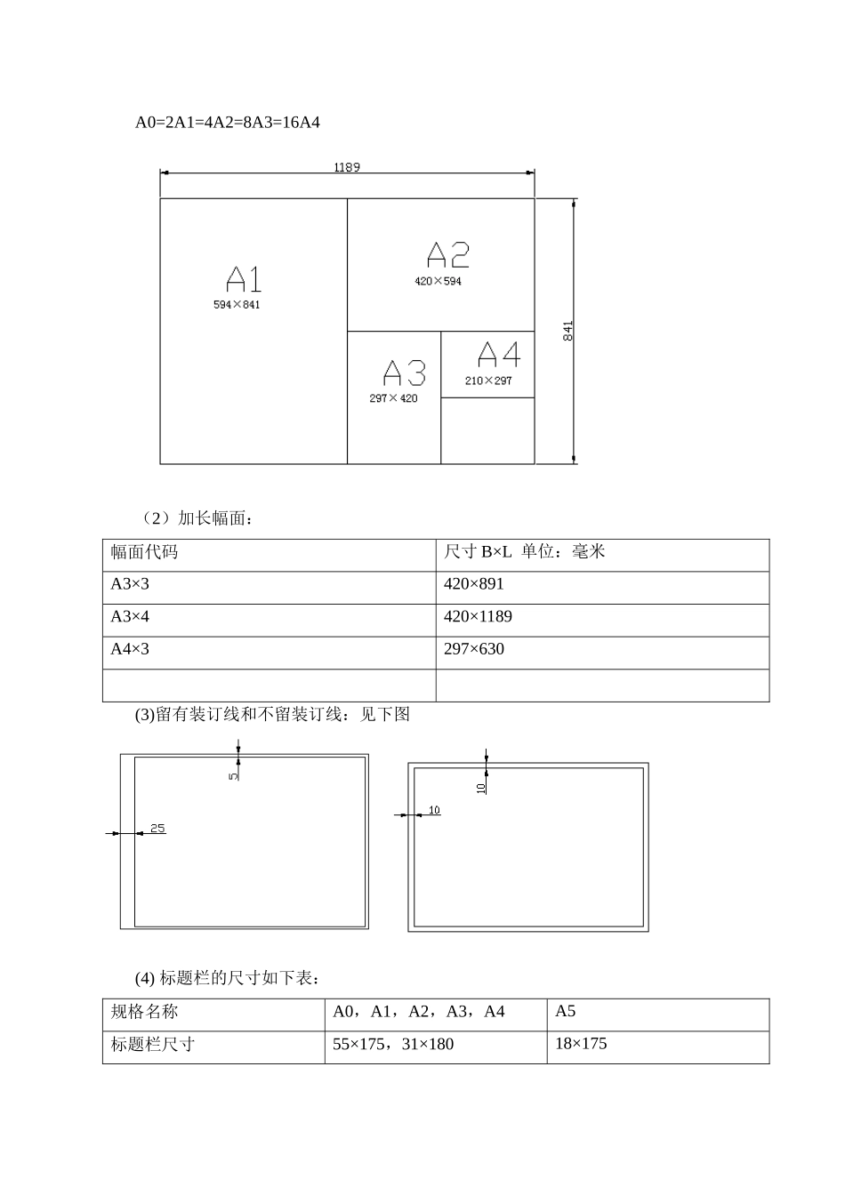
第2章AutoCAD2010绘图环境设置教学目标:了解工程绘图的图纸大小掌握设置绘图单位和图形界限的方法理解笛卡儿坐标和用户坐标,直角坐标和极坐标的区别学会设置图层及设置线形和颜色理解命令执行方式理解不同的精确辅助绘图模式及其作用教学难点与重点:掌握设置绘图单位和图形界限的方法;掌握几种坐标方式;学会设置图层及线型的方法及精确辅助绘图模式。如同传统手工制图一样,在绘图之前,需要行准备图纸、尺、笔等工具,同样计算机绘图在绘图前也应先设置好绘图的相关环境。2.1设置图纸大小和单位2.1.1图纸幅面进行绘图时,需要一定的幅面的图纸,这在中华人民共和国标准《技术制图与机械制图》都有详细的规定。1、图纸幅面分为基本幅面和加长幅面。如下图(1)图纸幅面:根据我国的国家标准(GB)工程制图标准,A系列图纸规格如下:幅面代码尺寸B×L单位:毫米A0(原始)841×1189A1594×841A2420×594A3297×420A4210×297A0=2A1=4A2=8A3=16A4(2)加长幅面:幅面代码尺寸B×L单位:毫米A3×3420×891A3×4420×1189A4×3297×630(3)留有装订线和不留装订线:见下图(4)标题栏的尺寸如下表:规格名称A0,A1,A2,A3,A4A5标题栏尺寸55×175,31×18018×1752、设置图纸尺寸在AutoCAD中进行设计和绘图的工作环境是一个无限大的空间(即模型空间),它是一个绘图的窗口。设置图形界限是将所绘制的图形布置在这个区域之内。图纸的尺寸就是绘图区,即图形设置所控制的区域,图形界限。设置步骤:(1)命令行中输入:limits(或“格式/图形界线”)重新设置模型空间界限系统提示:(2)“指定左下角或[开(ON)/关(OFF):若设置为ON则绘图范围仅限于图形界限之内,超出范围则不接受。若指定图形左下角,则输入X、Y坐标。通常按回车键,使用默认值(0,0)(3)“指定右上角”:如设置范围为A3图纸,则左下角是(0,0),右上角是(420,297)。(4)选择“视图”/“缩放”/“全部”。屏幕即显示用户所指定的范围。操作练习1:1、绘制一张A3的图纸。(带有装订线)2、绘制如简易的标题栏(在A3图纸的右下角绘制,留有装订线):操作提示:1、绘制标题栏的外框:用矩形工具,第一点为415,5第二点@180,32。2、用偏移命令,将水平线依次偏移8。3、用偏移命令,将垂直线依次偏移30,60,30。4、用修剪命令,删除多余的线段。5、填写标题栏的文字:新建一个字体样式用来显示文字。“绘图”/“文字”/“单行文字”输入文字。2.1.2设置绘图单位工作区:即为绘图区。绘图时,需要首先建立一个工作区,包括度量系统、图纸尺寸以及想用的比例等的确定。AutoCAD2010可以对度量单位进行更多的设置。在AutoCAD2010中可以设置绘图使用的长度单位、角度单位及单位的显示格式和度。由于设计单位、项目的不同,同时有不同的度量系统,如英制、米制、工程单位制和建筑单位制等,因此在工作区的建立中,首要的是选择用户需要的单位制。绘图单位的设置打开“图形单位”对话框:“格式”/“单位”。可设置“长度”:设置长度测量单位类型和测量的精度。缺省为小数,精确度是小数后4位。“角度”:设置角度测量单位类型、测量的精度和测量的正方向。其中十进制数一般用于平面图的绘制,为缺省方式。“拖放比例”:设置缩放拖放内容的单位。2.2坐标系与坐标在使用AutoCAD进行绘图时,比如要定位一点,可以通过用鼠标拾取的方法定位点,这种方法简单快捷,但是很难精确地位点的位置,用坐标系统就可以精确地确定某一点的位置。但是坐标是依赖于坐标系而存在的。所以在绘图前必须确定使用什么样的坐标系,这样才能输入什么坐标。2.2.1坐标系AutoCAD默认坐标系和传统的卡笛尔(右手)坐标系相一致。即:X轴为水平轴,向右为正;Y轴为垂直轴,向上为正;Z轴方向垂直于XY平面,指向用户为正。缩写为WCS,这套坐标系为世界坐标系(又称直角坐标系)。在直角坐标系中,图形中的任何一点都是用相对于原点(0,0,0)的距离和方向来表示的。WCS的重要之处就是在绘图中总是要用到,且不能改变。其他任何坐标系都可以相对于它建立起来。2.2.2三种坐标介绍坐标:在屏幕底部状态栏中的左边会显示绘图时鼠标指针当...

1、当您付费下载文档后,您只拥有了使用权限,并不意味着购买了版权,文档只能用于自身使用,不得用于其他商业用途(如 [转卖]进行直接盈利或[编辑后售卖]进行间接盈利)。
2、本站所有内容均由合作方或网友上传,本站不对文档的完整性、权威性及其观点立场正确性做任何保证或承诺!文档内容仅供研究参考,付费前请自行鉴别。
3、如文档内容存在违规,或者侵犯商业秘密、侵犯著作权等,请点击“违规举报”。

碎片内容

第2章AutoCAD绘图环境设置

您可能关注的文档

确认删除?
VIP
微信客服
  • 扫码咨询
会员Q群
  • 会员专属群点击这里加入QQ群
客服邮箱
回到顶部