电脑桌面
添加小米粒文库到电脑桌面
安装后可以在桌面快捷访问

安全保卫岗位说明书AVIP免费

安全保卫岗位说明书A_第1页
1/2
安全保卫岗位说明书A_第2页
2/2
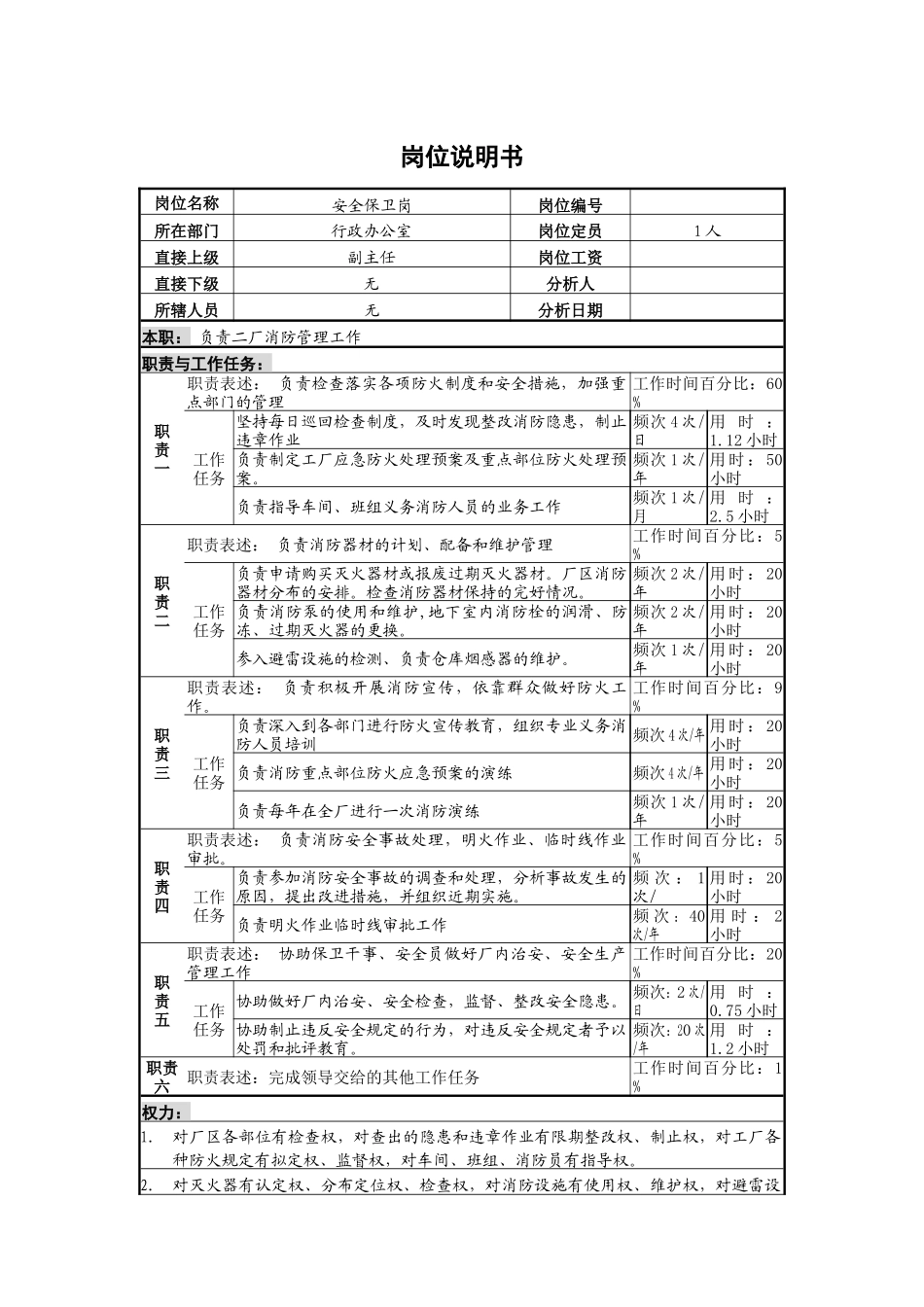
岗位说明书岗位名称安全保卫岗岗位编号所在部门行政办公室岗位定员1人直接上级副主任岗位工资直接下级无分析人所辖人员无分析日期本职:负责二厂消防管理工作职责与工作任务:职责一职责表述:负责检查落实各项防火制度和安全措施,加强重点部门的管理工作时间百分比:60%工作任务坚持每日巡回检查制度,及时发现整改消防隐患,制止违章作业频次4次/日用时:1.12小时负责制定工厂应急防火处理预案及重点部位防火处理预案。频次1次/年用时:50小时负责指导车间、班组义务消防人员的业务工作频次1次/月用时:2.5小时职责二职责表述:负责消防器材的计划、配备和维护管理工作时间百分比:5%工作任务负责申请购买灭火器材或报废过期灭火器材。厂区消防器材分布的安排。检查消防器材保持的完好情况。频次2次/年用时:20小时负责消防泵的使用和维护,地下室内消防栓的润滑、防冻、过期灭火器的更换。频次2次/年用时:20小时参入避雷设施的检测、负责仓库烟感器的维护。频次1次/年用时:20小时职责三职责表述:负责积极开展消防宣传,依靠群众做好防火工作。工作时间百分比:9%工作任务负责深入到各部门进行防火宣传教育,组织专业义务消防人员培训频次4次/年用时:20小时负责消防重点部位防火应急预案的演练频次4次/年用时:20小时负责每年在全厂进行一次消防演练频次1次/年用时:20小时职责四职责表述:负责消防安全事故处理,明火作业、临时线作业审批。工作时间百分比:5%工作任务负责参加消防安全事故的调查和处理,分析事故发生的原因,提出改进措施,并组织近期实施。频次:1次/用时:20小时负责明火作业临时线审批工作频次:40次/年用时:2小时职责五职责表述:协助保卫干事、安全员做好厂内治安、安全生产管理工作工作时间百分比:20%工作任务协助做好厂内治安、安全检查,监督、整改安全隐患。频次:2次/日用时:0.75小时协助制止违反安全规定的行为,对违反安全规定者予以处罚和批评教育。频次:20次/年用时:1.2小时职责六职责表述:完成领导交给的其他工作任务工作时间百分比:1%权力:1.对厂区各部位有检查权,对查出的隐患和违章作业有限期整改权、制止权,对工厂各种防火规定有拟定权、监督权,对车间、班组、消防员有指导权。2.对灭火器有认定权、分布定位权、检查权,对消防设施有使用权、维护权,对避雷设施、烟感器有检查权、维护权。3.对重点部位人员有消防培训权,对演练有指导权。4.对发生的消防事故有调查、建议处罚权,对明火作业、临时线路有审批权。5.对厂内治安、安全有检查监督、整改处罚权。对违反安全规定有制止权、处罚教育权。考核指标:1、每天全厂检查四次,对查出的火灾隐患整改率达100%,违章行为处罚率达95%。防火预案每年修定一次,对车间义务消防队员的工作一月指导一次。2、消防设施完好达到100%。烟感器、避雷设施检测合格率100%。3、职工防火宣传达到90%,对消防重点部位人员培训达到100%。对工厂防火应急预案一年修定一次。4、事故调查真实有笔录,明火作业、临时线路审批率达90%。5、每天协助安全员、治安员厂内检查4次,查出隐患整改率100%。对违反安全规定进行处理率100%。工作协作关系:内部协调关系外部协调关系消防大队任职资格:教育水平中专专业管理工作经验3年以上管理工作经验,具有2年以上专业经验能力要求语言表达能力、协调能力、应变能力、操作能力、组织领导能力个性特征责任心、细心、理性思维生理特征无特殊要求所需培训消防部门的消防管理资格培训7天工作特点:工作场所经常在厂区、车间、办公区巡视工作方式以走动巡视为主工作时间特征经常需要加班工作环境无特别要求体力精力消耗工作压力大,比较紧张劳动保护无特别要求使用工具/设备电话、灭火器、消防泵、水带所需记录文档日志、台帐、计划、总结、讲议备注:

1、当您付费下载文档后,您只拥有了使用权限,并不意味着购买了版权,文档只能用于自身使用,不得用于其他商业用途(如 [转卖]进行直接盈利或[编辑后售卖]进行间接盈利)。
2、本站所有内容均由合作方或网友上传,本站不对文档的完整性、权威性及其观点立场正确性做任何保证或承诺!文档内容仅供研究参考,付费前请自行鉴别。
3、如文档内容存在违规,或者侵犯商业秘密、侵犯著作权等,请点击“违规举报”。

碎片内容

安全保卫岗位说明书A

您可能关注的文档

书海行舟+ 关注
实名认证
内容提供者

热爱教学事业,对互联网知识分享很感兴趣

确认删除?
VIP
微信客服
  • 扫码咨询
会员Q群
  • 会员专属群点击这里加入QQ群
客服邮箱
回到顶部