电脑桌面
添加小米粒文库到电脑桌面
安装后可以在桌面快捷访问

“金钢奖”申报工程汇报资料VIP免费

“金钢奖”申报工程汇报资料_第1页
1/6
“金钢奖”申报工程汇报资料_第2页
2/6
“金钢奖”申报工程汇报资料_第3页
3/6
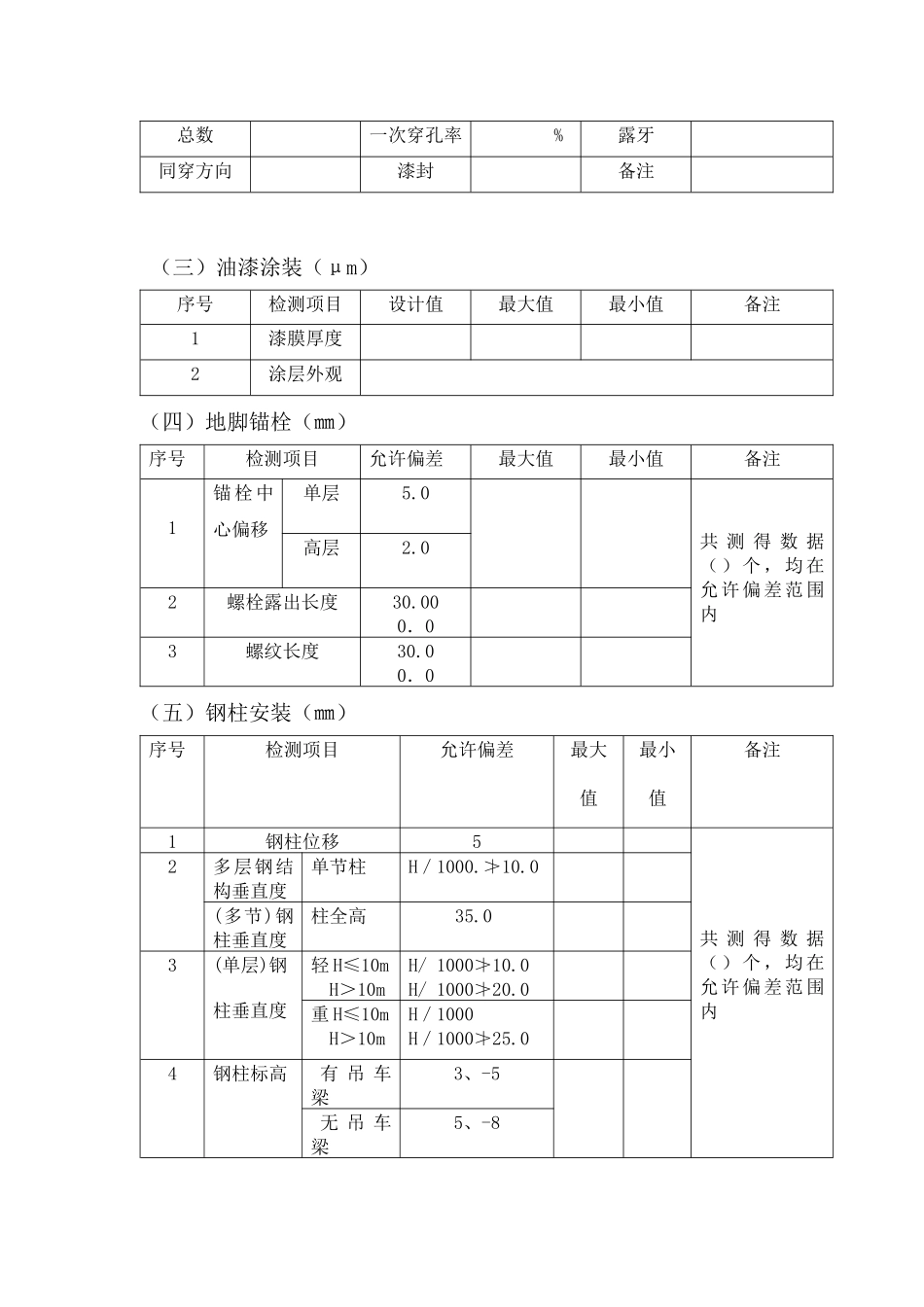
“金钢奖”申报工程汇报资料工程名称申报单位﹙总包﹚申报单位﹙制作﹚申报单位﹙安装﹚工程建设各主体单位建设单位设计单位审图单位总包单位钢结构制作单位钢结构安装单位监理单位质监站2.申报项目概况工程地址总建筑面积(m)层数(层)结构型式总造价(万元)制作价(万元)安装价(万元)总用钢量(吨)平面尺寸(m)檐口标高(m)跨度(m)柱距(m)钢材材质高强螺栓规格地脚螺栓规格钢柱规格钢梁规格垂直支撑规格水平支撑规格屋面系统屋面檩条规格墙面系统除锈等级防腐及防火焊缝质量等级摩擦系数3.工程特点和质量控制要点(800字左右)4.工程质量参数:(一)焊接(m)序号总长度一次探伤合格率1.一级焊缝%2.二级焊缝%3.焊缝外观(二)高强度螺栓连接(副)总数一次穿孔率%露牙同穿方向漆封备注(三)油漆涂装(μm)序号检测项目设计值最大值最小值备注1漆膜厚度2涂层外观(四)地脚锚栓(㎜)序号检测项目允许偏差最大值最小值备注1锚栓中心偏移单层5.0共测得数据()个,均在允许偏差范围内高层2.02螺栓露出长度30.000.03螺纹长度30.00.0(五)钢柱安装(㎜)序号检测项目允许偏差最大值最小值备注1钢柱位移5共测得数据()个,均在允许偏差范围内2多层钢结构垂直度单节柱H/1000.≯10.0(多节)钢柱垂直度柱全高35.03(单层)钢柱垂直度轻H≤10mH>10mH/1000≯10.0H/1000≯20.0重H≤10mH>10mH/1000H/1000≯25.04钢柱标高有吊车梁3、-5无吊车梁5、-8(六)吊车梁安装(㎜)序号检测项目允许偏差最大值最小值备注1跨中垂直度h/500()共测得数据()个,均在允许偏差范围内()指允许值2侧向弯曲L/1500≯10()3拱度≥0(七)屋盖(屋架、实腹梁)安装(㎜)序号检测项目允许偏差最大值最小值备注1跨中垂直度屋架梁h/250,≯15()共测得数据()个,均在允许偏差范围内实腹梁h/5002侧向弯曲H/1000,≯10()(八)管桁架(㎜)序号检测项目偏差允许最大值最小值备注1桁架跨中高度±10.0共测得数据()个,均在允许偏差范围内2桁架跨中拱度要求起拱±L/5000未要求起拱10.0-5.03相邻节间弧杆弯曲L/10004桁架两端支撑面最外测距离L≤24m+3.0;-0.7L>24m+5.0;-10.0(九)檩条、墙梁安装(㎜)序号检测项目允许偏差最大值最小值备注1檩条、墙梁的间距±5.0共测得数据()个,均在允许偏差范围内2墙梁的弯曲矢高L/750,≯10(十)屋面板、墙面板安装(㎜)序号检测项目允许值最大值最小值备注1屋面檐口与屋脊的平行度12.0共测得数据()个,均在允许偏差范围内2檐口相邻两块压型板端部错位6.03压形板波纹线对屋脊的垂直度L/800,≯25.04墙面墙板波纹线的垂直度H/800,≯25.05墙板包角板的垂直度H/800,≯25.06相邻两块压型板的下端错位6.0(十一)网架(㎜)序号检测项目允许偏差值最大值最小值备注1螺栓(锚栓)露出长度30.00.0共测得数据()个,均在允许偏差范围内2螺纹深度(1.1~1﹒2)()3纵向、横向长度L/2000,≯30.0-L/2000,≮-30.04支座中心偏移L/300,≯30.0()5周边支承网架相邻支座高差L/400,≯15.06多点支承网架相邻支座高差L1/800,≯30.07结构挠度值设计值(十二)涂料涂装(㎜)序号检测项目涂装遍数/厚度最大值最小值备注1室内构件有防火要求,厚涂型涂料厚度共测得数据()个,均在允许偏差范围内2室内构件有防火要求,薄涂型涂料厚度(十三)整体垂直度和整体平面弯曲(㎜)序号检测项目允许偏差最大值备注1主休结构的整体垂直度2主体结构的整体平面弯曲

1、当您付费下载文档后,您只拥有了使用权限,并不意味着购买了版权,文档只能用于自身使用,不得用于其他商业用途(如 [转卖]进行直接盈利或[编辑后售卖]进行间接盈利)。
2、本站所有内容均由合作方或网友上传,本站不对文档的完整性、权威性及其观点立场正确性做任何保证或承诺!文档内容仅供研究参考,付费前请自行鉴别。
3、如文档内容存在违规,或者侵犯商业秘密、侵犯著作权等,请点击“违规举报”。

碎片内容

“金钢奖”申报工程汇报资料

确认删除?
VIP
微信客服
  • 扫码咨询
会员Q群
  • 会员专属群点击这里加入QQ群
客服邮箱
回到顶部