电脑桌面
添加小米粒文库到电脑桌面
安装后可以在桌面快捷访问

车间生产副主任岗位说明书VIP免费

车间生产副主任岗位说明书_第1页
1/13
车间生产副主任岗位说明书_第2页
2/13
车间生产副主任岗位说明书_第3页
3/13
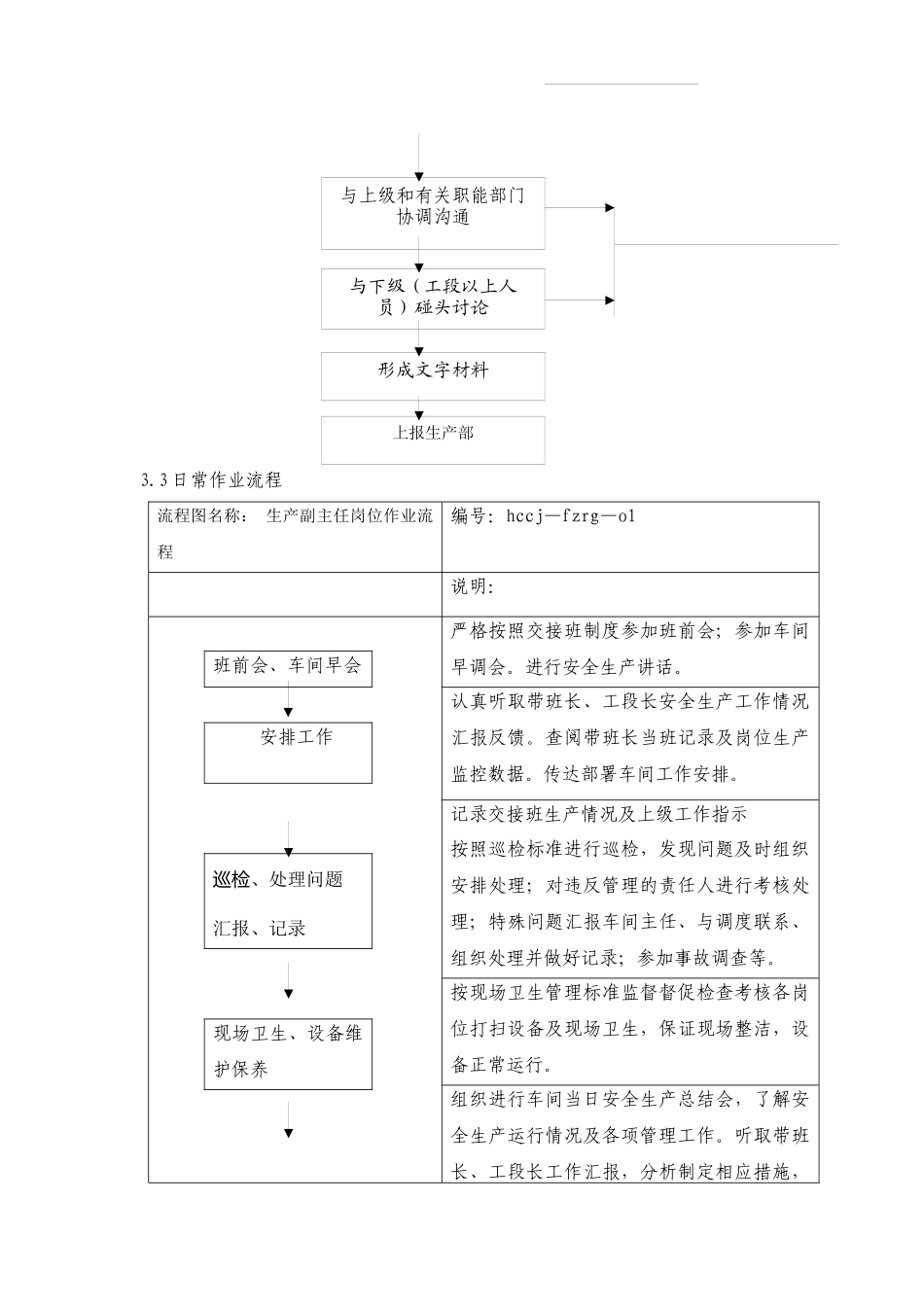
化产车间生产副主任岗位标准化作业指导书1.岗位职责1.1在车间主任领导下,负责本车间的生产工艺管理工作。(主任不在时代行使主任职权)1.2负责组织完成公司下达的生产计划,认真贯彻执行生产调度会的精神和领导指示,组织日常生产。1.3负责生产工艺管理,认真检查生产技术规程,岗位操作法,正常工艺条件和各项工艺技术指标在各岗位的执行情况,及时了解生产中发生的不正常现象,并采取有效措施予以解决。1.4负责车间的生产和半成品的质量管理工作,及时了解和处理影响质量的各种问题。1.5定期进行经济活动分析,降低车间各项消耗定额,及时消除影响消耗降低的各种因素,抓好工段、班组的经济核算,提高经济效益。1.6负责车间的劳动纪律管理,认真贯彻执行公司的各种规章制度,并协助车间主任搞好安全生产工作,减少和杜绝工艺操作事故的发生。1.7搞好车间管理,协调平衡各工段、班组的工作,充分发挥各带班长的作用,组织员工开展技术革新和合理化建议活动。1.8认真执行工段工作日志和岗位操作记录。2.任职资格2.1守国家和中煤九鑫公司的各项规章制度,具备社会基本道德观念,有良好的思想道德素质与敬业精神。2.2具有大专以上学历,相关专业毕业,中级以上职称.或高中学历有5年以上相关工作经验,对化产的生产系统的生产有较强的组织指挥和协调能力。2.3年龄在28-55周岁之间身体健康,无职业病历史,入厂经过医疗部门体检合格。有能力胜任本职工作。2.4具有完成本岗工作所必须的体能、判断能力、情绪控制能力等要求;具有对生产、设备故障的正确判断处理能力和有较强管理协调能力。2.5具有极强的亲和力与服务意识,沟通领悟能力强,工作细致认真,原则性强,有良好的执行力及职业素养。2.6经过公司三级安全教育培训合格,经车间、人力资源部审核确定公司任命后方可上岗进行本岗位工作。3.岗位工作内容3.1建立和健全车间的生产工艺规章制度,并监督执行。3.2协调生产、维修、供应各部门之间的工作,确保生产安全稳定正常运行。3.3制定车间各个工段的生产运行台帐、产品质量台帐等。3.4制定组织大修、停产时采取的具体生产处置措施。3.5组织进行车间定期的操作技能培训工作,提高员工生产业务技能。3.6及时掌握生产动态,保证满足安全生产。3.7组织召开班长、组长例会,总结安排各项生产工作。3.8组织发生事故后事故分析,对存在的问题要保持“四不放过”的态度对责任者提出处理意见、整改措施和实施方案4.岗位作业流程图3.1车间制度的制定实施流程修改补充3.2车间月度计划的编制流程修改根据公司生产管理目标组织编写并定稿制度生成制度谋划会议讨论检查执行情况及效果结合现场实际和相关资料制度下发根据公司的生产计划和实际情况编制各工段的月计划经车间主管主任审核现场核证(设备和工艺管道的运行状况)3.3日常作业流程流程图名称:生产副主任岗位作业流程编号:hccj—fzrg—o1说明:班前会、车间早会安排工作巡检、处理问题汇报、记录现场卫生、设备维护保养严格按照交接班制度参加班前会;参加车间早调会。进行安全生产讲话。认真听取带班长、工段长安全生产工作情况汇报反馈。查阅带班长当班记录及岗位生产监控数据。传达部署车间工作安排。记录交接班生产情况及上级工作指示按照巡检标准进行巡检,发现问题及时组织安排处理;对违反管理的责任人进行考核处理;特殊问题汇报车间主任、与调度联系、组织处理并做好记录;参加事故调查等。按现场卫生管理标准监督督促检查考核各岗位打扫设备及现场卫生,保证现场整洁,设备正常运行。组织进行车间当日安全生产总结会,了解安全生产运行情况及各项管理工作。听取带班长、工段长工作汇报,分析制定相应措施,与上级和有关职能部门协调沟通与下级(工段以上人员)碰头讨论形成文字材料上报生产部安排下达车间工作指示。(事故分析会)如果本车间发生事故,组织进行事故分析。3.4作业细则:3.4.1正常作业:3.4.1.1提前20分钟到岗,详细了解各岗位生产运行情况;按时参加班前会,监督进行交接班。3.4.1.2按时组织参加车间8:00早调会。3.4.1.3听取带班长、工段长工作反馈,传达车间工作安排部署。3.4.1.4巡检各岗位生产运行情况。...

1、当您付费下载文档后,您只拥有了使用权限,并不意味着购买了版权,文档只能用于自身使用,不得用于其他商业用途(如 [转卖]进行直接盈利或[编辑后售卖]进行间接盈利)。
2、本站所有内容均由合作方或网友上传,本站不对文档的完整性、权威性及其观点立场正确性做任何保证或承诺!文档内容仅供研究参考,付费前请自行鉴别。
3、如文档内容存在违规,或者侵犯商业秘密、侵犯著作权等,请点击“违规举报”。

碎片内容

车间生产副主任岗位说明书

书海行舟+ 关注
实名认证
内容提供者

热爱教学事业,对互联网知识分享很感兴趣

确认删除?
VIP
微信客服
  • 扫码咨询
会员Q群
  • 会员专属群点击这里加入QQ群
客服邮箱
回到顶部