电脑桌面
添加小米粒文库到电脑桌面
安装后可以在桌面快捷访问

岗位说明书成品组VIP免费

岗位说明书成品组_第1页
1/6
岗位说明书成品组_第2页
2/6
岗位说明书成品组_第3页
3/6
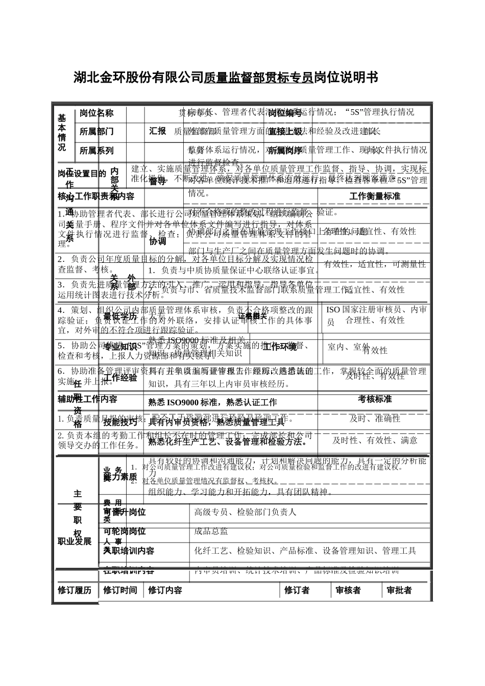
湖北金环股份有限公司质量监督部质量监督员岗位说明书基本情况岗位名称质量监督员岗位编号所属部门质量监督部直接上级成品总监直接下属所属岗序七岗所属系列操作岗位设置目的对各产品实物质量实行监控,确保出厂的产品质量满足标准要求,达到顾客满意。核心工作职责和内容工作衡量标准1.负责对公司生产的六大产品的物理指标进行抽查、考核。及时性、有效性、适宜性2.负责对粘胶长丝的外观质量进行抽检并考核。及时性、有效性3.负责对粘胶长丝进行产品质量审核。有效性、准确性4.负责对各检验部门的检验过程进行监督检查。及时性、有效性5.对各产品的检验状态和使用的检测设备的完好情况进行检查。及时性6.负责对各单位成品检验员进行业务培训。有效性7.负责检验报表的编制和汇总、上报。及时率、差错率8.负责公司废品出厂的监督管理。准确性9.10.辅助性工作内容考核标准1.完成部门交办的其它任务。及时、满意率2.主要职权业务类1.对公司质量检验和监督工作的改进有建议权。2.对各检验部门有考核权、监督权。费用审批类人事类工作沟通关系内部关系汇报向成品总监汇报产品质量监督过程中发现的情况。督导协调外部关系任职资格最低学历初中相关资格证书检验员资格证书专业知识化纤工艺、纤维检验知识工作环境湿度大、接触有毒气体、高温工作经验三年以上质量检验工作经历,熟悉各产品检验知识和操作技能技巧1.熟练掌握纤维的各种检测手段。2.熟悉产品的检验标准。3.熟悉检测设备的相关知识。能力素质具备一定的学习能力,有较强的沟通能力、解决问题的能力和执行能力,具有团队精神。职业发展可晋升岗位成品总监可轮岗岗位公司各成品检验岗位入职培训内容化纤工艺知识、产品标准、质量体系文件、纤维鉴别知识在职培训内容作业指导书、产品标准、安全教育修订履历修订时间修订内容修订者审核者审批者湖北金环股份有限公司质量监督部贯标专员岗位说明书工作沟通关系内部关系汇报向部长、管理者代表汇报体系运行情况;“5S”管理执行情况外部在质量管理方面的先进方法和经验及改进建议督导监督体系运行情况,对各单位质量管理工作、现场文件执行情况进行监督检查。对各单位统计技术推广和运用进行指导。检查各单位“5S”管理情况。对不合格项的整改过程进行监督、验证。协调协调部门之间在质量管理工作接口上存在的问题部门与生产厂之间在质量管理方面发生问题时的协调。外部关系1.负责与中质协质量保证中心联络认证事宜。2.负责与市、省质量技术监督部门联系质量管理工作。任职资格最低学历大专相关资格证书ISO国家注册审核员、内审员专业知识熟悉ISO9000标准及相关知识、质量管理相关知识工作环境室内、室外工作经验具有五年以上质量管理工作经历,熟悉认证工作,掌握较全面的质量管理知识,具有三年以上内审员审核经历。技能技巧熟悉ISO9000标准,熟悉认证工作具有内审员资格,熟悉质量管理工具熟悉化纤生产工艺、设备管理和检验方法。能力素质具有较好的协调和沟通能力,计划和解决问题的能力,具有一定的分析能力组织能力、学习能力和开拓能力,具有团队精神。职业发展可晋升岗位高级专员、检验部门负责人可轮岗岗位成品总监入职培训内容化纤工艺、检验知识、产品标准、设备管理知识、管理工具在职培训内容内审员培训、统计技术培训、产品标准及检验知识培训修订履历修订时间修订内容修订者审核者审批者基本情况岗位名称贯标专员岗位编号所属部门质量监督部直接上级部长所属系列专员所属岗序十岗岗位设置目的建立、实施质量管理体系,对各单位质量管理工作监督、指导、协调,实现标准化操作,不断改进,确保质量管理体系有效运行,最终达到顾客满意。核心工作职责和内容工作衡量标准1.协助管理者代表、部长进行公司质量管理体系策划,组织编制公司质量手册、程序文件并对各单位体系文件编写进行指导,对体系文件执行情况进行监督、检查;负责公司质量管理体系文件的管理。合理性、适宜性、有效性2.负责公司年度质量目标的分解,对各单位目标分解及实现情况检查监督、考核。有效性,适宜性,可测量性3.负责先进质量管理方法的引入、推广、运用和指导;指导各单位运用统计图...

1、当您付费下载文档后,您只拥有了使用权限,并不意味着购买了版权,文档只能用于自身使用,不得用于其他商业用途(如 [转卖]进行直接盈利或[编辑后售卖]进行间接盈利)。
2、本站所有内容均由合作方或网友上传,本站不对文档的完整性、权威性及其观点立场正确性做任何保证或承诺!文档内容仅供研究参考,付费前请自行鉴别。
3、如文档内容存在违规,或者侵犯商业秘密、侵犯著作权等,请点击“违规举报”。

碎片内容

岗位说明书成品组

确认删除?
VIP
微信客服
  • 扫码咨询
会员Q群
  • 会员专属群点击这里加入QQ群
客服邮箱
回到顶部