电脑桌面
添加小米粒文库到电脑桌面
安装后可以在桌面快捷访问

二级接触氧化池处理油漆废水毕业设计VIP免费

二级接触氧化池处理油漆废水毕业设计_第1页
1/51
二级接触氧化池处理油漆废水毕业设计_第2页
2/51
二级接触氧化池处理油漆废水毕业设计_第3页
3/51
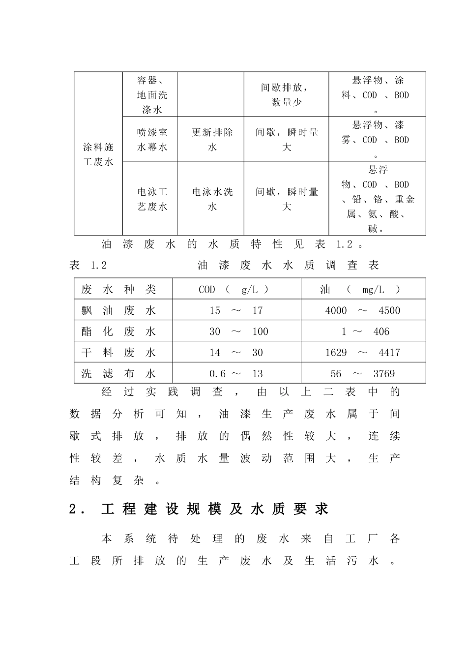
1.概述油漆的生产和应用已有悠久的历史,早在几千年前我国就已开始使用油漆,当时使用的油漆是从漆树上采取的漆液加工成天然漆。如从桐油籽榨取桐油,加工炼制成熟桐油,然后加或不加天然颜料(如红土、银朱等)而制成的。现代由于合成材料的出现,给油漆原料开辟了新的来源。当广泛的利用各种合成材料——合成树脂、颜料及有机溶剂等——来制造油漆后,具有多种多样的性能的新品种就日新月异的增加起来了。这也就是现在人们所熟悉的涂料。在涂料生产过程中产生排放的废水,其中常含有酚类、苯类及重金属(表面处理)等有毒有害物质。酚是一种化学助致癌剂,如果将高浓度的含酚废水排放到水域里会使水生物受到损害。目前涂料工业使用的颜料中还含有铅和铬。铅是目前最广泛的污染元素,其对造血系统的危害作用主要涉及大脑、小脑以及脊髓和周围神经。铬化物毒性很大,主要通过饮用水和食物进入人体。因此涂料废水对水域的危害非常严重,必须对其进行有效的治理。油漆的主要原料——油、树脂和染料。油漆的组成物质决定了油漆废水的成分。使得废水中的有机物种类多,成分复杂,COD含量高,并具有一定的毒性,此类废水的特点是:⑴单位产品的废水产生量少,但污染物组成十分复杂;⑵含多种有毒性的、难于生化降解的高分子有机化合物,且浓度很高(COD>10~20g/L);⑶废水中固体物含量也很高。油漆废水主要污染的来源见表1.1。表1.1油漆生产和施工产生的废水成分分类废水种类排放特点主要污染物成分废水来源涂料生产废水设备、地面洗涤水溶剂型涂料废水间歇排放,数量波动大碱性,含COD、染料及助剂、悬浮物。涂料施工废水容器、地面洗涤水间歇排放,数量少悬浮物、涂料、COD、BOD。喷漆室水幕水更新排除水间歇,瞬时量大悬浮物、漆雾、COD、BOD。电泳工艺废水电泳水洗水间歇,瞬时量大悬浮物、COD、BOD、铅、铬、重金属、氨、酸、碱。油漆废水的水质特性见表1.2。表1.2油漆废水水质调查表废水种类COD(g/L)油(mg/L)飘油废水15~174000~4500酯化废水30~1001~406干料废水14~301629~4417洗滤布水0.6~1356~3769经过实践调查,由以上二表中的数据分析可知,油漆生产废水属于间歇式排放,排放的偶然性较大,连续性较差,水质水量波动范围大,生产结构复杂。2.工程建设规模及水质要求本系统待处理的废水来自工厂各工段所排放的生产废水及生活污水。处理站的建设规模为日处理油漆废水500m3/d及生活污水700m3/d,污水总变化系数KZ为1.3。污水经处理后达到《污水综合排放标准》(GB8978——1996)中规定的二级新扩改标准。本废水处理站设计进出水水质情况见表2.1。表2.1生产废水水质及排放要求项目COD(mg/L)BOD5(mg/L)SS(mg/L)石油类(mg/L)PH值油漆废水4800――――5006~9生活污水400――――――――排放要求<150<30<150<106~93.方案选择3.1方案选择的原则3.1.1技术先进、工艺合理、适用性强、有较好的耐冲击性和可操作性。3.1.2处理效果稳定,有害物去除率高,处理后的废水可稳定达到国家规定的排放标准。3.1.3运行、管理、操作方便,设备维护简便易行。3.1.4运行费用(电费、药剂费)低,降低运行成本。3.1.5基建投资省,占地面积小。3.1.6污泥量少,脱水性能好;3.1.7对有毒有害物质具有一定的去除效果。3.2方案比选目前,国内处理油漆废水多采用物化+生化的处理工艺。物化处理方法主要工艺是隔油+混凝气浮;生化处理方法主要工艺有生物接触氧化法、高负荷生物滤池、塔式生物滤池、普通活性污泥法等,它们的主要技术参数如表3.1:表3.1生化处理工艺主要设计参数一览表处理工艺生物量g/m3BOD容积负荷BOD5/(m3·d)水力停留时间hBOD5去除率%生物接触氧化池10~201.5~3.01.5~3.080~90高负荷生物滤池0.7~7.01.2——75~90塔式生物滤池0.7~7.01.0~3.0——60~85普通活性污泥法1.5~3.00.4~0.94~1285~95由表3.1的工艺比较可以看出生物接触氧化法和塔式生物滤池法的处理能力较强,可以考虑选用,对其进行进一步的比较如下:⑴生物接触氧化法由于填料比表面积大,池内充氧条件好,氧化池内单位容积的生物量高于活性污泥法曝气池及生物滤池,因此,它可达到较高...

1、当您付费下载文档后,您只拥有了使用权限,并不意味着购买了版权,文档只能用于自身使用,不得用于其他商业用途(如 [转卖]进行直接盈利或[编辑后售卖]进行间接盈利)。
2、本站所有内容均由合作方或网友上传,本站不对文档的完整性、权威性及其观点立场正确性做任何保证或承诺!文档内容仅供研究参考,付费前请自行鉴别。
3、如文档内容存在违规,或者侵犯商业秘密、侵犯著作权等,请点击“违规举报”。

碎片内容

二级接触氧化池处理油漆废水毕业设计

您可能关注的文档

确认删除?
VIP
微信客服
  • 扫码咨询
会员Q群
  • 会员专属群点击这里加入QQ群
客服邮箱
回到顶部