电脑桌面
添加小米粒文库到电脑桌面
安装后可以在桌面快捷访问

钢铁行业-质保部-化验室主管岗位说明书VIP免费

钢铁行业-质保部-化验室主管岗位说明书_第1页
1/2
钢铁行业-质保部-化验室主管岗位说明书_第2页
2/2
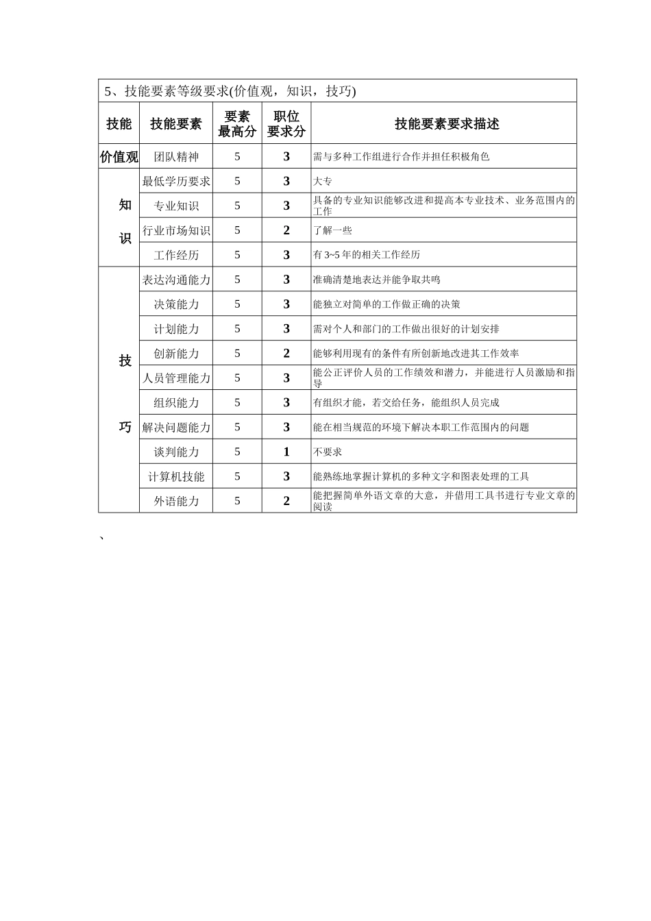
质保部化验室主管职位说明书一、职位概述职位名称化验室主管职位编号Q-03所属部门质保部职位级别直接上级质保部经理定员人数1人直接下级化验员二、职位职责1.职责摘要在质保经理的领导下,负责化验室的日常管理工作。2.职责说明1)负责依据公司有关的标准、规范监督化验、检验工作的实施;2)负责拟订化验、实验操作规程,经批准后,负责监督执行;3)负责拟订实验设备、仪器的维护、更新方案,拟订有关具体工作计划;4)负责引进本室引进设备、技术的消化和转化;5)负责本部门设备、仪器的档案管理工作;6)负责本部门所出具检验报告的档案管理工作;7)负责对国内外同行业先进设备信息的收集和整理;8)负责组织本室员工的内部专业培训活动;9)负责本室员工安全教育、检查工作;10)负责对下属员工的考核;11)负责审核本室出具的化验、实验报告;12)完成上级领导临时交办任务。三、任职资格1、年龄30岁以上2、专业要求仪器仪表或相关专业3、性别不限4、特殊资格要求5、技能要素等级要求(价值观,知识,技巧)技能技能要素要素最高分职位要求分技能要素要求描述价值观团队精神53需与多种工作组进行合作并担任积极角色知识最低学历要求53大专专业知识53具备的专业知识能够改进和提高本专业技术、业务范围内的工作行业市场知识52了解一些工作经历53有3~5年的相关工作经历技巧表达沟通能力53准确清楚地表达并能争取共鸣决策能力53能独立对简单的工作做正确的决策计划能力53需对个人和部门的工作做出很好的计划安排创新能力52能够利用现有的条件有所创新地改进其工作效率人员管理能力53能公正评价人员的工作绩效和潜力,并能进行人员激励和指导组织能力53有组织才能,若交给任务,能组织人员完成解决问题能力53能在相当规范的环境下解决本职工作范围内的问题谈判能力51不要求计算机技能53能熟练地掌握计算机的多种文字和图表处理的工具外语能力52能把握简单外语文章的大意,并借用工具书进行专业文章的阅读、

1、当您付费下载文档后,您只拥有了使用权限,并不意味着购买了版权,文档只能用于自身使用,不得用于其他商业用途(如 [转卖]进行直接盈利或[编辑后售卖]进行间接盈利)。
2、本站所有内容均由合作方或网友上传,本站不对文档的完整性、权威性及其观点立场正确性做任何保证或承诺!文档内容仅供研究参考,付费前请自行鉴别。
3、如文档内容存在违规,或者侵犯商业秘密、侵犯著作权等,请点击“违规举报”。

碎片内容

钢铁行业-质保部-化验室主管岗位说明书

您可能关注的文档

确认删除?
VIP
微信客服
  • 扫码咨询
会员Q群
  • 会员专属群点击这里加入QQ群
客服邮箱
回到顶部