电脑桌面
添加小米粒文库到电脑桌面
安装后可以在桌面快捷访问

高低压电器装配工-湖南省人力资源和社会保障厅VIP免费

高低压电器装配工-湖南省人力资源和社会保障厅_第1页
1/12
高低压电器装配工-湖南省人力资源和社会保障厅_第2页
2/12
高低压电器装配工-湖南省人力资源和社会保障厅_第3页
3/12
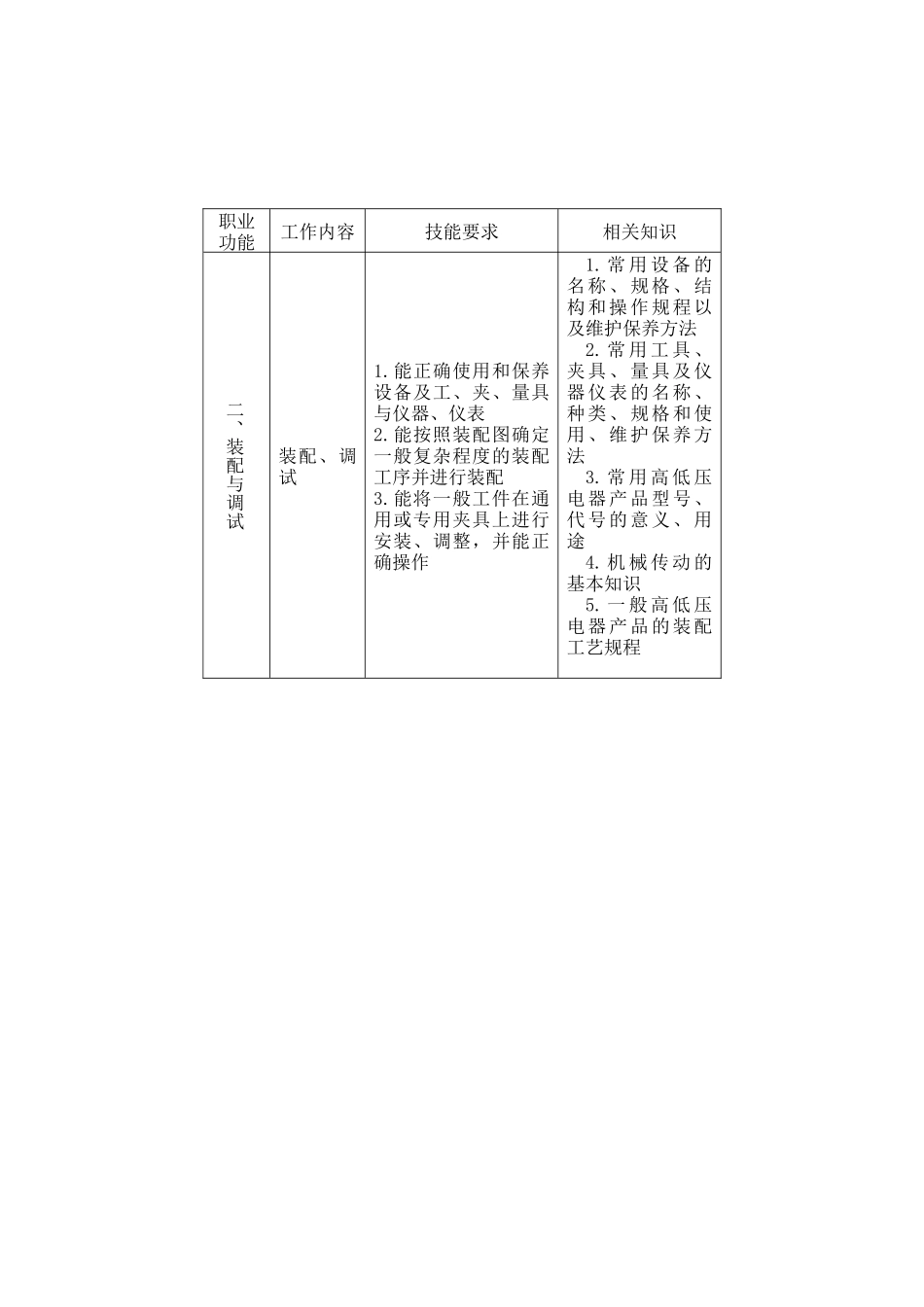
1.1职业名称高低压电器装配工。1.2职业定义操作机械设备,使用工艺装备、仪器、仪表进行高低压电气组合装配与调试的人员。1.3职业等级本职业共设五个等级,分别为:初级(国家职业资格五级)、中级(国家职业资格四级)、高级(国家职业资格三级)、技级(国家职业资格二级)、高级技师(国家职业资格一级)。1.8.2申报条件——初级(具备以下条件之一者)(1)经本职业初级正规培训达规定标准学时数,并取得毕(结)业证书。(2)在本职业连续见习工作3年以上。(3)从事本职业学徒期满。——中级(具备以下条件之一者)(1)取得本职业初级职业资格证书后,连续从事本职业工作3年以上,经本职业中级正规培训达规定标准学时数,并取得毕(结)业证书。(2)取得本职业初级职业资格证书后,连续从事本职业工作5年以上。(3)连续从事本职业工作7年以上。(4)取得经劳动保障行政部门审核认定的、以中级技能为培训目标的中等以上职业学校本职业(专业)毕业证书。——高级(具备以下条件之一者)(1)取得本职业中级职业资格证书后,连续从事本职业工作4年以上,经本职业高级正规培训达规定标准学时数,并取得毕(结)业证书。(2)取得本职业中级职业资格证书后,连续从事本职业工作7年以上。(3)取得高级技工学校或经劳动保障行政部门审核认定的、以高级技能为培训目标的高等职业学校本职业(专业)毕业证书。(4)取得本职业中级职业资格证书的大专以上本专业或相关专业毕业生,连续从事本职业工作满2年。——技师(具备以下条件之一者)(1)取得本职业高级职业资格证书后,连续从事本职业工作5年以上,经本职业技师正规培训达规定标准学时数,并取得毕(结)业证书。(2)取得本职业高级职业资格证书后,连续从事本职业工作8年以上。(3)取得本职业高级职业资格证书的高级技工学校本职业(专业)毕业生和大专以上本专业或相关专业毕业生,连续从事本职业工作满2年。——高级技师(具备以下条件之一者)(1)取得本职业技师职业资格证书后,连续从事本职业工作3年以上,经本职业高级技师正规培训达规定标准学时数,并取得毕(结)业证书。(2)取得本职业技师职业资格证书后,连续从事本职业工作5年以上。3.工作要求本标准对初级、中级、高级、技师、高级技师的技能要求依次递进,高级别包括低级别的要求。3.1初级职业功能工作内容技能要求相关知识一、工作前准备(一)劳动保护与安全文明生产1.能正确准备个人劳动保护用品,执行装配工安全操作规程,遵守危险设备及危险区域的管理规范2.能正确采用安全措施保护自己,保证工作安全1.高低压电器装配工安全操作规程2.手动工具与手持电动、风动工具安全技术知识3.电气安全技术操作规程(二)工具、量具及仪器、仪表选用能根据装配内容合理选用工具、量具常用工具、量具的名称、用途和使用、维护方法(三)材料选用能根据装配内容正确选用材料、零部件常用材料的名称、种类、性能及用途(四)电气与机械识图1.能读懂电动机可逆启动控制线路图等一般复杂程度的装配图及电气控制原理图和接线图2.能分析和判断故障可能存在的范围与部位一般复杂程度的装配图及电气控制原理图和接线图的读图方法职业功能工作内容技能要求相关知识二、装配与调试装配、调试1.能正确使用和保养设备及工、夹、量具与仪器、仪表2.能按照装配图确定一般复杂程度的装配工序并进行装配3.能将一般工件在通用或专用夹具上进行安装、调整,并能正确操作1.常用设备的名称、规格、结构和操作规程以及维护保养方法2.常用工具、夹具、量具及仪器仪表的名称、种类、规格和使用、维护保养方法3.常用高低压电器产品型号、代号的意义、用途4.机械传动的基本知识5.一般高低压电器产品的装配工艺规程3.2中级职业功能工作内容技能要求相关知识一、工作前准备(一)工具、量具及仪器、仪表选用能根据工作内容正确选用检测仪器、仪表和调试设备常用仪器、仪表调试设备的种类、特点及使用范围(二)电气与机械识图能读懂ZN28-10、ZN63A-10型短路器和JC22-6J型接触器等较复杂相关设备的装配图、电气控制原理图及接线图1.电气图的分类与制图规则2.较复杂的装配图、电气图的读图方...

1、当您付费下载文档后,您只拥有了使用权限,并不意味着购买了版权,文档只能用于自身使用,不得用于其他商业用途(如 [转卖]进行直接盈利或[编辑后售卖]进行间接盈利)。
2、本站所有内容均由合作方或网友上传,本站不对文档的完整性、权威性及其观点立场正确性做任何保证或承诺!文档内容仅供研究参考,付费前请自行鉴别。
3、如文档内容存在违规,或者侵犯商业秘密、侵犯著作权等,请点击“违规举报”。

碎片内容

高低压电器装配工-湖南省人力资源和社会保障厅

您可能关注的文档

书海行舟+ 关注
实名认证
内容提供者

热爱教学事业,对互联网知识分享很感兴趣

确认删除?
VIP
微信客服
  • 扫码咨询
会员Q群
  • 会员专属群点击这里加入QQ群
客服邮箱
回到顶部