电脑桌面
添加小米粒文库到电脑桌面
安装后可以在桌面快捷访问

某工厂岗位说明书手册VIP免费

某工厂岗位说明书手册_第1页
1/198
某工厂岗位说明书手册_第2页
2/198
某工厂岗位说明书手册_第3页
3/198
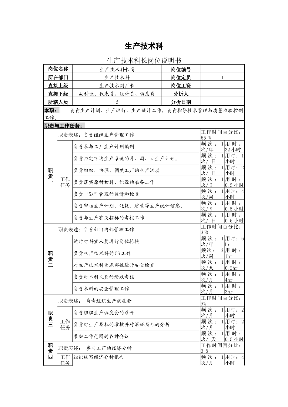
目录生产技术科......................................................................................................................................3生产技术科长岗位说明书.....................................................................................................3生产技术副科长岗位说明书.................................................................................................5质检班长岗位说明书.............................................................................................................9包装质检岗位说明书...........................................................................................................12外检岗岗位说明书...............................................................................................................14化验室主任岗位说明书.......................................................................................................16工艺管理岗位说明书...........................................................................................................20酵母扩培岗位说明书...........................................................................................................24理化分析岗位说明书...........................................................................................................29特殊分析岗位说明书...........................................................................................................33微生物检验岗位说明书.......................................................................................................36原料分析岗位说明书...........................................................................................................39生产综合统计岗位说明书...................................................................................................43计量仪表岗位说明书...........................................................................................................46生产调度岗位说明书...........................................................................................................48瓶场51瓶场主任岗位说明书...........................................................................................................51旧瓶班长岗位说明书...........................................................................................................54旧瓶保管员岗位说明书.......................................................................................................57客户麻袋保管员岗位说明书...............................................................................................59发瓶保管员岗位说明书.......................................................................................................62新瓶班长岗位说明书...........................................................................................................64结算员岗位说明书...............................................................................................................67麻袋保管员岗位说明书.......................................................................................................69塑料箱保管员岗位说明书...................................................................................................71新瓶保管员岗位说明书.......................................................................................................74记帐员岗位说明书................

1、当您付费下载文档后,您只拥有了使用权限,并不意味着购买了版权,文档只能用于自身使用,不得用于其他商业用途(如 [转卖]进行直接盈利或[编辑后售卖]进行间接盈利)。
2、本站所有内容均由合作方或网友上传,本站不对文档的完整性、权威性及其观点立场正确性做任何保证或承诺!文档内容仅供研究参考,付费前请自行鉴别。
3、如文档内容存在违规,或者侵犯商业秘密、侵犯著作权等,请点击“违规举报”。

碎片内容

某工厂岗位说明书手册

您可能关注的文档

确认删除?
VIP
微信客服
  • 扫码咨询
会员Q群
  • 会员专属群点击这里加入QQ群
客服邮箱
回到顶部