电脑桌面
添加小米粒文库到电脑桌面
安装后可以在桌面快捷访问

环境监测人员持证上岗考核合格人员VIP免费

环境监测人员持证上岗考核合格人员_第1页
1/21
环境监测人员持证上岗考核合格人员_第2页
2/21
环境监测人员持证上岗考核合格人员_第3页
3/21
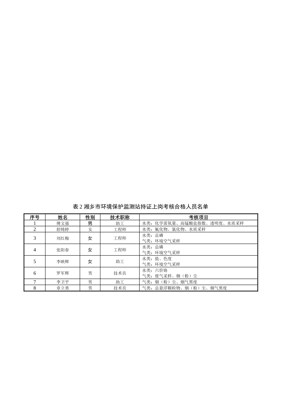
附件:环境监测人员持证上岗考核合格人员表1湘潭市环境保护监测站持证上岗考核合格人员名单序号姓名性别技术职称考核项目1杨力男工程师水类:铅、锌2徐晓宇男工程师水类:化学需氧量、生化需氧量、汞、氯离子、溶解氧、砷、3王和文男高工水类:挥发酚、环境空气和废气:二氧化氮4刘可女助工水类:汞、铅、钡、钼、硼、氟化物、氯化物、硝酸根、硫酸根环境空气和废气:二氧化氮、可吸入颗粒物5李玉琼女工程师水类:铁、锰、镍、6林夕园女/水类:硝基苯、苯胺、粪大肠菌群(类)细菌总数、环境空气和废气:二氧化氮7蒋武男助工水类:六价铬、总铬、8何立志男助工水类:总铬、六价铬、汞、氯离子、甲醛、砷、综合技术9周玲女/水类:化学需氧量、石油类、10黄警萱女/水类:氨氮、阴离子洗涤剂、环境空气和废气:氨、11阳志敏女助工水类:苯系物、石油类、环境空气和废气:苯系物12罗一苇男/水类:总磷、总氮、镉一三陈任翔男高工水类:锌、镉、锰、铅14戴晖女高工水类:镉、铅、镍一五欧政林男工程师气类:烟尘、废气采样、噪声和振动类:城市区域环境噪声、厂界噪声、16侯天兰女高工水类:水质采样噪声和振动类:城市区域环境噪声、厂界噪声、17齐勇刚男工程师水类:氯离子、砷、汞、水质采样气类:降尘采样、烟尘、废气采样、噪声和振动类:城市区域环境噪声、厂界噪声、一八欧阳辉男助工气类:降尘采样、烟尘、废气采样、噪声和振动类:城市区域环境噪声、厂界噪声、19周键男/水类:水质采样气类:降尘采样、烟尘、废气采样、噪声和振动类:城市区域环境噪声、厂界噪声、20邱湛女/气类:大气采样、水类:水质采样噪声和振动类:厂界噪声、21戴治华男助工水类:水质采样气类:降尘采样、噪声和振动类:城市区域环境噪声、22赵冯韬男技术员水类:水质采样气类:降尘采样、烟尘、废气采样、噪声和振动类:厂界噪声、23李罗生男/气类:降尘采样、烟尘、废气采样、噪声和振动类:城市区域环境噪声、厂界噪声、24胡卫武男助工气类:降尘采样、噪声和振动类:城市区域环境噪声、25吴杨志男工程师气类:烟尘、废气采样、噪声和振动类:厂界噪声、26徐欣女工程师综合技术27刘蓉女工程师综合技术28张乐平男技术员综合技术29刘弋纯男助工质量管理表2湘乡市环境保护监测站持证上岗考核合格人员名单序号姓名性别技术职称考核项目1傅文强男助工水类:化学需氧量、高锰酸盐指数、透明度、水质采样2舒绮婷女工程师水类:氟化物、氯化物、水质采样3刘红梅女工程师水类:总磷气类:环境空气采样4张阳春女工程师水类:总磷气类:环境空气采样5李映辉女助工水类:值、色度气类:环境空气采样6罗军辉男技术员水类:六价铬气类:废气采样、烟(粉)尘7李卫平男助工气类:烟(粉)尘、烟气黑度8章立勇男技术员气类:总悬浮颗粒物、烟(粉)尘、烟气黑度表3湘潭县环境保护监测站持证上岗考核合格人员名单序号姓名性别技术职称考核项目1张萼丰男助工水类:六价铬2汤慧女助工水类:六价铬3卢小宁女技术员水类:化学需氧量、锰4颜瑞华男技术员水类:锰5陈玲慧女技术员水类:锰、六价铬、氨氮表4常德市环境监测站持证上岗考核合格人员名单序号姓名性别技术职称考核项目1张运广男助工气类:饮食业油烟采样废气采样噪声和振动:铁路边界噪声机场噪声道路交通噪声振动社会生活环境噪声2王娅妮女助工气类:饮食业油烟采样废气采样噪声和振动:铁路边界噪声机场噪声道路交通噪声振动社会生活环境噪声3黄鑫男助工水类:水质采样气类:环境空气采样饮食业油烟采样废气采样噪声和振动:铁路边界噪声机场噪声道路交通噪声振动社会生活环境噪声4李洪波男助工水类:水质采样气类:环境空气采样饮食业油烟采样废气采样噪声和振动:铁路边界噪声机场噪声道路交通噪声振动社会生活环境噪声5许晓莉女工程师水类:水质采样气类:环境空气采样噪声和振动:道路交通噪声社会生活环境噪声6胡建均男工程师水类:水质采样气类:环境空气采样噪声和振动:道路交通噪声社会生活环境噪声7李泽龙男/水类:色度浊度酸度碱度电导率气类:氨气铅铜锌镍锰镉铬铁铬酸雾室内空气:氨8彭荣乐男/水类:总残渣矿化度总硬度悬浮物全盐量气类:总悬浮...

1、当您付费下载文档后,您只拥有了使用权限,并不意味着购买了版权,文档只能用于自身使用,不得用于其他商业用途(如 [转卖]进行直接盈利或[编辑后售卖]进行间接盈利)。
2、本站所有内容均由合作方或网友上传,本站不对文档的完整性、权威性及其观点立场正确性做任何保证或承诺!文档内容仅供研究参考,付费前请自行鉴别。
3、如文档内容存在违规,或者侵犯商业秘密、侵犯著作权等,请点击“违规举报”。

碎片内容

环境监测人员持证上岗考核合格人员

您可能关注的文档

确认删除?
VIP
微信客服
  • 扫码咨询
会员Q群
  • 会员专属群点击这里加入QQ群
客服邮箱
回到顶部