电脑桌面
添加小米粒文库到电脑桌面
安装后可以在桌面快捷访问

石羊河流域重点治理规划(八-2)-8重点治理措施VIP免费

石羊河流域重点治理规划(八-2)-8重点治理措施_第1页
1/12
石羊河流域重点治理规划(八-2)-8重点治理措施_第2页
2/12
石羊河流域重点治理规划(八-2)-8重点治理措施_第3页
3/12
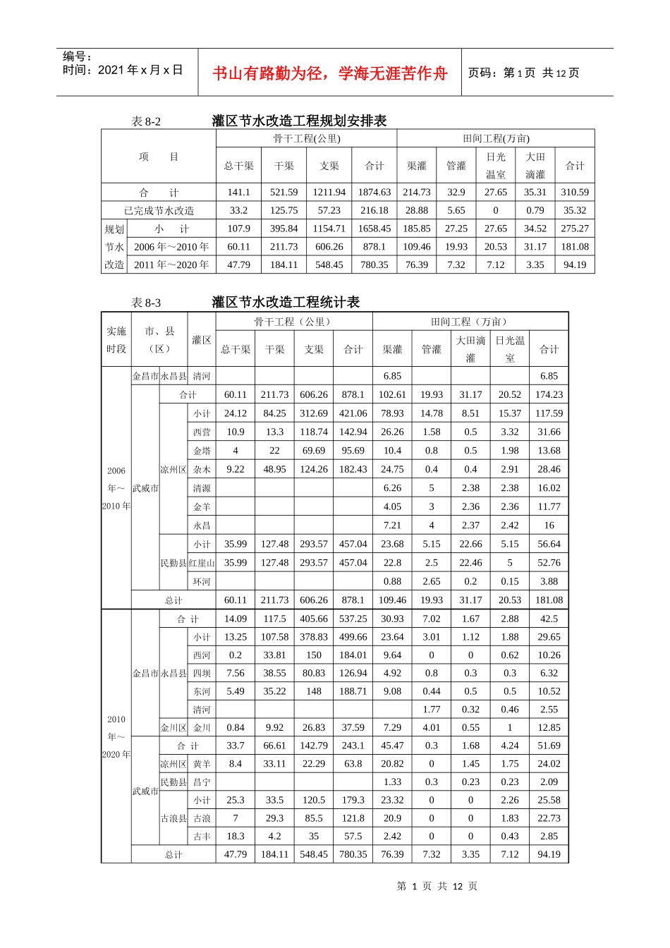
第1页共12页编号:时间:2021年x月x日书山有路勤为径,学海无涯苦作舟页码:第1页共12页表8-2灌区节水改造工程规划安排表项目骨干工程(公里)田间工程(万亩)总干渠干渠支渠合计渠灌管灌日光温室大田滴灌合计合计141.1521.591211.941874.63214.7332.927.6535.31310.59已完成节水改造33.2125.7557.23216.1828.885.6500.7935.32规划节水改造小计107.9395.841154.711658.45185.8527.2527.6534.52275.272006年~2010年60.11211.73606.26878.1109.4619.9320.5331.17181.082011年~2020年47.79184.11548.45780.3576.397.327.123.3594.19表8-3灌区节水改造工程统计表实施时段市、县(区)灌区骨干工程(公里)田间工程(万亩)总干渠干渠支渠合计渠灌管灌大田滴灌日光温室合计2006年~2010年金昌市永昌县清河6.856.85武威市合计60.11211.73606.26878.1102.6119.9331.1720.52174.23凉州区小计24.1284.25312.69421.0678.9314.788.5115.37117.59西营10.913.3118.74142.9426.261.580.53.3231.66金塔42269.6995.6910.40.80.51.9813.68杂木9.2248.95124.26182.4324.750.40.42.9128.46清源6.2652.382.3816.02金羊4.0532.362.3611.77永昌7.2142.372.4216民勤县小计35.99127.48293.57457.0423.685.1522.665.1556.64红崖山35.99127.48293.57457.0422.82.522.46552.76环河0.882.650.20.153.88总计60.11211.73606.26878.1109.4619.9331.1720.53181.082010年~2020年金昌市合计14.09117.5405.66537.2530.937.021.672.8842.5永昌县小计13.25107.58378.83499.6623.643.011.121.8829.65西河0.233.81150184.019.64000.6210.26四坝7.5638.5580.83126.944.920.80.30.36.32东河5.4935.22148188.719.080.440.50.510.52清河1.770.320.462.55金川区金川0.849.9226.8337.597.294.010.55112.85武威市合计33.766.61142.79243.145.470.31.684.2451.69凉州区黄羊8.433.1122.2963.820.8201.451.7524.02民勤县昌宁1.330.30.230.232.09古浪县小计25.333.5120.5179.323.32002.2625.58古浪729.385.5121.820.9001.8322.73古丰18.34.23557.52.42000.432.85总计47.79184.11548.45780.3576.397.323.357.1294.19第2页共12页第1页共12页编号:时间:2021年x月x日书山有路勤为径,学海无涯苦作舟页码:第2页共12页按县区分金昌市合计14.09117.5405.66537.2537.787.021.672.8849.35永昌县13.25107.58378.83499.6630.493.011.121.8836.5金川区0.849.9226.8337.597.294.010.55112.85武威市合计93.81278.34749.051121.2148.0820.2332.8524.76225.92凉州区32.52117.36334.98484.8699.7514.789.9617.12141.61民勤县35.99127.48293.57457.0425.015.4522.895.3858.73古浪县25.333.5120.5179.323.32002.2625.58流域合计107.9395.841154.711658.45185.8527.2534.5227.65275.27通过以上灌区节水改造工程的实施、产业结构的调整、大面积推广高效节水灌溉、改变传统的耕作习惯和灌溉方式,积极推行非充分灌溉等措施,使全流域综合净定额2010年由现状的377立方米/亩降至307立方米/亩,2020年降至290立方米/亩;全流域的灌溉水利用系数2010年由现状的0.52提高到0.57,2020年提高到0.64。2010年以前,在凉州区和民勤县以2003年农业人口为基数,户均安排一座日光温室,以期实现农民增收的目的。日光温室要以村、社为单元,相对集中布置。在尊重农民意愿的基础上,地方政府提出总体实施计划,循序渐进,力争建设一片,效益发挥一片。实施计划应包括建设地点、日光温室数量、涉及具体农户、种植作物品种、资金筹集方案、技术指导方案等具体内容。研究制定切实可行的技术服第3页共12页第2页共12页编号:时间:2021年x月x日书山有路勤为径,学海无涯苦作舟页码:第3页共12页务和可持续运行的管理体制与机制,引导农民改变粗放的灌溉习惯和用水方式,以促进节水增效。8.4生态建设与保护工程8.4.1祁连山区生态建设与保护工程上游祁连山区生态建设与保护工程主要包括林草地封育保护和生态监测体系建设等。规划完成生态建设工程总面积36.66万亩,生态保护工程总面积66.1万亩。同时,完成相应的配套工程及环境监测设备,人员培训等。8.4.2民勤盆地生态建设与保护...

1、当您付费下载文档后,您只拥有了使用权限,并不意味着购买了版权,文档只能用于自身使用,不得用于其他商业用途(如 [转卖]进行直接盈利或[编辑后售卖]进行间接盈利)。
2、本站所有内容均由合作方或网友上传,本站不对文档的完整性、权威性及其观点立场正确性做任何保证或承诺!文档内容仅供研究参考,付费前请自行鉴别。
3、如文档内容存在违规,或者侵犯商业秘密、侵犯著作权等,请点击“违规举报”。

碎片内容

石羊河流域重点治理规划(八-2)-8重点治理措施

您可能关注的文档

确认删除?
VIP
微信客服
  • 扫码咨询
会员Q群
  • 会员专属群点击这里加入QQ群
客服邮箱
回到顶部