电脑桌面
添加小米粒文库到电脑桌面
安装后可以在桌面快捷访问

公路工程计量计价细则及格式_secretVIP免费

公路工程计量计价细则及格式_secret_第1页
1/236
公路工程计量计价细则及格式_secret_第2页
2/236
公路工程计量计价细则及格式_secret_第3页
3/236
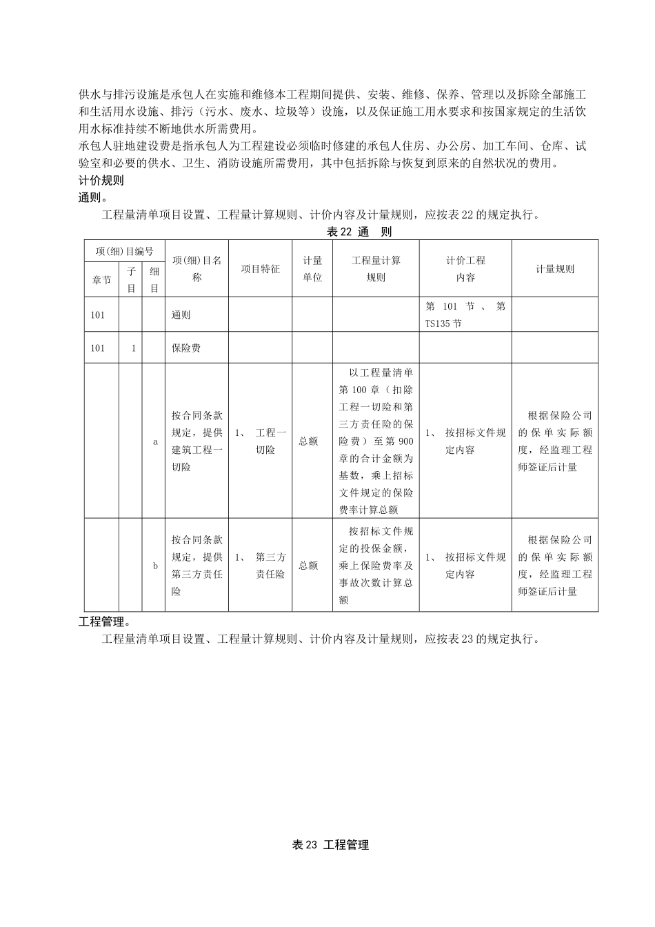
工程量清单计价通则本部分主要规定了公路工程工程量清单的项(细)目编号、项(细)目名称、项目特征、计量单位、工程量计算规则、计价工程内容和计量规则等内容。本部分共分九章,第100章总则,第200章路基,第300章路面,第400章桥梁涵洞,第500章隧道,第600章安全设施及预埋管线,第700章绿化及环境保护,第800章房屋建筑和第900章机电。本部分中的各项需规范要素,应按下列规定确定:a)项(细)目编号按项(细)目所在章节、子目和细目三级编写,其中,章节号为该项(细)目所在章节编号,子目号为该章节所包含的子项目顺序编号,细目号为该子目按不同性质、厚度、标号、规格等而列的细目编号。当子目下不分细目时,项(细)目编号仅由章节号和子目号两级构成,反之,则由三级构成。项(细)目编号对应方式示例如下:项(细)目编号201–1-a清理现场细目号子目号章节号b)计量单位采用基本单位,除特殊情况另有规定项(细)目外,均按以下单位计算和计量:1)以体积计算和计量的项(细)目――m3、dm3(立方分米);2)以面积计算和计量的项(细)目――m2;3)以重量计算和计量的项(细)目――t、kg;4)以长度计算和计量的项(细)目――m;5)以自然体、单体或综合体计算和计量的项(细)目――个、项、台、套、棵、块、处等;6)以“1”为默认数量,不随工程规模、数量变化而变化的项(细)目――总额。c)工程量计算规则是对清单项(细)目工程量的计算规定,主要用于招标时工程量清单的编制,除另有说明外,清单项(细)目工程量均按设计图示以工程实体的净值计算,并应符合交通部《公路工程国内招标文件范本》(2003年版)技术规范101.06款的规定;材料及半成品的采购、场外运输、场内二次转运等损耗的数量以及常规的试验、检测等消耗的数量均作为相应工程项(细)目的附属内容,不另行计算工程量;d)计价工程内容是对完成清单项(细)目的主要工程或工作内容的明确,凡计价工程内容中未列明但应作为其组成内容的其他工程或工作,应作为该项(细)目的附属工作,参照招标文件和本规范相应规定或设计图纸综合考虑在单价中。计价工程内容中注明的第某某节、第TS某某节,分别指交通部《公路工程国内招标文件范本》(2003年版)和《浙江省高速公路机电工程招标文件范本》(2006年版)中技术规范的相应节(房建工程除外),可对照查阅;e)除非合同另有规定或本标准已作规定,工程量清单中有标价的单价和总额价均已包括了为实施和完成合同工程所需的劳务、材料、机械、质检(自检)、安装、调试、缺陷修复、管理、保险(工程一切险和第三方责任险除外)、税费、利润等费用,以及合同明示或暗示的所有责任、义务和一般风险,若为拼(拓)宽工程,还应包括拼接、连接所需的各项费用。承包人用于本合同工程的各类装备的提供、运输、维护、拆卸、拼装等支付的费用,应包含在工程量清单的单价与总额价之中;f)计量规则是对清单项(细)目相应工程内容完工后支付前的计量规定,包括计量程序和时间要求、计量工程数量的计算、计量单价和合价的确定原则等。就地浇注和预制混凝土、钢筋混凝土、预应力混凝土,石料及混凝土预制块砌体等工程所用的模板、拱架、挂篮和支架的设计制作、安装、拆除施工等有关作业,作为有关工程的附属工作,不另行计量;施工现场交通组织、维护费,应综合考虑在各项(细)目内,不单独计价。实行工程量清单计价招标投标的公路工程,其招标文件、招标标底、投标控制价、投标报价的编制、合同价款确定与调整、工程结算应按本标准执行。工程量清单应采用综合单价计价,应根据规定的综合单价组成,按本标准的“计价工程内容”和设计文件确定。招标标底、投标控制价应根据本标准、招标文件中的工程量清单和有关要求、施工现场实际情况、合理可行的施工工艺和方法、市场价格信息以及交通行政主管部门发布的社会平均消耗量定额和有关计价办法编制工程量清单预算,在此基础上合理确定。投标报价应根据本标准、招标文件中的工程量清单和有关要求、施工现场实际情况及拟定的施工方案或施工组织设计、市场价格信息,依据企业定额或参考交通行政主管部门发布的社会平均消耗量定...

1、当您付费下载文档后,您只拥有了使用权限,并不意味着购买了版权,文档只能用于自身使用,不得用于其他商业用途(如 [转卖]进行直接盈利或[编辑后售卖]进行间接盈利)。
2、本站所有内容均由合作方或网友上传,本站不对文档的完整性、权威性及其观点立场正确性做任何保证或承诺!文档内容仅供研究参考,付费前请自行鉴别。
3、如文档内容存在违规,或者侵犯商业秘密、侵犯著作权等,请点击“违规举报”。

碎片内容

公路工程计量计价细则及格式_secret

您可能关注的文档

确认删除?
VIP
微信客服
  • 扫码咨询
会员Q群
  • 会员专属群点击这里加入QQ群
客服邮箱
回到顶部