电脑桌面
添加小米粒文库到电脑桌面
安装后可以在桌面快捷访问

某中型制造业产前准备岗位说明书及KPI指标VIP免费

某中型制造业产前准备岗位说明书及KPI指标_第1页
1/3
某中型制造业产前准备岗位说明书及KPI指标_第2页
2/3
某中型制造业产前准备岗位说明书及KPI指标_第3页
3/3
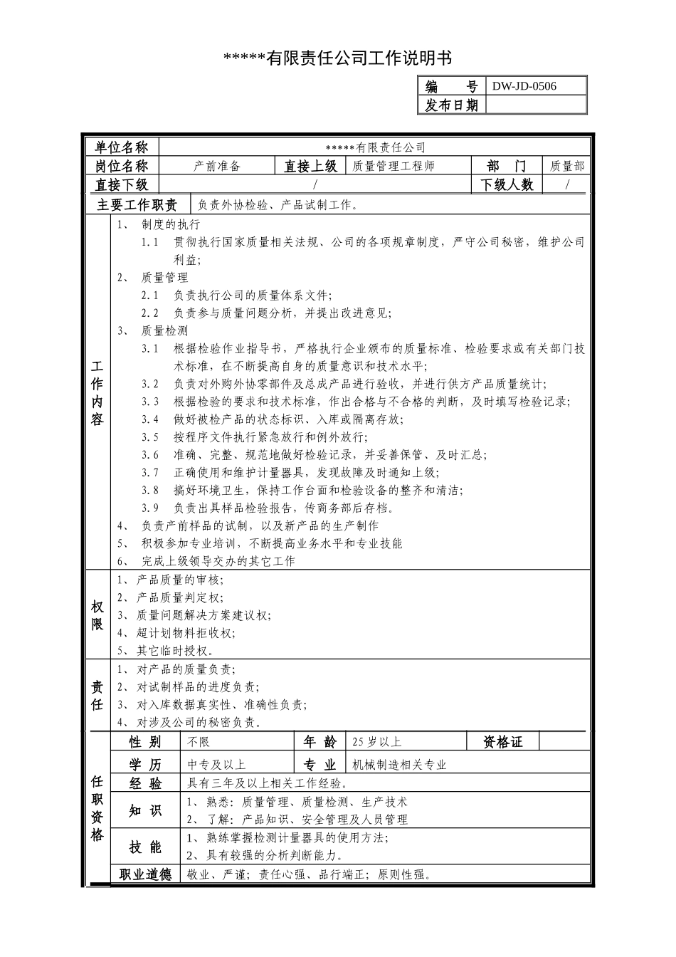
*****有限责任公司工作说明书编号DW-JD-0506发布日期单位名称*****有限责任公司岗位名称产前准备直接上级质量管理工程师部门质量部直接下级/下级人数/主要工作职责负责外协检验、产品试制工作。工作内容1、制度的执行1.1贯彻执行国家质量相关法规、公司的各项规章制度,严守公司秘密,维护公司利益;2、质量管理2.1负责执行公司的质量体系文件;2.2负责参与质量问题分析,并提出改进意见;3、质量检测3.1根据检验作业指导书,严格执行企业颁布的质量标准、检验要求或有关部门技术标准,在不断提高自身的质量意识和技术水平;3.2负责对外购外协零部件及总成产品进行验收,并进行供方产品质量统计;3.3根据检验的要求和技术标准,作出合格与不合格的判断,及时填写检验记录;3.4做好被检产品的状态标识、入库或隔离存放;3.5按程序文件执行紧急放行和例外放行;3.6准确、完整、规范地做好检验记录,并妥善保管、及时汇总;3.7正确使用和维护计量器具,发现故障及时通知上级;3.8搞好环境卫生,保持工作台面和检验设备的整齐和清洁;3.9负责出具样品检验报告,传商务部后存档。4、负责产前样品的试制,以及新产品的生产制作5、积极参加专业培训,不断提高业务水平和专业技能6、完成上级领导交办的其它工作权限1、产品质量的审核;2、产品质量判定权;3、质量问题解决方案建议权;4、超计划物料拒收权;5、其它临时授权。责任1、对产品的质量负责;2、对试制样品的进度负责;3、对入库数据真实性、准确性负责;4、对涉及公司的秘密负责。任职资格性别不限年龄25岁以上资格证学历中专及以上专业机械制造相关专业经验具有三年及以上相关工作经验。知识1、熟悉:质量管理、质量检测、生产技术2、了解:产品知识、安全管理及人员管理技能1、熟练掌握检测计量器具的使用方法;2、具有较强的分析判断能力。职业道德敬业、严谨;责任心强、品行端正;原则性强。产前准备岗位绩效指标管理指标说明评价人管理制度及工作流程的执行1.违反公司管理制度及工作流程,扣1分/次;2.违反公司管理制度及工作流程,且给公司造成损失,直接责任扣5分及以上,间接责任扣2~5分质量部经理质量体系运行(外协检验)未按照制度履行职责或者对所发现的问题没有严格按照质量体系文件进行工艺纪律监督与改进,视情节轻重,扣2~5分/次。质量部经理样品与新产品试制(产前准备)1.未能按规定时间与质量要求完成产前样品制作或新产品试制,扣2-5分/日;2.在规定时间内按质量要求完成产前样品制作或新产品试制,加2分以上/次;质量部经理超计划入库(外协检验)与采购计划核对物料入库数量,控制超计划入库,若出现未经审批的超计划入库现象,扣1-5分/次采控部经理质量检验(外协检验)1.经检验后的外购外协零部件及总成产品,再次抽查不合格或生产中出现质量问题,扣2~5分/次;2.发现未根据检验作业指导书,严格执行企业颁布的质量标准、检验要求或有关部门技术标准,扣2~5分/次;3.发现未按要求进行被检产品的状态标识和隔离,扣2~5分/次;4.出现未按职责与规定做好检验记录并妥善保管、及时汇总,扣2~5分/次;5.被投诉检验不及时,拖延检验时间,扣2分/次;6.漏检、误检,扣2~5分/次;质量部经理合理化建议在技术革新、新产品开发、检验工作、质量问题分析中或质量事故解决中的合理化建议被采纳并获得良好效果,加5分以上/次。业绩管理小组培训与指导1.无故不参加质量专业培训,扣2~5分/次;2.未按直接上级要求或指导开展工作,扣2~5分/次;质量部经理客户投诉(外协检验)客户对产品相应质量的投诉依据情节严重程度,扣2~5分/次。质量部经理内部客户满意度因工作原因被公司同事或客户投诉,经查实,视情节轻重,扣2~5分/次分管领导上级交办的其他工作没有及时完成或上级对完成情况不满意扣2~5分/次质量部经理

1、当您付费下载文档后,您只拥有了使用权限,并不意味着购买了版权,文档只能用于自身使用,不得用于其他商业用途(如 [转卖]进行直接盈利或[编辑后售卖]进行间接盈利)。
2、本站所有内容均由合作方或网友上传,本站不对文档的完整性、权威性及其观点立场正确性做任何保证或承诺!文档内容仅供研究参考,付费前请自行鉴别。
3、如文档内容存在违规,或者侵犯商业秘密、侵犯著作权等,请点击“违规举报”。

碎片内容

某中型制造业产前准备岗位说明书及KPI指标

您可能关注的文档

确认删除?
VIP
微信客服
  • 扫码咨询
会员Q群
  • 会员专属群点击这里加入QQ群
客服邮箱
回到顶部