电脑桌面
添加小米粒文库到电脑桌面
安装后可以在桌面快捷访问

预拌商品混凝土搅拌站质量管理考评VIP免费

预拌商品混凝土搅拌站质量管理考评_第1页
1/6
预拌商品混凝土搅拌站质量管理考评_第2页
2/6
预拌商品混凝土搅拌站质量管理考评_第3页
3/6
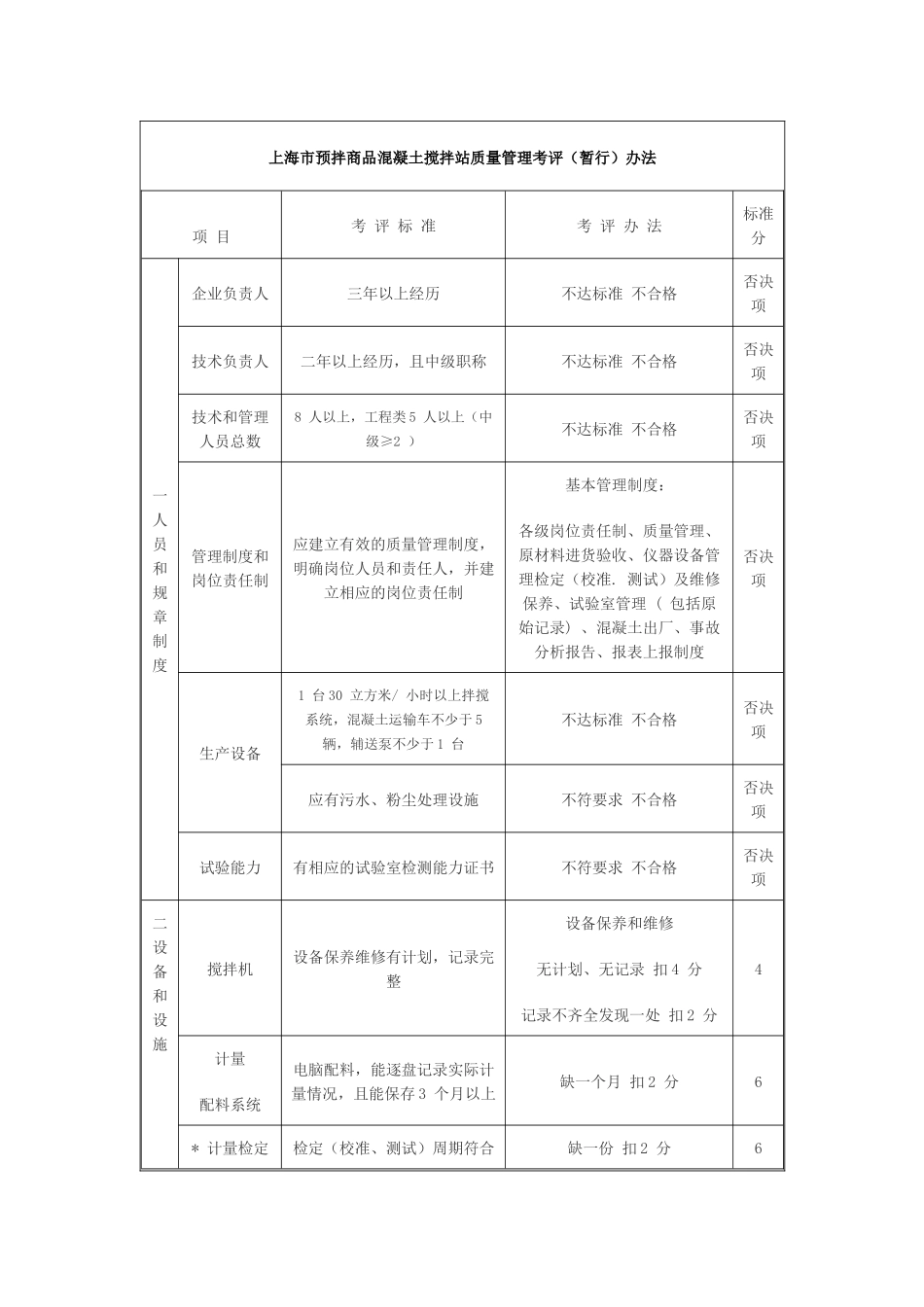
预拌商品混凝土搅拌站质量管理考评(暂行)办法(上海)[日期:2006-07-22]来源:上海市建筑材料质量监督站作者:[字体:大中小]一、适用范围本办法适用于已取得建筑业企业资质等级证书(预拌商品混凝土)后新增设混凝土搅拌站申办核查;适用于对混凝土搅拌站准用证日常监督考评;适用于混凝土搅拌站的年终考评。考评以搅拌站为单位,同一预拌商品混凝土搅拌站有多个生产基地的,应同时进行考评。二、考评方法和要求1.已取得企业资质证书的企业新增设混凝土搅拌站考评在准用申请前进行。考评按《考评办法》中“一、生产条件和管理制度”的项目进行,其中任意一项达不到要求,即考评不合格。2.混凝土搅拌站的准用证日常监督考评采用定期或不定期的抽查。《考评办法》中带“*”号项目为日常监督考评的主要监督项目,考评采取否决项和计分制相结合的方式,有否决项或达不到主要监督项目所规定分数总和的70%,准用证日常监督考评不合格。对两次考评不合格的企业,按有关规定处理。考评结果记载企业诚信手册中,作年终考评时的评定依据。3.混凝土搅拌站的年终考评每年一次。考评采用否决项和计分制相结合的方式,总计分由考评分、加分和扣分三个部分组成。考评分:满分为100分,从设备和设施、试验和环境、生产过程质量控制和记录、混凝土质量等四个方面进行考评。加分:主要鼓励企业提高质量管理能力和预拌商品混凝土质量,以及在技术质量创新、环境保护等方面取得成绩。扣分:主要对违反有关规定,在技术质量等方面存在问题比较严重的企业给予扣分。凡项目前加“*”扣分时需加倍,加倍扣分时可出现负分;凡无“*”的项目,分数扣完为止。年终考评总分由考评分、加分和扣分三部分累计所得,从高分到低分评出优胜企业、表扬企业和未位企业若干名。对存在违规问题的企业给予通报批评。考评期内发生有否决项或考评办法内所列7种情况的搅拌站,当年不得评为优胜企业或表扬企业。考评结果在媒体上予以公告。上海市预拌商品混凝土搅拌站质量管理考评(暂行)办法项目考评标准考评办法标准分一人员和规章制度企业负责人三年以上经历不达标准不合格否决项技术负责人二年以上经历,且中级职称不达标准不合格否决项技术和管理人员总数8人以上,工程类5人以上(中级≥2)不达标准不合格否决项管理制度和岗位责任制应建立有效的质量管理制度,明确岗位人员和责任人,并建立相应的岗位责任制基本管理制度:各级岗位责任制、质量管理、原材料进货验收、仪器设备管理检定(校准.测试)及维修保养、试验室管理(包括原始记录)、混凝土出厂、事故分析报告、报表上报制度否决项生产设备1台30立方米/小时以上拌搅系统,混凝土运输车不少于5辆,辅送泵不少于1台不达标准不合格否决项应有污水、粉尘处理设施不符要求不合格否决项试验能力有相应的试验室检测能力证书不符要求不合格否决项二设备和设施搅拌机设备保养维修有计划,记录完整设备保养和维修无计划、无记录扣4分记录不齐全发现一处扣2分4计量配料系统电脑配料,能逐盘记录实际计量情况,且能保存3个月以上缺一个月扣2分6*计量检定检定(校准、测试)周期符合缺一份扣2分6(校准、测试)有关规定,并有法定计量部门有效合格证书搅拌计量系统维护做好维护和保养工作,运行可靠,无明显锈蚀和沾污,设备和控制室清洁发现一处扣1分3拌车和泵车做好维护和保养工作,并有记录;运行可靠、安全、无明显锈蚀和沾污、标志清晰(包括租赁)记录不齐全扣2分发现一辆扣2分4三试验和环境*试验人员人员按试验室能力认可要求配备不符要求不合格否决项试验人员应有本单位上岗证缺一张或非本单位的上岗证扣3分6试验设备试验设备齐全维护良好发现一处扣1分6有法定计量部门有效合格证书发现无效或缺少一张扣2分试验室环境布置合理,环境整洁不符要求扣1分3*试块制作和养护试验室温湿度符合有关标准要求,并有记录,试件存放有序,试块标识应符合有关规定温湿度不符合、记录不齐全发现一处扣2分试块存放、标识不符合规定发现一处扣3分8四生产过程质量控制和记*技术标准应严格执行现行有效的技术标准、规范和规定未执行一项技术标准、规范和规定扣8分8生产、原材料进料台帐...

1、当您付费下载文档后,您只拥有了使用权限,并不意味着购买了版权,文档只能用于自身使用,不得用于其他商业用途(如 [转卖]进行直接盈利或[编辑后售卖]进行间接盈利)。
2、本站所有内容均由合作方或网友上传,本站不对文档的完整性、权威性及其观点立场正确性做任何保证或承诺!文档内容仅供研究参考,付费前请自行鉴别。
3、如文档内容存在违规,或者侵犯商业秘密、侵犯著作权等,请点击“违规举报”。

碎片内容

预拌商品混凝土搅拌站质量管理考评

确认删除?
VIP
微信客服
  • 扫码咨询
会员Q群
  • 会员专属群点击这里加入QQ群
客服邮箱
回到顶部