电脑桌面
添加小米粒文库到电脑桌面
安装后可以在桌面快捷访问

关于不再收取中标(成交)服务费和对采购VIP免费

关于不再收取中标(成交)服务费和对采购_第1页
1/17
关于不再收取中标(成交)服务费和对采购_第2页
2/17
关于不再收取中标(成交)服务费和对采购_第3页
3/17
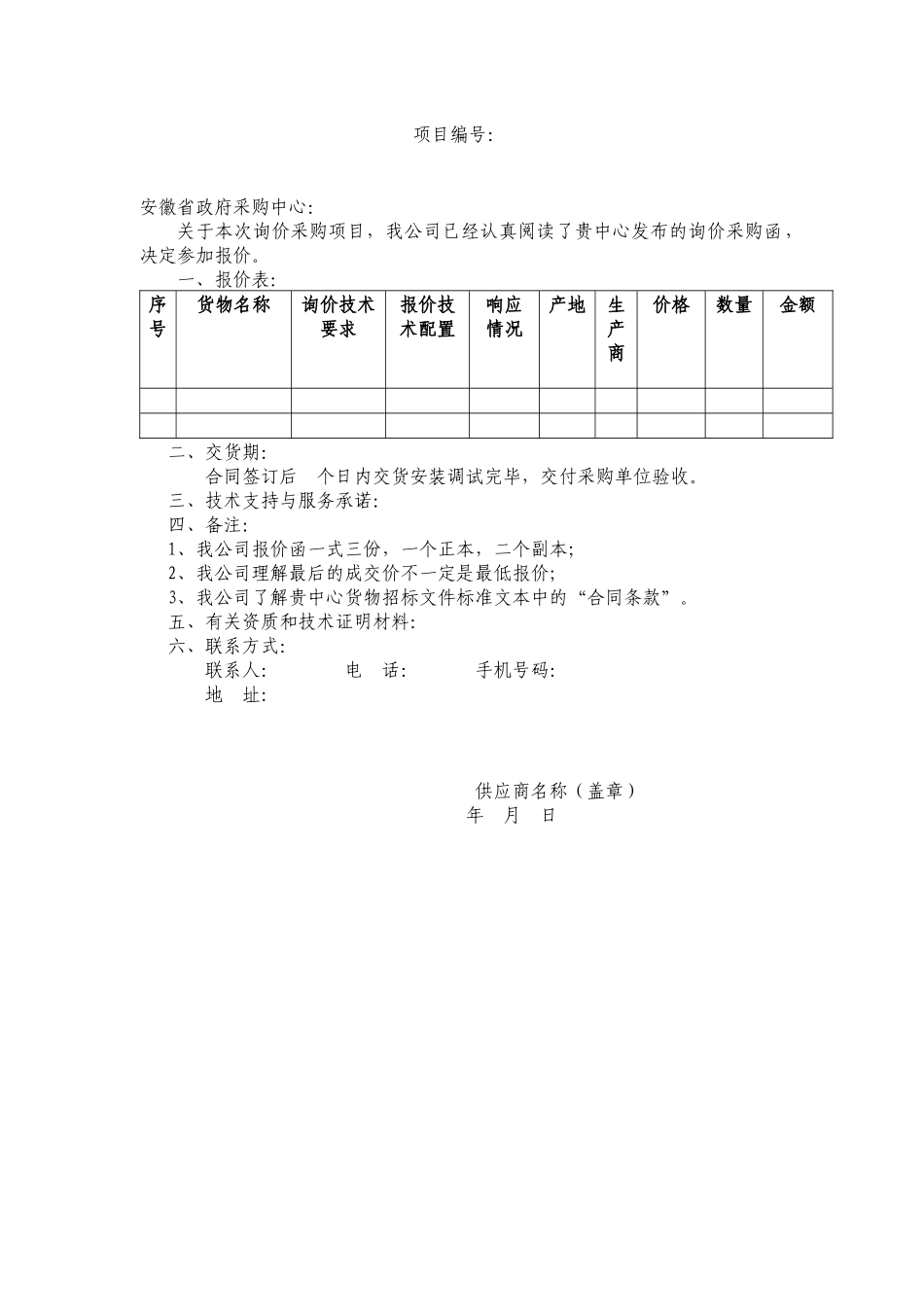
安徽省政府采购中心询价采购函项目编号:AH-H2009574本中心接受委托,以询价采购方式购买一批货物,现将有关事项说明如下:一、注意事项:1.被询价的供应商(必须在本中心登记注册并有中标或成交记录。)可就以下采购清单中的货物及相关要求,在2010年1月14日9时前,向本中心做出一次性书面报价(单价、总价)。2、成交原则:在符合采购需求、质量和服务相等的前提下,以提出最低报价的供应商作为成交供应商。供应商报价和承诺一经认可,即为成交的合同价。3、供应商如对本询价函报价,即不可撤回。否则,该供应商在今后一年内不得参与本中心的所有采购活动。4、付款方式:省政府采购中心在收到验收报告后在规定时间内将付款委托交付省财政厅政府采购处安排拨付全部货款。5、本中心货物招标文件标准文本中的“合同条款”和供应商的报价函将作为合同的组成部分。供应商商履行询价采购合同,如果出现违约,采购中心将暂停其一定时期参与采购中心组织的采购活动的资格。二、货物需求:附后三、履约保证金:合同金额超过10万元的,成交单位在签订合同时需提交合同金额5%履约保证金。期限一年。四、编制报价函要求:1、供应商应就货物需求一览表中的货物及其技术和服务要求做出书面承诺,并提供在采购中心中标或成交证明材料;2、供应商报价函要经法定代表人或其授权代表签字、盖章;如为授权代表签字,请附法定代表人授权书;3、供应商应提供营业执照副本复印件;4、请将报价函及相关文件资料一式三份(一个正本、二个副本)密封后递交本中心;5、每包一个方案、一个报价,单包报价不得超过80万元;6、带*星号的技术指标投标单位必须满足,每项产品技术参数中非*星号指标三条以上(含三条)不符合询价函要求的,视同非实质性响应,不进入复审;7、投标仪器如被列入国家质检总局2005年第145号文《中华人民共和国依法管理的计量器具目录(型式批准部分)》的仪器设备,需有《中华人民共和国计量器具型式批准证书》的复印件;8、投标人应提供所投产品图片和技术资料,进口产品应附中文技术资料,如未能提供图片、中文技术资料,其投标书不能进入复审。产品彩页或样本如有修改,必须在投标前由厂家盖章确认;9、售后服务与技术支持要求:1)自验收合格之日起,中标人应免费提供两年的技术服务(包含易损易耗品),另外还需提供易损易耗品(件)清单及价格,保证五年内按不高于投标价格提供系统正常工作所需的备品备件。2)制定技术服务条款及实施办法等,并有明确的售后服务措施和收费标准,系统出现故障时,中标人在接到通知后应立即应答,并在48小时内到达现场,及时排除故障。3)制定详细的培训计划。所有仪器均需进行必要的(现场)操作培训,确保使用人员能够正确操作。4)软件升级及系统扩展:成交(仪器)商须及时地免费为用户提供软件升级服务或调整。5)操作手册及工具:成交人必须提供系统所有仪器设备、软件、附件、备品备件等详细的英文和中文操作手册,详细的中文系统操作和维护手册。提供配套完整的专用工具箱。6)仪器安装、验收:必须由卖方安排仪器制造厂技术人员到现场安装仪器并在用户实验室人员在场的情况下完成仪器设备性能的证明文件。只有在仪器完全正常运转和买方确认后,仪器的安装工作才能认为已全部完成。五、项目联系人:周泽全联系电话:0551-5101631传真:0551-5101634六、详细地址:合肥市阜南西路238号安徽省财政厅综合服务楼5楼504室,邮编:230061安徽省政府采购中心2010年1月6日附:询价采购供应商报价函项目编号:安徽省政府采购中心:关于本次询价采购项目,我公司已经认真阅读了贵中心发布的询价采购函,决定参加报价。一、报价表:序号货物名称询价技术要求报价技术配置响应情况产地生产商价格数量金额二、交货期:合同签订后个日内交货安装调试完毕,交付采购单位验收。三、技术支持与服务承诺:四、备注:1、我公司报价函一式三份,一个正本,二个副本;2、我公司理解最后的成交价不一定是最低报价;3、我公司了解贵中心货物招标文件标准文本中的“合同条款”。五、有关资质和技术证明材料:六、联系方式:联系人:电话:手机号码:地址:供应商...

1、当您付费下载文档后,您只拥有了使用权限,并不意味着购买了版权,文档只能用于自身使用,不得用于其他商业用途(如 [转卖]进行直接盈利或[编辑后售卖]进行间接盈利)。
2、本站所有内容均由合作方或网友上传,本站不对文档的完整性、权威性及其观点立场正确性做任何保证或承诺!文档内容仅供研究参考,付费前请自行鉴别。
3、如文档内容存在违规,或者侵犯商业秘密、侵犯著作权等,请点击“违规举报”。

碎片内容

关于不再收取中标(成交)服务费和对采购

文泉书屋+ 关注
实名认证
内容提供者

热爱教学事业,对互联网知识分享很感兴趣

确认删除?
VIP
微信客服
  • 扫码咨询
会员Q群
  • 会员专属群点击这里加入QQ群
客服邮箱
回到顶部