电脑桌面
添加小米粒文库到电脑桌面
安装后可以在桌面快捷访问

汽车维修工(中级)操作技能考核试题VIP免费

汽车维修工(中级)操作技能考核试题_第1页
1/38
汽车维修工(中级)操作技能考核试题_第2页
2/38
汽车维修工(中级)操作技能考核试题_第3页
3/38
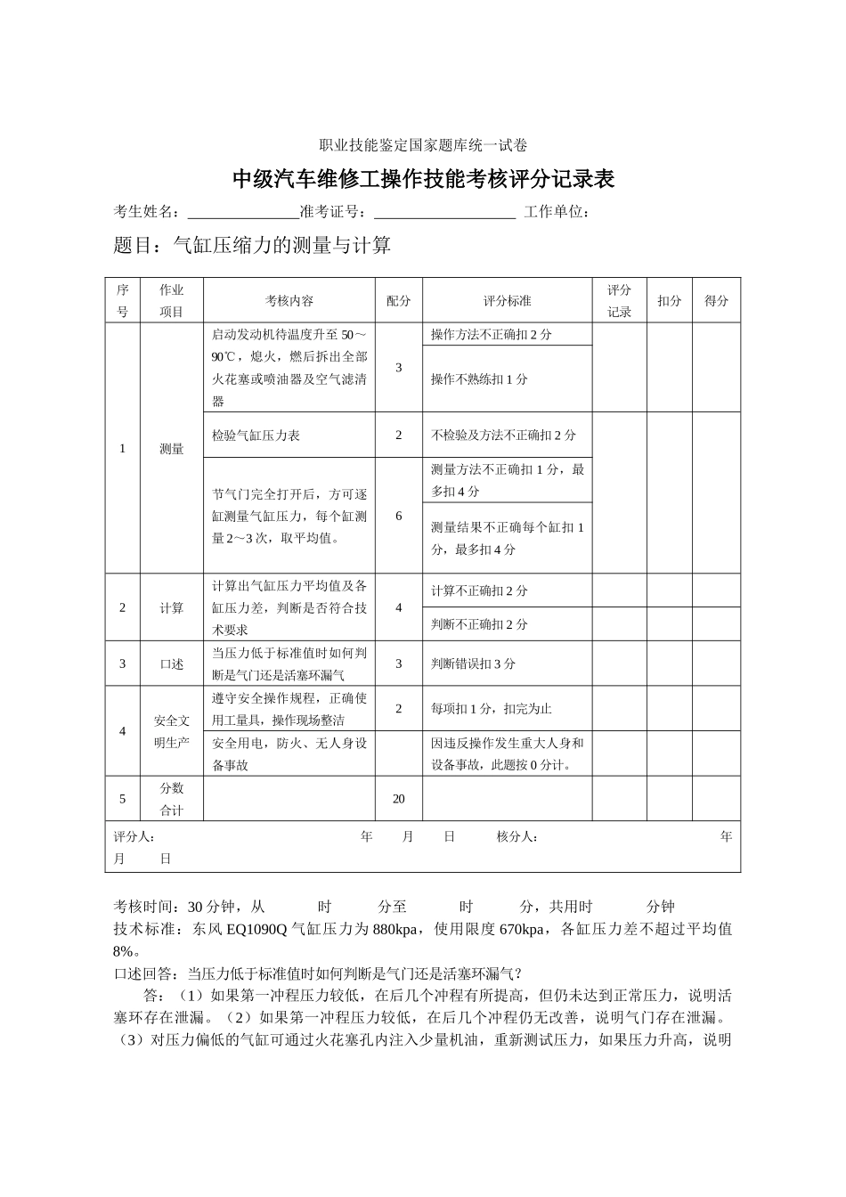
汽车维修工(中级)操作技能考核试题职业技能鉴定国家题库统一试卷中级汽车维修工操作技能考核评分记录表考生姓名:准考证号:工作单位:题目:气缸压缩力的测量与计算序号作业项目考核内容配分评分标准评分记录扣分得分1测量启动发动机待温度升至50~90℃,熄火,燃后拆出全部火花塞或喷油器及空气滤清器3操作方法不正确扣2分操作不熟练扣1分检验气缸压力表2不检验及方法不正确扣2分节气门完全打开后,方可逐缸测量气缸压力,每个缸测量2~3次,取平均值。6测量方法不正确扣1分,最多扣4分测量结果不正确每个缸扣1分,最多扣4分2计算计算出气缸压力平均值及各缸压力差,判断是否符合技术要求4计算不正确扣2分判断不正确扣2分3口述当压力低于标准值时如何判断是气门还是活塞环漏气3判断错误扣3分4安全文明生产遵守安全操作规程,正确使用工量具,操作现场整洁2每项扣1分,扣完为止安全用电,防火、无人身设备事故因违反操作发生重大人身和设备事故,此题按0分计。5分数合计20评分人:年月日核分人:年月日考核时间:30分钟,从时分至时分,共用时分钟技术标准:东风EQ1090Q气缸压力为880kpa,使用限度670kpa,各缸压力差不超过平均值8%。口述回答:当压力低于标准值时如何判断是气门还是活塞环漏气?答:(1)如果第一冲程压力较低,在后几个冲程有所提高,但仍未达到正常压力,说明活塞环存在泄漏。(2)如果第一冲程压力较低,在后几个冲程仍无改善,说明气门存在泄漏。(3)对压力偏低的气缸可通过火花塞孔内注入少量机油,重新测试压力,如果压力升高,说明活塞环磨损。如果压力仍未升高,说明气门需要修理。(4)如果压力略高于被测发动机的规定值,说明在燃烧室内或活塞上可能存在过量积炭。职业技能鉴定国家题库统一试卷中级汽车维修工操作技能考核试题考生姓名:准考证号:工作单位:题目:气缸压缩力的测量与计算考核要求:(1)按正确的操作规程用气缸压力表检查气缸压缩力;(2)计算出气缸压力平均值和气缸压力差(3)判断气缸压力是否符合技术标准。考核时间:30分钟。配分:20分。缸数123456平均值气缸压力第1次测第2次测平均气缸压力差结论职业技能鉴定国家题库统一试卷中级汽车维修工操作技能考核评分记录表考生姓名:准考证号:工作单位:题目:汽车发动机点火正时的检查与调整序号作业项目考核内容配分评分标准评分记录扣分得分1检查在飞轮或曲轴前端做上正确的点火提前角标记10操作方法不正确扣2分操作不熟练扣1分将点火正时灯连接到汽车上并启动发动机检查操作方法不正确扣2分判断点火提前角的大小检查方法不正确扣2分判断错误扣3分2调整调整点火提前角8调整方法不正确扣3分调整结果不正确扣3分调整完毕,再次检查点火提前角调整结果不正确扣1分检查结果不正确扣1分3安全文明生产遵守安全操作规程,正确使用工量具,操作现场整洁2每项扣1分,扣完为止安全用电,防火、无人身设备事故因违反操作发生重大人身和设备事故,此题按0分计。4分数合计20评分人:年月日核分人:年月日考核时间:30分钟,从时分至时分,共用时分钟技术标准:东风EQ1090点火提前角为9°。职业技能鉴定国家题库统一试卷中级汽车维修工操作技能考核试题考生姓名:准考证号:工作单位:题目:汽车发动机点火正时的检查与调整考核要求:(1)按正确的操作规程,利用点火正时灯检查点火正时;(2)调整点火正时,使之符合技术标准。考核时间:30分钟。配分:20分。项目结果技术标准考评员复检结果职业技能鉴定国家题库统一试卷中级汽车维修工操作技能考核评分记录表考生姓名:准考证号:工作单位:题目:柴油发动机供油正时的检查与调整序号作业项目考核内容配分评分标准评分记录扣分得分1检查从喷油泵上拆下第一缸的高压油管,在出油阀座上安装测试用的玻璃管12操作方法不正确扣2分操作不熟练扣1分转动曲轴,使喷油泵供油,直至玻璃管中能看到油面操作方法不正确扣3分慢慢转动曲轴,仔细观察玻璃管油面,当油面刚刚发生波动开始上升的瞬间,即停止转动操作方法不正确扣3分检查方法不正确扣2分检查正时记号是否对正,以判定供油提前角判断错误扣1分2调整调整供油提前角6调整方法不正确扣3分调整结果不正确扣2...

1、当您付费下载文档后,您只拥有了使用权限,并不意味着购买了版权,文档只能用于自身使用,不得用于其他商业用途(如 [转卖]进行直接盈利或[编辑后售卖]进行间接盈利)。
2、本站所有内容均由合作方或网友上传,本站不对文档的完整性、权威性及其观点立场正确性做任何保证或承诺!文档内容仅供研究参考,付费前请自行鉴别。
3、如文档内容存在违规,或者侵犯商业秘密、侵犯著作权等,请点击“违规举报”。

碎片内容

汽车维修工(中级)操作技能考核试题

确认删除?
VIP
微信客服
  • 扫码咨询
会员Q群
  • 会员专属群点击这里加入QQ群
客服邮箱
回到顶部