电脑桌面
添加小米粒文库到电脑桌面
安装后可以在桌面快捷访问

某中型制造业仓库主管岗位说明书及KPI指标VIP免费

某中型制造业仓库主管岗位说明书及KPI指标_第1页
1/3
某中型制造业仓库主管岗位说明书及KPI指标_第2页
2/3
某中型制造业仓库主管岗位说明书及KPI指标_第3页
3/3
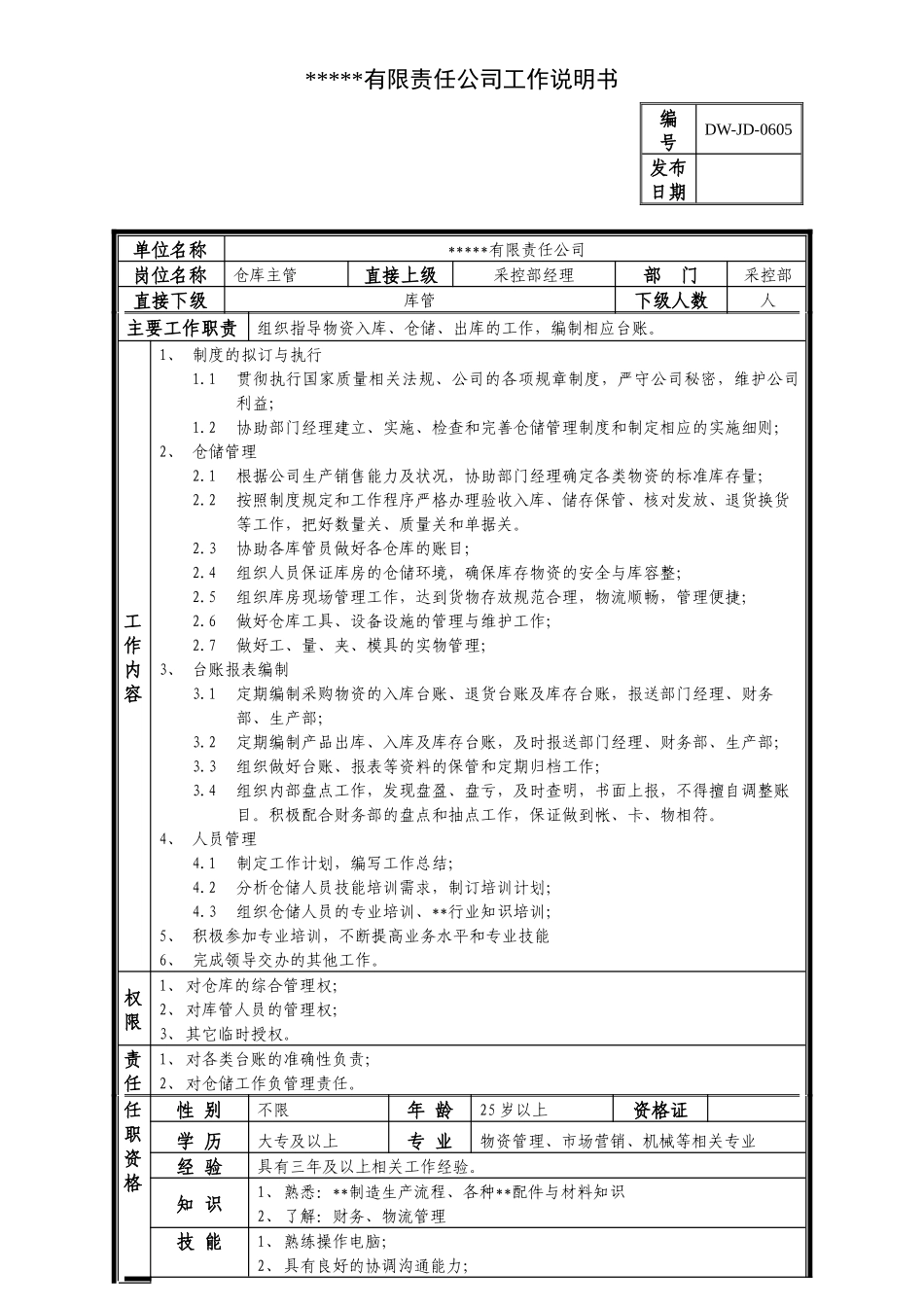
*****有限责任公司工作说明书编号DW-JD-0605发布日期单位名称*****有限责任公司岗位名称仓库主管直接上级采控部经理部门采控部直接下级库管下级人数人主要工作职责组织指导物资入库、仓储、出库的工作,编制相应台账。工作内容1、制度的拟订与执行1.1贯彻执行国家质量相关法规、公司的各项规章制度,严守公司秘密,维护公司利益;1.2协助部门经理建立、实施、检查和完善仓储管理制度和制定相应的实施细则;2、仓储管理2.1根据公司生产销售能力及状况,协助部门经理确定各类物资的标准库存量;2.2按照制度规定和工作程序严格办理验收入库、储存保管、核对发放、退货换货等工作,把好数量关、质量关和单据关。2.3协助各库管员做好各仓库的账目;2.4组织人员保证库房的仓储环境,确保库存物资的安全与库容整;2.5组织库房现场管理工作,达到货物存放规范合理,物流顺畅,管理便捷;2.6做好仓库工具、设备设施的管理与维护工作;2.7做好工、量、夹、模具的实物管理;3、台账报表编制3.1定期编制采购物资的入库台账、退货台账及库存台账,报送部门经理、财务部、生产部;3.2定期编制产品出库、入库及库存台账,及时报送部门经理、财务部、生产部;3.3组织做好台账、报表等资料的保管和定期归档工作;3.4组织内部盘点工作,发现盘盈、盘亏,及时查明,书面上报,不得擅自调整账目。积极配合财务部的盘点和抽点工作,保证做到帐、卡、物相符。4、人员管理4.1制定工作计划,编写工作总结;4.2分析仓储人员技能培训需求,制订培训计划;4.3组织仓储人员的专业培训、**行业知识培训;5、积极参加专业培训,不断提高业务水平和专业技能6、完成领导交办的其他工作。权限1、对仓库的综合管理权;2、对库管人员的管理权;3、其它临时授权。责任1、对各类台账的准确性负责;2、对仓储工作负管理责任。任职资格性别不限年龄25岁以上资格证学历大专及以上专业物资管理、市场营销、机械等相关专业经验具有三年及以上相关工作经验。知识1、熟悉:**制造生产流程、各种**配件与材料知识2、了解:财务、物流管理技能1、熟练操作电脑;2、具有良好的协调沟通能力;职业道德诚信、廉洁、敬业、严谨;责任心强、品行端正。仓库主管绩效指标关键业绩指标定义权重数据来源上级满意度参见《上级满意度评分表》100%采控部经理管理指标说明评价人管理制度及工作流程的执行1.违反公司管理制度及工作流程,扣1分/次;2.违反公司管理制度及工作流程,且给公司造成损失,直接责任扣5分及以上,间接责任扣2~5分采控部经理库存管理工作失误造成产品质量或数量损失依据损失大小,扣2~5分以上/次。采控部经理标识管理库房物资未按标识管理扣2~5分/次采控部经理帐卡物相符若库房帐卡物不相符扣2~5分/处采控部经理领料及时性领料不及时造成生产延误扣2~5分/小时采控部经理发货出错因工作失误造成发货出错依损失大小扣5分以上/次。采控部经理成品盘盈、盘亏凡成品盘亏金额达到元,扣2分,达到元扣4分,以此类推。采控部经理报表编制准确性、及时性各类报表上报不及时或出错,扣2-5分/次采控部经理仓库帐目准确性各类仓库帐目出错,扣2-5分/次采控部经理合理化建议凡提出合理化建议被采纳在部门中实施的可酌情加2~5分/次,在公司实施的加5~10分/次业绩管理小组上级交办的其他工作没有及时完成或上级对完成情况不满意扣2~5分/次。采控部经理

1、当您付费下载文档后,您只拥有了使用权限,并不意味着购买了版权,文档只能用于自身使用,不得用于其他商业用途(如 [转卖]进行直接盈利或[编辑后售卖]进行间接盈利)。
2、本站所有内容均由合作方或网友上传,本站不对文档的完整性、权威性及其观点立场正确性做任何保证或承诺!文档内容仅供研究参考,付费前请自行鉴别。
3、如文档内容存在违规,或者侵犯商业秘密、侵犯著作权等,请点击“违规举报”。

碎片内容

某中型制造业仓库主管岗位说明书及KPI指标

您可能关注的文档

确认删除?
VIP
微信客服
  • 扫码咨询
会员Q群
  • 会员专属群点击这里加入QQ群
客服邮箱
回到顶部