电脑桌面
添加小米粒文库到电脑桌面
安装后可以在桌面快捷访问

石化泵房改造工程施工方案培训资料VIP免费

石化泵房改造工程施工方案培训资料_第1页
1/37
石化泵房改造工程施工方案培训资料_第2页
2/37
石化泵房改造工程施工方案培训资料_第3页
3/37
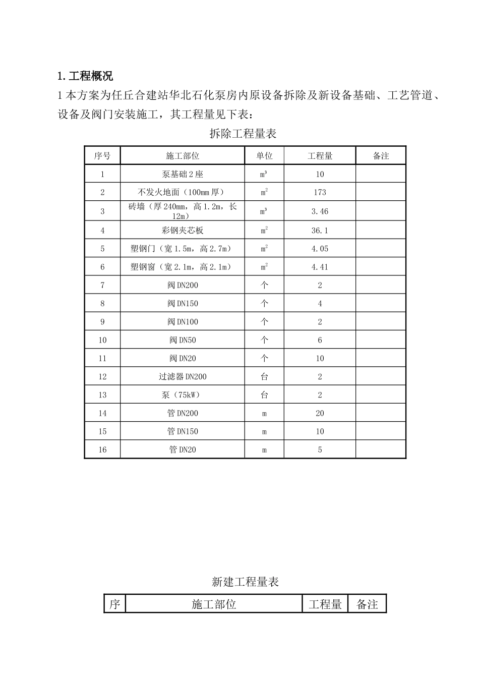
天津港-华北石化原油管道工程大庆油建公司津华项目文件任丘合建站华北石化泵房改造工程施工方案文件编码JHX-SGD-SGDW-GLWJ-0001-2015041020150410用于施工王义张守宇姜云鹏版本日期文件状态编制人审核人批准人目录1.工程概况.......................................................12施工准备........................................................13主要施工措施....................................................24施工方案.......................................................41.工程概况1本方案为任丘合建站华北石化泵房内原设备拆除及新设备基础、工艺管道、设备及阀门安装施工,其工程量见下表:拆除工程量表序号施工部位单位工程量备注1泵基础2座m³102不发火地面(100mm厚)m21733砖墙(厚240mm,高1.2m,长12m)m³3.464彩钢夹芯板m236.15塑钢门(宽1.5m,高2.7m)m24.056塑钢窗(宽2.1m,高2.1m)m24.417阀DN200个28阀DN150个49阀DN100个210阀DN50个611阀DN20个1012过滤器DN200台213泵(75kW)台214管DN200m2015管DN150m1016管DN20m5新建工程量表序施工部位工程量备注负责人:张铁军技术员:王义安全员:张超远施工作业人员外协:陶涛号1L415MPSL2直缝埋弧焊焊钢管21m2L360NPSL2直缝高频电阻焊钢管47m3L245NPSL2无缝钢管67m4L245NPSL2无缝钢管1m5L245NPSL2无缝钢管16m6L245NPSL2无缝钢管17m720#无缝钢管52m820#无缝钢管200m9阀门28个10反输给油泵2台11过滤器2个2施工准备2.1现场准备组织技术人员对现场情况进行勘,并进行相关工程的测量复核,统计工程量。2.2人员配置根据本工程的特点、工期和施工现场的实际情况,合理安排劳动力进行施工。2.3施工机具配置本工程拆除工程量较少,作业面较为集中,为确保工程质量、满足工期要求,根据本工程量及施工工期,合理配置施工机具。2.4施工安全环保组织机构材料验收施工准备阀门试验、安全阀调校管道与管件加工3.施工人员及机械设备配备施工人员及机械设备配备施工机械及人员单位数量备注施工管理员人3力工人4焊工人8管工人2撬棍把2电钻把1手锤把3风镐台1焊机台8氧气乙炔瓶4扳手副5割枪把2手拉葫芦个2磨光机台44施工方案4.1管道施工原则:先地下后地上,先安装管带管道后安装设备管道。管网及各单元管道采用现场预制、现场安装的施工方法,施工程序先低层后高层。管道焊缝的外观检查、无损检测及热处理工作随工序逐步进行,施工工艺流程见下图。4.2管道与管件加工、组对1)管子切割前应移植原有标记,然后划线下料。2)管子加工程序:划线―切割―加工坡口-管口检查-测量编号标记-记录。3)不锈钢管采用机械或等离子方法切割,用砂轮切割或修磨时,须使用专用砂轮片。主管道采用坡口机加工坡口,管端坡口形式及组对尺寸应符合规范及焊接工艺规程规定。碳钢管宜采用机械方法切割,当采用氧乙炔火焰切割时,需将切割表面的氧化层除去,清除坡口的弧形波纹,必须保证尺寸正确和表面平整。4)管道组对前,须对坡口及其内外表面进行清理,清除管道边缘大于等于10mm范围内的油、漆、锈、毛刺等污物。5)管道组装采用焊接规程规定的对口器。使用外对口器时,根据管径大小必须在焊口整个圆周上均匀分布4-8处定位焊,且卸下外对口器时,定位焊的累计长度不得少于管子周长的50%。6)直管段上两对接焊口中心面间的距离,当公称直径大于或等于150mm时,不应小于150mm,当公称直径小于150mm时,不应小于管子外径。焊缝距离弯管(不包括压制、热推或中频弯管)起弯点不得小于100mm,且不得小于管子外径。7)管子或管件对接焊缝组对时,内壁应齐平,内壁错边量不宜超过管壁厚度的10%,且不应大于2mm。8)管子对口时应在距接口中心200mm处测量平直度,当管子公称直径小于100mm时,允许偏差为1mm,当管子公称直径大于或等于100mm时,允许偏差为2mm,但全长允许偏差均为10mm。4.3管道安装1)管道安装应具备下列条件:(1)与管道有关的土建工程已检验合格,满足安装要求,并已办理交接手续。(2)与管道连接的机械已找正合格,固定完毕。(3)管道组成件及管道支撑件等已检验合格。(4)管子、管件、阀门等内部已清理干净,无杂物。...

1、当您付费下载文档后,您只拥有了使用权限,并不意味着购买了版权,文档只能用于自身使用,不得用于其他商业用途(如 [转卖]进行直接盈利或[编辑后售卖]进行间接盈利)。
2、本站所有内容均由合作方或网友上传,本站不对文档的完整性、权威性及其观点立场正确性做任何保证或承诺!文档内容仅供研究参考,付费前请自行鉴别。
3、如文档内容存在违规,或者侵犯商业秘密、侵犯著作权等,请点击“违规举报”。

碎片内容

石化泵房改造工程施工方案培训资料

确认删除?
VIP
微信客服
  • 扫码咨询
会员Q群
  • 会员专属群点击这里加入QQ群
客服邮箱
回到顶部