电脑桌面
添加小米粒文库到电脑桌面
安装后可以在桌面快捷访问

汽车企业生产条件考核标准-附件一:VIP免费

汽车企业生产条件考核标准-附件一:_第1页
1/4
汽车企业生产条件考核标准-附件一:_第2页
2/4
汽车企业生产条件考核标准-附件一:_第3页
3/4
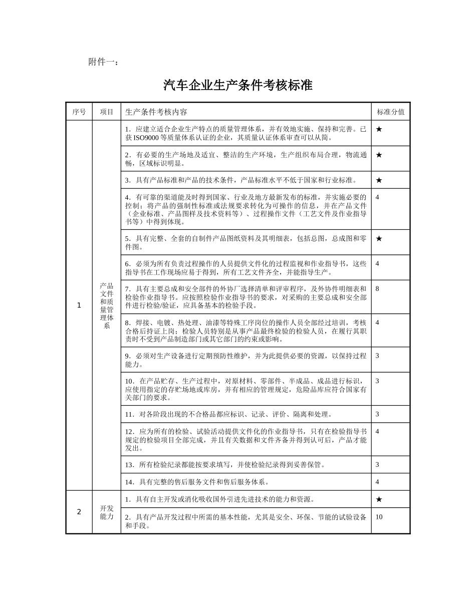
附件一:汽车企业生产条件考核标准序号项目生产条件考核内容标准分值1产品文件和质量管理体系1.应建立适合企业生产特点的质量管理体系,并有效地实施、保持和完善。已获ISO9000等质量体系认证的企业,其质量认证体系审查可以从简。★2.有必要的生产场地及适宜、整洁的生产环境,生产组织布局合理,物流通畅,区域标识明显。★3.具有产品标准和产品的技术条件,产品标准水平不低于国家和行业标准。★4.有可靠的渠道能及时得到国家、行业及地方最新发布的标准,并实施必要的控制;将产品的强制性标准或法规要求转化为可操作的信息,并在产品文件(企业标准、产品图样及技术资料等)、过程操作文件(工艺文件及作业指导书等)中得到体现。45.具有完整、全套的自制件产品图纸资料及其明细表,包括总图,总成图和零件图。★6.必须为所有负责过程操作的人员提供文件化的过程监视和作业指导书,这些指导书在工作现场应易于得到,所有工艺文件齐全,并能指导生产。47.具有主要总成和安全部件的外协厂选择清单和评审程序,及外协件明细表和检验作业指导书。应按照检验作业指导书的要求,对采购的主要总成和安全部件进行检验/验证,应具备基本的检验手段。88.焊接、电镀、热处理、油漆等特殊工序岗位的操作人员全部经过培训,考核合格后持证上岗;检验人员特别是从事产品最终检验的检验人员,在履行其职责时不受到产品制造部门或其它部门的约束或影响。49.必须对生产设备进行定期预防性维护,并为此提供必要的资源,以保持过程能力。310.在产品贮存、生产过程中,对原材料、零部件、半成品、成品进行标识,应使用指定的存贮场地或库房,并有相应的管理规定,危险品库应符合国家有关部门的要求。311.对各阶段出现的不合格品都应标识、记录、评价、隔离和处理。312.应为所有的检验、试验活动提供文件化的作业指导书,只有在检验指导书规定的检验项目全部完成,并且有关数据和文件齐备并得到认可后,产品才能发出。413.所有检验纪录都能按要求填写,并使检验纪录得到妥善保管。314.具有完整的售后服务文件和售后服务体系。42开发能力1.具有自主开发或消化吸收国外引进先进技术的能力和资源。★2.具有产品开发过程中所需的基本性能,尤其是安全、环保、节能的试验设备和手段。10序号项目生产条件考核内容标准分值3生产设备轿车微型客货车客车载货汽车专用车轻型客车大中型客车轻型货车大中型货车冲压1.车身骨架及覆盖件应全部使用正规模具生产。2.车架纵梁,横梁等中厚板件应冲压成型。1.车身骨架及覆盖件应全部使用正规模具生产。应用模具生产主要覆盖件和车门冲压件。1.驾驶室的主要覆盖件应冲压成型。1.应有满足生产需要的基本设备。102.车架纵梁,横梁等中厚板件应冲压成型。—焊装1.应有机械化车身总成焊接流水生产线。2.应有车身总成焊接流水调整线。3.车身关键配合尺寸应采用检测设备或样架检查。1.应有车身总成焊接流水生产线。2.具备车身全部总成、分总成焊装夹具。3.车身关键配合尺寸应采用检测设备或样架检查。1.应有车身总成焊接流水生产线。2.具备车身全部总成、分总成焊装夹具。1.应有3~4个车身总成焊装工位。2.具备车身全部总成、分总成焊装夹具。1.驾驶室应在流水线上装配焊接。2.具备全部车身总成、分总成焊装夹具。3.应有车架纵、横梁焊(铆)夹具。1.应有满足生产需要的基本设备。10涂装1.应有封闭式油漆生产线。包括脱脂、磷化、去离子水清洗、底漆、面漆、烘干等工序。2.应采用电泳底漆工艺。3.应有机械化车身吊运设施4.应有通风和废水、废气处理,排放指标符合有关法规要求。1.应有封闭式油漆生产线。包括脱脂、磷化、去离子水清洗、底漆、面漆、烘干等工序。2.应有通风和废水、废气处理,排放指标符合有关法规要求。1.应有车身总成涂装生产线包括前处理、底漆工序。2.应有车身喷涂室、烘干室。3.应有通风和废水、废气处理,排放指标符合有关法规要求。1.应有封闭式油漆生产线。包括脱脂、磷化、去离子水清洗、底漆、面漆、烘干等工序。2.应有通风和废水、废气处理,排放指标符合有关法规要求。1.应有封闭式油漆生产线。...

1、当您付费下载文档后,您只拥有了使用权限,并不意味着购买了版权,文档只能用于自身使用,不得用于其他商业用途(如 [转卖]进行直接盈利或[编辑后售卖]进行间接盈利)。
2、本站所有内容均由合作方或网友上传,本站不对文档的完整性、权威性及其观点立场正确性做任何保证或承诺!文档内容仅供研究参考,付费前请自行鉴别。
3、如文档内容存在违规,或者侵犯商业秘密、侵犯著作权等,请点击“违规举报”。

碎片内容

汽车企业生产条件考核标准-附件一:

您可能关注的文档

文泉书屋+ 关注
实名认证
内容提供者

热爱教学事业,对互联网知识分享很感兴趣

确认删除?
VIP
微信客服
  • 扫码咨询
会员Q群
  • 会员专属群点击这里加入QQ群
客服邮箱
回到顶部