电脑桌面
添加小米粒文库到电脑桌面
安装后可以在桌面快捷访问

折床培训教材VIP免费

折床培训教材_第1页
1/14
折床培训教材_第2页
2/14
折床培训教材_第3页
3/14
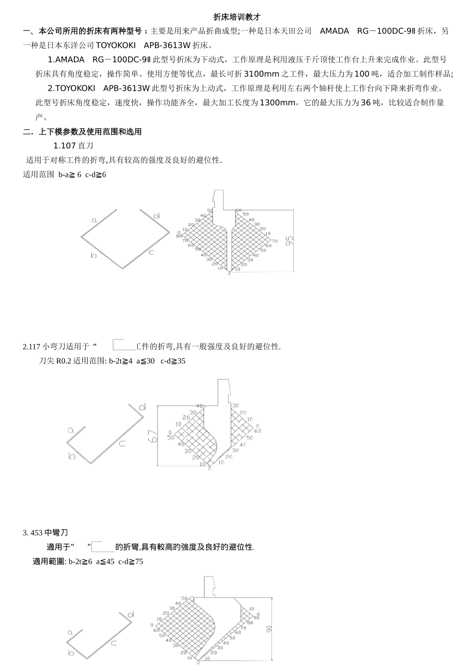
折床培训教才一、本公司所用的折床有两种型号﹔主要是用来产品折曲成型;一种是日本天田公司AMADARG-100DC-9Ⅱ折床,另一种是日本东洋公司TOYOKOKIAPB-3613W折床。1.AMADARG-100DC-9Ⅱ此型号折床为下动式,工作原理是利用液压千斤顶使工作台上升来完成作业。此型号折床具有角度稳定,操作简单、使用方便等优点,最长可折3100mm之工件,最大压力为100吨,适合加工制作样品;2.TOYOKOKIAPB-3613W此型号折床为上动式,工作原理是利用左右两个轴杆使上工作台向下降来折弯作业。此型号折床角度稳定,速度快,操作功能齐全,最大加工长度为1300mm,它的最大压力为36吨,比较适合制作量产。二.上下模参数及使用范围和选用1.107直刀适用于对称工件的折弯,具有较高的强度及良好的避位性.适用范围b-a≧6c-d≧62.117小弯刀适用于“”形工件的折弯,具有一般强度及良好的避位性.刀尖R0.2适用范围:b-2t≧4a≦30c-d≧353.453中彎刀適用于“”形工件的折彎,具有較高的強度及良好的避位性.適用範圍:b-2t≧6a≦45c-d≧754.小尖刀103、大尖刀210:適用於銳角,對稱件的折彎,具有較高的強度及優良的避位性.適用範圍:A/b=1.72也適于抽孔、鉚釘、离折彎線較近時使用.5.大彎刀52:適用于“”形工件的折彎,具有較高的強度及一般的避位性.適用範圍:b-2t≧10a≦75c-d≧906.壓平模:適用于反折壓平,鉚、釘整形等.7.14830圓弧刀:適用於對折彎圓弧有特殊要求的工件.折彎內R=3.0,也可用於整形.8.自制117小彎刀適用U型折彎,具有一般強度,和較好的避位性,適用範圍:a-2t≧2.8b≦30c-d≧359.U型槽選刀<1.a-b8≧時,選用109、103、453、117、210、47﹔<2.4<ab≦且1<b/a1.5≦時選用117﹔<3.b10,b/a2.0≦且b<30時,選用117、453、47﹔<5.a>10,b/a2.4≦且b<53時,選用453、47﹔<6.a>10,1.7b/a2.6≦≦且53

1、当您付费下载文档后,您只拥有了使用权限,并不意味着购买了版权,文档只能用于自身使用,不得用于其他商业用途(如 [转卖]进行直接盈利或[编辑后售卖]进行间接盈利)。
2、本站所有内容均由合作方或网友上传,本站不对文档的完整性、权威性及其观点立场正确性做任何保证或承诺!文档内容仅供研究参考,付费前请自行鉴别。
3、如文档内容存在违规,或者侵犯商业秘密、侵犯著作权等,请点击“违规举报”。

碎片内容

折床培训教材

您可能关注的文档

确认删除?
微信客服
  • 扫码咨询
会员Q群
  • 会员专属群点击这里加入QQ群