电脑桌面
添加小米粒文库到电脑桌面
安装后可以在桌面快捷访问

古翠路承重支模架专项施工方案VIP免费

古翠路承重支模架专项施工方案_第1页
1/131
古翠路承重支模架专项施工方案_第2页
2/131
古翠路承重支模架专项施工方案_第3页
3/131
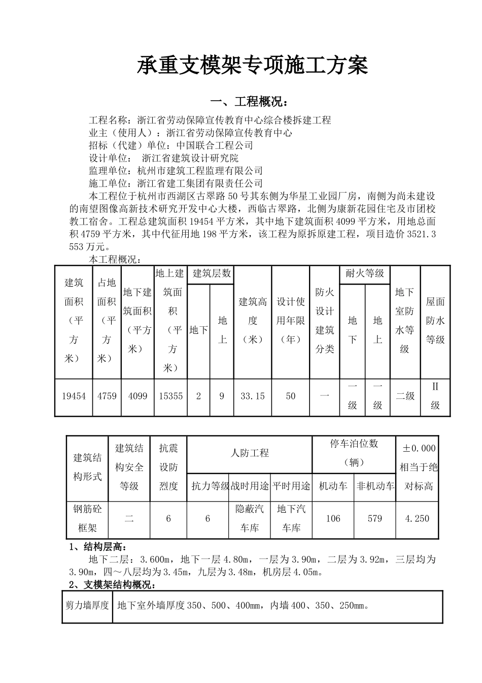
目录一、工程概况:.........................................................................................................................31、结构层高:....................................................................................................................32、支模架结构概况:........................................................................................................43、施工要求:....................................................................................................................44、技术保证条件................................................................................................................5二、编制依据:.........................................................................................................................7三、支模架设计范围及特点:.................................................................................................81、各墙、柱、梁、板情况................................................................................................8四、施工部署:.........................................................................................................................91、总体部署........................................................................................................................92、项目班子组织和管理....................................................................................................93、施工进度及流程安排..................................................................................................104混凝土浇捣施工部署.....................................................................................................11五、支模架形式选定及设计:...............................................................................................121、剪力墙:......................................................................................................................122、柱:..............................................................................................................................123、梁:..............................................................................................................................124、楼板:..........................................................................................................................135、模板计划:..................................................................................................................13六、支模架的构造要求及措施:...........................................................................................151、架体总体要求..............................................................................................................152、构造要求及措施..........................................................................................................15七、支模架的搭设及拆除:...................................................................................................181、模板安装工艺..............................................................................................................182、模板安装施工顺序......................................................................................................183、模板拆除......................................................................................................................19...

1、当您付费下载文档后,您只拥有了使用权限,并不意味着购买了版权,文档只能用于自身使用,不得用于其他商业用途(如 [转卖]进行直接盈利或[编辑后售卖]进行间接盈利)。
2、本站所有内容均由合作方或网友上传,本站不对文档的完整性、权威性及其观点立场正确性做任何保证或承诺!文档内容仅供研究参考,付费前请自行鉴别。
3、如文档内容存在违规,或者侵犯商业秘密、侵犯著作权等,请点击“违规举报”。

碎片内容

古翠路承重支模架专项施工方案

您可能关注的文档

文泉书屋+ 关注
实名认证
内容提供者

热爱教学事业,对互联网知识分享很感兴趣

确认删除?
VIP
微信客服
  • 扫码咨询
会员Q群
  • 会员专属群点击这里加入QQ群
客服邮箱
回到顶部