电脑桌面
添加小米粒文库到电脑桌面
安装后可以在桌面快捷访问

某中型制造业库管岗位说明书VIP免费

某中型制造业库管岗位说明书_第1页
1/3
某中型制造业库管岗位说明书_第2页
2/3
某中型制造业库管岗位说明书_第3页
3/3
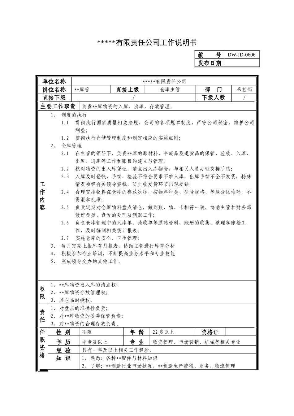
*****有限责任公司工作说明书编号DW-JD-0606发布日期单位名称*****有限责任公司岗位名称**库管直接上级仓库主管部门采控部直接下级/下级人数/主要工作职责负责**库物资的入库、出库、存放管理。工作内容1、制度的执行1.1贯彻执行国家质量相关法规、公司的各项规章制度,严守公司秘密,维护公司利益;1.2贯彻执行仓储管理制度和制定相应的实施细则;2、仓库管理2.1在主管的领导下,负责**库的原材料、半成品及退货品的保管、验收、入库、出库、退库等工作和账目的建立与管理;2.2核对物资的出入库凭证,清点出入库物资,与相关人员办理交接手续;2.3入库及时登帐,手续、检验不符合要求不准入库,出库手续不全不发货,特殊情况须经有关领导签批,防止收发货环节出现差错;2.4合理安排物料在仓库的存放次序,按物料种类、型号规格、等级分区堆码,不得混和乱堆;2.5负责定期对仓库物料盘点清仓,做到账、物、卡相符一致,协助主管和财务部做好盘盈、盘亏的处理及调账工作;2.6负责仓库管理中的入库单、验收单等原始资料、账册的收集、整理和建档工作,及时编制相关统计报表;2.7实施仓库的安全、卫生管理;3、每月定期上报库存月报表,协助主管进行库存分析4、积极参加专业培训,不断提高业务水平和专业技能5、完成领导交办的其他工作。权限1、**库物资出入库的清点权;2、**库物资存放管理权;3、其它临时授权。责任1、对盘点的准确性负责;2、对**库物资的妥善保管负责;3、对**物资的合理存放负责。任职资格性别不限年龄22岁以上资格证学历中专及以上专业物资管理、市场营销、机械等相关专业经验具有一年及以上相关工作经验。知识1、熟悉:各种**配件与材料知识2、了解:**制造行业市场状况、**制造生产流程、财务、物流管理技能1、具有良好的协调沟通能力;2、具有较强的快速应变能力;职业道德诚信、廉洁、敬业、严谨;责任心强、品行端正。*****有限责任公司工作说明书编号DW-JD-0607发布日期单位名称*****有限责任公司岗位名称装配库管直接上级仓库主管部门采控部直接下级/下级人数/主要工作职责负责装配库物资的入库、出库、存放管理。工作内容1、制度的执行1.1贯彻执行国家质量相关法规、公司的各项规章制度,严守公司秘密,维护公司利益;1.2贯彻执行仓储管理制度和制定相应的实施细则;2、仓库管理2.1在主管的领导下,负责装配库的原材料、半成品、成品及退货品的保管、验收、入库、出库、退库等工作和账目的建立与管理;2.2核对物资的出入库凭证,清点出入库物资,与相关人员办理交接手续;2.3入库及时登帐,手续、检验不符合要求不准入库,出库手续不全不发货,特殊情况须经有关领导签批,防止收发货环节出现差错;2.4合理安排物料在仓库的存放次序,按物料种类、型号规格、等级分区堆码,不得混和乱堆;2.5负责定期对仓库物料盘点清仓,做到账、物、卡相符一致,协助主管和财务部做好盘盈、盘亏的处理及调账工作;2.6负责仓库管理中的入库单、验收单等原始资料、账册的收集、整理和建档工作,及时编制相关统计报表;2.7实施仓库的安全、卫生管理;3、每月定期上报库存月报表,协助主管进行库存分析4、积极参加专业培训,不断提高业务水平和专业技能5、完成领导交办的其他工作。权限1、装配库物资入库的清点权;2、装配库物资存放管理权;3、其它临时授权。责任1、对盘点的准确性负责;2、对装配库物资的妥善保管负责;3、对装配物资的合理存放负责。任职性别不限年龄22岁以上资格证学历中专及以上专业物资管理、市场营销、机械等相关专业资格经验具有一年及以上相关工作经验。知识1、熟悉:各种**配件与材料知识2、了解:**制造行业市场状况、**制造生产流程、财务、物流管理技能1、具有良好的协调沟通能力;2、具有较强的快速应变能力;职业道德诚信、廉洁、敬业、严谨;责任心强、品行端正。

1、当您付费下载文档后,您只拥有了使用权限,并不意味着购买了版权,文档只能用于自身使用,不得用于其他商业用途(如 [转卖]进行直接盈利或[编辑后售卖]进行间接盈利)。
2、本站所有内容均由合作方或网友上传,本站不对文档的完整性、权威性及其观点立场正确性做任何保证或承诺!文档内容仅供研究参考,付费前请自行鉴别。
3、如文档内容存在违规,或者侵犯商业秘密、侵犯著作权等,请点击“违规举报”。

碎片内容

某中型制造业库管岗位说明书

文泉书屋+ 关注
实名认证
内容提供者

热爱教学事业,对互联网知识分享很感兴趣

确认删除?
VIP
微信客服
  • 扫码咨询
会员Q群
  • 会员专属群点击这里加入QQ群
客服邮箱
回到顶部