电脑桌面
添加小米粒文库到电脑桌面
安装后可以在桌面快捷访问

隧道横洞施工方案培训资料VIP免费

隧道横洞施工方案培训资料_第1页
1/32
隧道横洞施工方案培训资料_第2页
2/32
隧道横洞施工方案培训资料_第3页
3/32
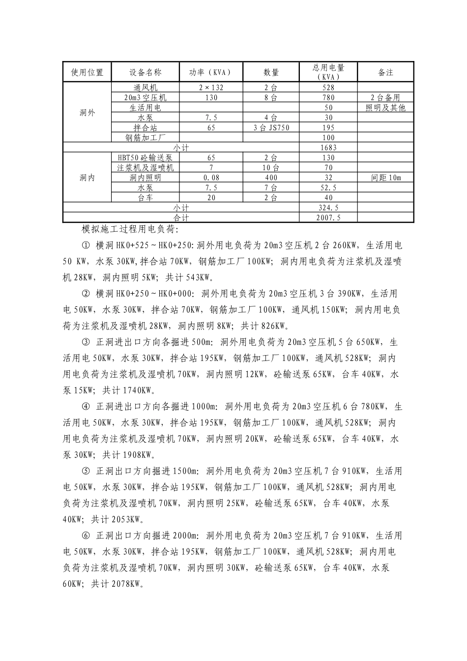
九盘岭隧道横洞施工方案一、工程概况:为满足工期要求及缓解正洞施工通风压力,原设计在九盘岭隧道DK965+580处线路前进方向右侧设置一处横洞,全长525m,采用双车道无轨运输。横洞线路平面夹角90°,坡度-3‰。横洞断面净空尺寸5.1(宽)×4.8m(高)。考虑到工期压力,现将横洞断面净空尺寸改为6.8m(宽)×7.0m(高)。横洞与正洞的交点里程对应关系为HK0+000=DK965+580。二、总体施工方案:隧道横洞施工按照新奥法原理组织。软岩地段施工始终坚持“弱爆破、短进尺、强支护、早封闭、勤量测、紧衬砌”的原则。在施工中积投入大型施工机械设备,组成钻爆、挖、装、运、锚、衬等机械化作业线;喷砼采用湿喷机;二次衬砌全部采用钢架配3015组合模板和泵送砼作业,施工中采用先进的量测、探测技术取得围岩状态参数,通过对数据的分析和处理,及时反馈信息指导施工。新奥法施工程序见流程图1。1、根据九盘岭隧道横洞围岩情况(Ⅲ级371m,Ⅳ级80m,Ⅴ级74m)及洞口围岩地质情况,采用仰坡打锚杆,挂网喷锚加固防护,主动受力式套拱反压法开挖进洞。洞身开挖Ⅲ级采用全断面开挖,Ⅳ、Ⅴ级围岩均采用三台阶法施工。隧道底板开挖与下台阶开挖同步,并及时灌注底板砼。2、钻爆采用简易钻孔平台,塑料导爆管微差毫秒雷管光面爆破技术开挖。采用ZLC50装载机装碴,自卸车出碴。喷砼采用湿喷机配机械手作业。3、隧道模筑衬砌砼灌注采用钢架配3015组合模板施工,一次施工长度9m。砼由本隧道所设2台JS750+PLD1000自动计量拌和站供给,砼搅拌运输车送至洞内,采用HBT50型砼输送泵作业,插入振动棒捣固。4、小导管、钢筋、锚杆、工字钢架由钢筋加工厂统一加工。三、临时工程及临时设施:临时设施设置应按照正洞施工需求考虑,故以下临时设施均按照正洞施工需要进行配备。(横洞及正洞洞内三管两线布置见图2)1、施工便道九盘岭隧道横洞从320国道2902+500m处新建施工便道3.5km进入施工现场。连接弃碴场、料场和生产、生活区。便道的修建遵循既满足施工需要,又节省投资的原则,尽量采用路堑形式。施监控量测施工准备实施性施工组织设计开挖初期支护是否符合“施规”要求二次衬砌光面爆破减少扰动锚喷支护减少围岩变形结束修改施工方案修改支护参数洞内观测,位移量测指导施工与设计否是安设防排水系统工图1新奥法施工程序框图中,注意水土保持和环境保护,以达到施工便道标准,满足施工需要。便道采用泥结碎石路面,厚35cm,路基宽度7m,其中土路肩50cm,直线段双侧2%坡、转弯处单侧2%坡排水,路面宽度6m,边坡坡度1:1,错车道宽8m,最大纵坡9%,错车道间距200m,长度不小于20m,路面质量满足车辆行车要求,并设专人养护,保证晴雨畅通。2、施工供电根据配备的施工设备配置情况及用电线路的损耗计算。(施工设备配置见表1)表1施工设备配置表使用位置设备名称功率(KVA)数量总用电量(KVA)备注洞外通风机2×1322台52820m3空压机1308台7802台备用生活用电50照明及其他水泵7.54台30拌合站653台JS750195钢筋加工厂100小计1683洞内HBT50砼输送泵652台130注浆机及湿喷机710台70洞内照明0.0840032间距10m水泵7.57台52.5台车202台40小计324.5合计2007.5模拟施工过程用电负荷:①横洞HK0+525~HK0+250:洞外用电负荷为20m3空压机2台260KW,生活用电50KW,水泵30KW,拌合站70KW,钢筋加工厂100KW;洞内用电负荷为注浆机及湿喷机28KW,洞内照明5KW;共计543KW。②横洞HK0+250~HK0+000:洞外用电负荷为20m3空压机3台390KW,生活用电50KW,水泵30KW,拌合站70KW,钢筋加工厂100KW,通风机150KW;洞内用电负荷为注浆机及湿喷机28KW,洞内照明8KW;共计826KW。③正洞进出口方向各掘进500m:洞外用电负荷为20m3空压机5台650KW,生活用电50KW,水泵30KW,拌合站195KW,钢筋加工厂100KW,通风机528KW;洞内用电负荷为注浆机及湿喷机70KW,洞内照明12KW,砼输送泵65KW,台车40KW,水泵15KW;共计1740KW。④正洞进出口方向各掘进1000m:洞外用电负荷为20m3空压机6台780KW,生活用电50KW,水泵30KW,拌合站195KW,钢筋加工厂100KW,通风机528KW;洞内用电负荷为注浆机及湿喷机70KW,洞内照明20KW,砼输送泵65KW,台车40KW,水泵30K...

1、当您付费下载文档后,您只拥有了使用权限,并不意味着购买了版权,文档只能用于自身使用,不得用于其他商业用途(如 [转卖]进行直接盈利或[编辑后售卖]进行间接盈利)。
2、本站所有内容均由合作方或网友上传,本站不对文档的完整性、权威性及其观点立场正确性做任何保证或承诺!文档内容仅供研究参考,付费前请自行鉴别。
3、如文档内容存在违规,或者侵犯商业秘密、侵犯著作权等,请点击“违规举报”。

碎片内容

隧道横洞施工方案培训资料

您可能关注的文档

确认删除?
VIP
微信客服
  • 扫码咨询
会员Q群
  • 会员专属群点击这里加入QQ群
客服邮箱
回到顶部