电脑桌面
添加小米粒文库到电脑桌面
安装后可以在桌面快捷访问

某中型制造业机电维修工岗位说明书及KPI指标VIP免费

某中型制造业机电维修工岗位说明书及KPI指标_第1页
1/3
某中型制造业机电维修工岗位说明书及KPI指标_第2页
2/3
某中型制造业机电维修工岗位说明书及KPI指标_第3页
3/3
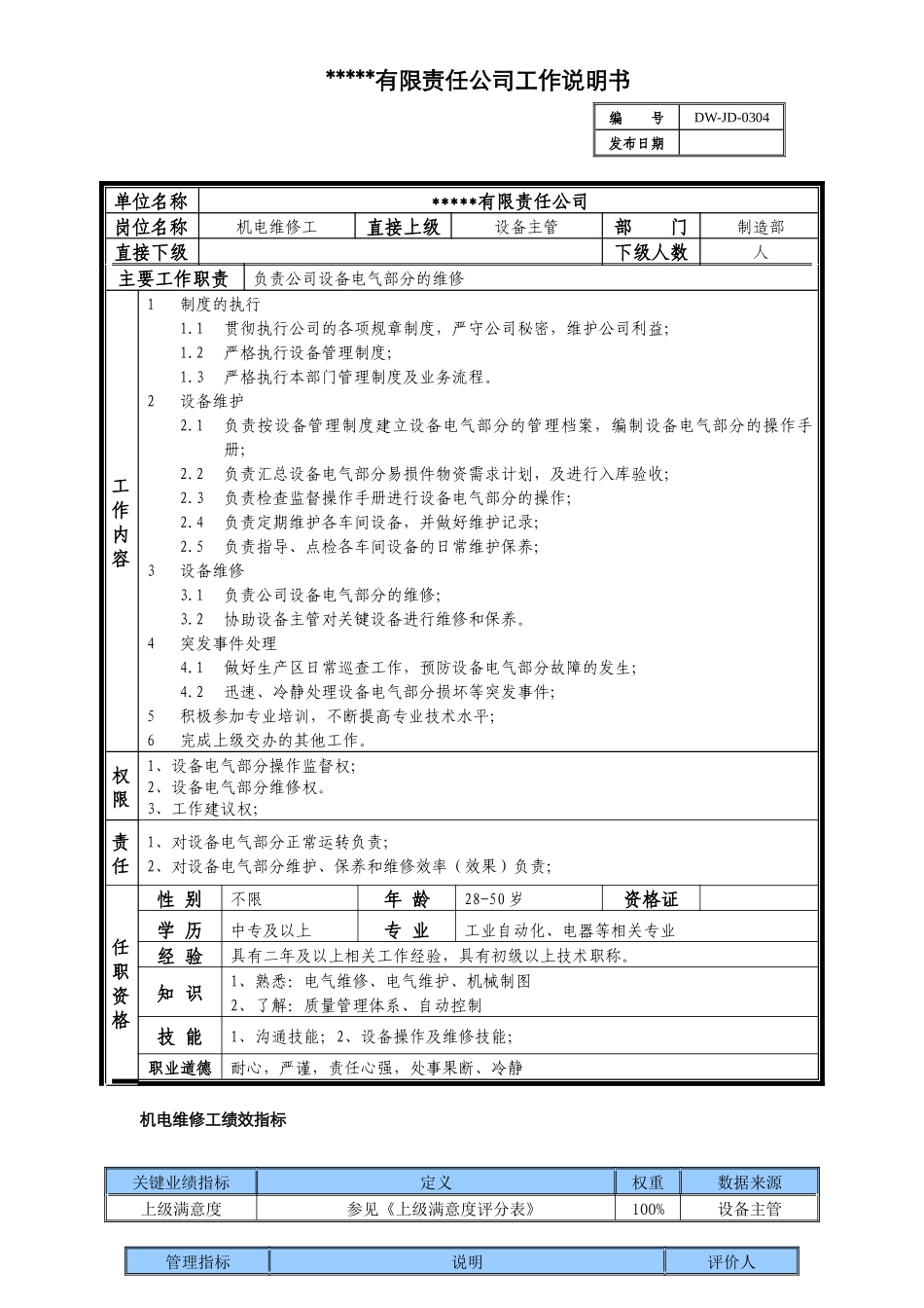
*****有限责任公司工作说明书编号DW-JD-0304发布日期单位名称*****有限责任公司岗位名称机电维修工直接上级设备主管部门制造部直接下级下级人数人主要工作职责负责公司设备电气部分的维修工作内容1制度的执行1.1贯彻执行公司的各项规章制度,严守公司秘密,维护公司利益;1.2严格执行设备管理制度;1.3严格执行本部门管理制度及业务流程。2设备维护2.1负责按设备管理制度建立设备电气部分的管理档案,编制设备电气部分的操作手册;2.2负责汇总设备电气部分易损件物资需求计划,及进行入库验收;2.3负责检查监督操作手册进行设备电气部分的操作;2.4负责定期维护各车间设备,并做好维护记录;2.5负责指导、点检各车间设备的日常维护保养;3设备维修3.1负责公司设备电气部分的维修;3.2协助设备主管对关键设备进行维修和保养。4突发事件处理4.1做好生产区日常巡查工作,预防设备电气部分故障的发生;4.2迅速、冷静处理设备电气部分损坏等突发事件;5积极参加专业培训,不断提高专业技术水平;6完成上级交办的其他工作。权限1、设备电气部分操作监督权;2、设备电气部分维修权。3、工作建议权;责任1、对设备电气部分正常运转负责;2、对设备电气部分维护、保养和维修效率(效果)负责;任职资格性别不限年龄28-50岁资格证学历中专及以上专业工业自动化、电器等相关专业经验具有二年及以上相关工作经验,具有初级以上技术职称。知识1、熟悉:电气维修、电气维护、机械制图2、了解:质量管理体系、自动控制技能1、沟通技能;2、设备操作及维修技能;职业道德耐心,严谨,责任心强,处事果断、冷静机电维修工绩效指标关键业绩指标定义权重数据来源上级满意度参见《上级满意度评分表》100%设备主管管理指标说明评价人管理制度及工作流程的执行1.违反公司管理制度及工作流程,扣1分/次;2.违反公司管理制度及工作流程,且给公司造成损失,直接责任扣5分及以上,间接责任扣2~5分设备主管设备档案建立按设备管理制度建立设备电气部分的管理档案,若发现档案不齐或错误扣2~5分/次设备主管设备操作手册编制编制设备电气部分的操作手册,若发现操作手册不齐或错误扣2~5分/次设备主管设备维修及时因设备维修不及时造成延误生产依损失大小扣5~10分/次设备主管设备维修达标设备维修未达标的扣除5~10分/次设备主管电的维护因维护不善造成公司电路事故或停电,影响生产进度扣5~10分/次制造部经理三级保养制度执行情况未按设备保养制度开展设备保养工作,扣5~10分/次制造部经理上级交办的其它工作没有及时完成或上级对完成情况不满意扣1~5分/次设备主管内部客户满意度因工作原因被公司同事或客户投诉,经查实,视情节轻重,扣2~5分/次设备主管合理化建议凡提出合理化建议被采纳在部门中实施的可酌情加2~5分/次,在公司实施的加5~10分/次业绩管理小组

1、当您付费下载文档后,您只拥有了使用权限,并不意味着购买了版权,文档只能用于自身使用,不得用于其他商业用途(如 [转卖]进行直接盈利或[编辑后售卖]进行间接盈利)。
2、本站所有内容均由合作方或网友上传,本站不对文档的完整性、权威性及其观点立场正确性做任何保证或承诺!文档内容仅供研究参考,付费前请自行鉴别。
3、如文档内容存在违规,或者侵犯商业秘密、侵犯著作权等,请点击“违规举报”。

碎片内容

某中型制造业机电维修工岗位说明书及KPI指标

您可能关注的文档

确认删除?
VIP
微信客服
  • 扫码咨询
会员Q群
  • 会员专属群点击这里加入QQ群
客服邮箱
回到顶部