电脑桌面
添加小米粒文库到电脑桌面
安装后可以在桌面快捷访问

不锈钢阀门价格VIP免费

不锈钢阀门价格_第1页
1/111
不锈钢阀门价格_第2页
2/111
不锈钢阀门价格_第3页
3/111
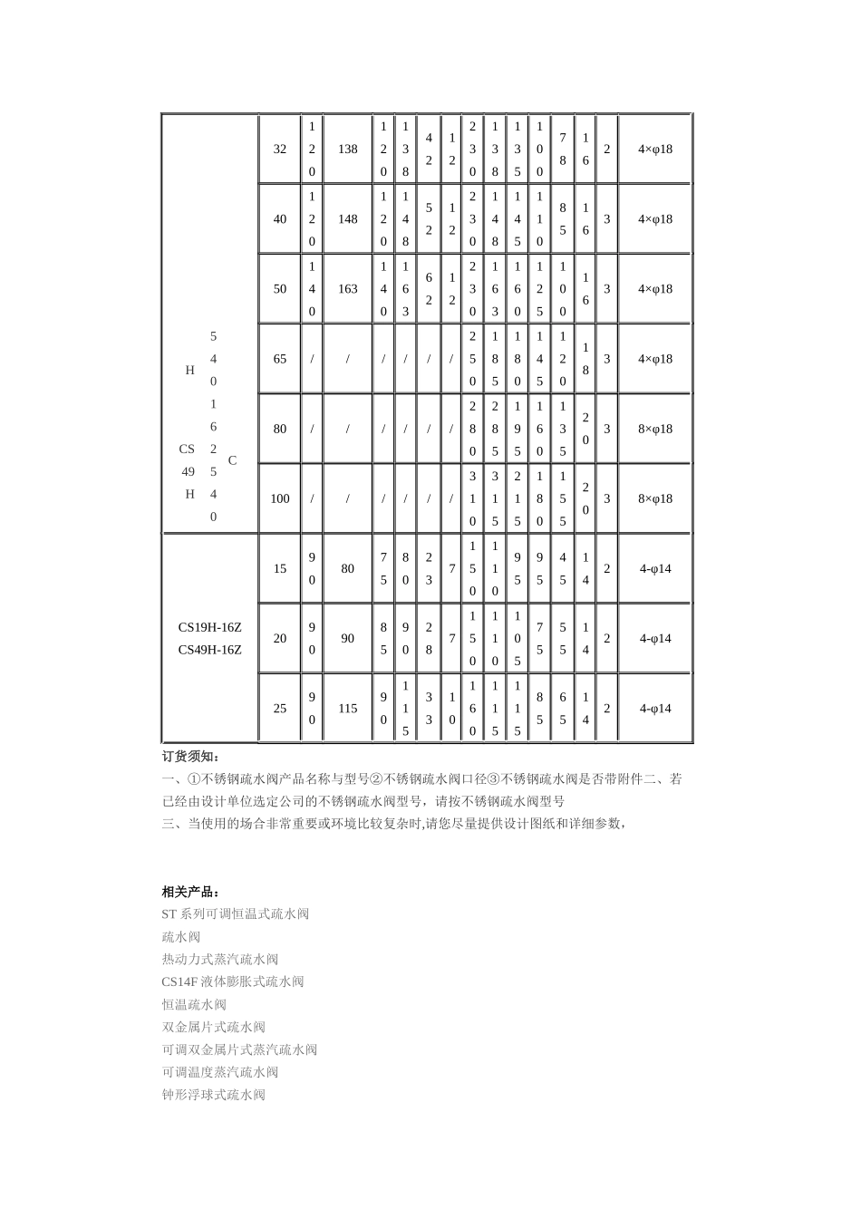
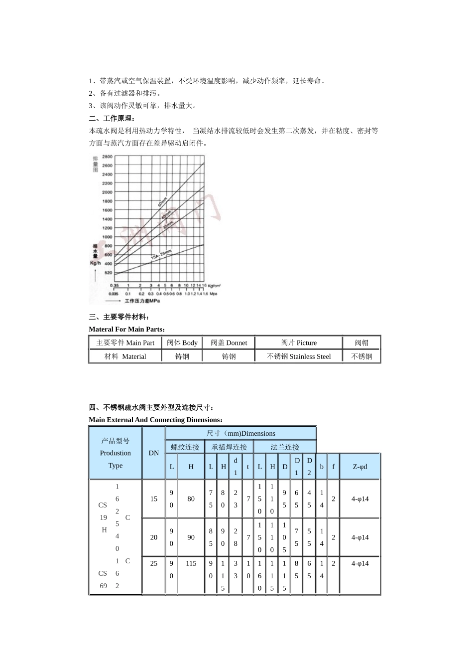
不锈钢阀门价格关院校,目前有成员单位38家。1987年更名为润滑脂协会。该协会成立以来,为润滑脂行业的发展做了大量积极有效的工作。根据民政部2001年23号令,社团分支机构不能再设下一级组织,且学术组织不宜管理协会,同时因该行业覆盖面较窄也不可能成为全国性行业社团组织,因此直接影响到该协会的存在以及润滑脂行业的工作协调。从协会规范运作、更好地发挥服务功能的角度出发,该协会申请作为中国石油和化学工业协会的分支机构。中国石油和化学工业协会经一届四次理事会通过决议,接受该协会的申请,拟在原润滑脂协会的基础上成立"中国石油和化学工业协会润滑脂专业委员会"。罗奇:中国企业突现高增长盈利能力是不可能的最近,中国企业的盈利能力成为一个热门话题。世界银行发表报告称,中国迅速飙升的国民储蓄率(估计在2005年占GDP几达50%)中的大部分应归因于高速增长的企业储蓄和利润,银行贷款仅占企业固定投资金额约三分一,超过50%的资金是来自企业利润。而新桥投资(TPGNewbridge)的单伟建则撰文指出世行的结论与现实情况相矛盾,比如资本负债率理应下降及资本回报率应会上升,无利可图的中国公司事实上仍依赖着银行贷款度日。摩根士丹首页>>产品中心>>不锈钢疏水阀一、结构特点:1、带蒸汽或空气保温装置,不受环境温度影响,减少动作频率,延长寿命。2、备有过滤器和排污。3、该阀动作灵敏可靠,排水量大。二、工作原理:本疏水阀是利用热动力学特性,当凝结水排流较低时会发生第二次蒸发,并在粘度、密封等方面与蒸汽方面存在差异驱动启闭件。三、主要零件材料:MateralForMainParts:主要零件MainPart阀体Body阀盖Donnet阀片Picture阀帽材料Material铸钢铸钢不锈钢StainlessSteel不锈钢四、不锈钢疏水阀主要外型及连接尺寸:MainExternalAndConnectingDinensions:产品型号ProdustionTypeDN尺寸(mm)Dimensions螺纹连接承插焊连接法兰连接LHLHd1tLHDD1D2bfZ-φdCS19H16C2540CS6916C215908075802371501109565451424-φ14209090859028715011010575551424-φ14259011590115331016011511585651424-φ14H540CS49H16C2540321201381201384212230138135100781624×φ18401201481201485212230148145110851634×φ185014016314016362122301631601251001634×φ1865//////2501851801451201834×φ1880//////2802851951601352038×φ18100//////3103152151801552038×φ18CS19H-16ZCS49H-16Z15908075802371501109595451424-φ14209090859028715011010575551424-φ14259011590115331016011511585651424-φ14订货须知:一、①不锈钢疏水阀产品名称与型号②不锈钢疏水阀口径③不锈钢疏水阀是否带附件二、若已经由设计单位选定公司的不锈钢疏水阀型号,请按不锈钢疏水阀型号三、当使用的场合非常重要或环境比较复杂时,请您尽量提供设计图纸和详细参数,相关产品:ST系列可调恒温式疏水阀疏水阀热动力式蒸汽疏水阀CS14F液体膨胀式疏水阀恒温疏水阀双金属片式疏水阀可调双金属片式蒸汽疏水阀可调温度蒸汽疏水阀钟形浮球式疏水阀ES8B钟形浮子式疏水阀疏水调节阀首页>>产品中心>>不锈钢丝口旋塞阀一、性能与规范:公称压力试验压力Ps(Mpa)适用介质工作温度℃壳体密封1.01.51.1煤气、天然气≤100二、不锈钢丝口旋塞阀主要连接与外形尺寸:公称通径管螺纹GLL1ISfDN151/265110123045203/475110153656251901301646-3211001301855-4011201302060-订货须知:一、①不锈钢丝口旋塞阀产品名称与型号②不锈钢丝口旋塞阀口径③不锈钢丝口旋塞阀是否带附件二、若已经由设计单位选定公司的不锈钢丝口旋塞阀型号,请按不锈钢丝口旋塞阀型号三、当使用的场合非常重要或环境比较复杂时,请您尽量提供设计图纸和详细参数,相关产品:三通内螺纹旋塞阀法兰铜心旋塞阀不锈钢法兰式旋塞阀二通法兰式黄铜旋塞阀法兰三通旋塞阀旋塞阀X13W内螺纹旋塞阀衬胶旋塞阀三通内螺纹全铜旋塞阀压力表三通旋塞阀铸铁保温旋塞阀BX43W二通保温旋塞阀BX44W三通保温旋塞阀X47油密封旋塞阀X44W三通法兰式旋塞阀闸阀>>螺纹闸阀>>不锈钢丝口闸阀产品名称:不锈钢丝口闸阀产品型号:Z15W产品口径:DN15~50产品压力:0.6~6.4M...

1、当您付费下载文档后,您只拥有了使用权限,并不意味着购买了版权,文档只能用于自身使用,不得用于其他商业用途(如 [转卖]进行直接盈利或[编辑后售卖]进行间接盈利)。
2、本站所有内容均由合作方或网友上传,本站不对文档的完整性、权威性及其观点立场正确性做任何保证或承诺!文档内容仅供研究参考,付费前请自行鉴别。
3、如文档内容存在违规,或者侵犯商业秘密、侵犯著作权等,请点击“违规举报”。

碎片内容

不锈钢阀门价格

您可能关注的文档

确认删除?
VIP
微信客服
  • 扫码咨询
会员Q群
  • 会员专属群点击这里加入QQ群
客服邮箱
回到顶部