电脑桌面
添加小米粒文库到电脑桌面
安装后可以在桌面快捷访问

某化纤企业计控工程师职务说明书VIP免费

某化纤企业计控工程师职务说明书_第1页
1/2
某化纤企业计控工程师职务说明书_第2页
2/2
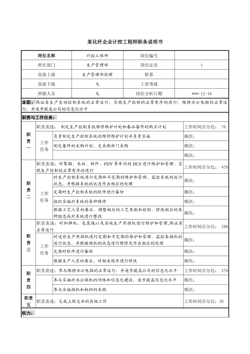
某化纤企业计控工程师职务说明书岗位名称计控工程师岗位编号所在部门生产管理部岗位定员1直接上级生产管理部经理职系直接下级无工资等级所辖人员无岗位分析日期***-12-18本职:保证各生产自动控制系统的正常运行,实现生产控制的正常有序的进行;维持办公电脑的正常运行,并逐步提高公司的信息化水平职责与工作任务:职责一职责表述:制定生产控制系统维修维护计划和备品备件的购买计划工作时间百分比:5%工作任务负责制定生产控制系统的维修维护计划并负责实施频次:制定备件的采购计划,交采购部门采购频次:频次:职责二职责表述:对聚酯、长丝、短纤、FDY等车间的DCS进行维护和管理,实现生产控制的正常有序的进行工作时间百分比:45%工作任务对生产控制系统进行定期和不定期的维护和管理,监控系统的运行状态,并根据系统的状态作出相应的处理频次:定期对生产控制系统的软件进行备份频次:组织实施对系统的各种维修频次:根据工艺人员的要求,调整相应的工艺参数和控制,修改相应的各种组态或对系统进行整改频次:职责三职责表述:对加弹机、包装线以及其他生产用微机进行维护和管理,保证其正常运行工作时间百分比:20%工作任务对这些生产用微机进行定期和不定期的维护和管理,监控各微机的运行状态,并根据微机的状态进行维修及作出相应的处理频次:定期对软件进行备份频次:根据生产人员的要求,对相关程序进行修改频次:职责四职责表述:参与维持办公电脑的正常运行,并逐步提高公司的信息化水平工作时间百分比:25%参与实施对办公微机的网络和信息化建设,逐步提高信息化水平频次:参与实施微机和耗材的采购频次:职责五职责表述:完成上级交办的其他工作工作时间百分比:5%权力:对生产控制系统的备件和物资计划有审核权对公司工艺、设备改造及新上项目的计算机控制系统有审核、认定权对公司增添办公自动化设备有审核权工作协作关系:内部协调关系各生产车间的工艺人员和电仪人员,以及各车间和部门的微机使用人员外部协调关系自控系统和备件供应商,办公电脑和耗材供应商,网络公司,相关政府机关任职资格:教育水平大学本科及以上学历专业通信或计算机相关专业培训经历接受过自控培训、DCS培训,英语口语培训,网络安全员培训经验3年以上DCS维护管理经验知识精通DCS维护,通晓信息化相关知识和办公电脑的维护,了解专业英语知识技能技巧熟练使用solaris、OS/2、windows等操作系统及相关工具软件,具有一定的写作能力其它:使用工具设备一般办公自动化设备,DCS专用设备工作环境办公楼环境工作时间特征正常工作时间,经常加班,偶尔出差所需记录文档及传达部门和人员汇报文件或报告、总结:上级;电子邮件:相关业务单位考核要点备注:

1、当您付费下载文档后,您只拥有了使用权限,并不意味着购买了版权,文档只能用于自身使用,不得用于其他商业用途(如 [转卖]进行直接盈利或[编辑后售卖]进行间接盈利)。
2、本站所有内容均由合作方或网友上传,本站不对文档的完整性、权威性及其观点立场正确性做任何保证或承诺!文档内容仅供研究参考,付费前请自行鉴别。
3、如文档内容存在违规,或者侵犯商业秘密、侵犯著作权等,请点击“违规举报”。

碎片内容

某化纤企业计控工程师职务说明书

确认删除?
VIP
微信客服
  • 扫码咨询
会员Q群
  • 会员专属群点击这里加入QQ群
客服邮箱
回到顶部