电脑桌面
添加小米粒文库到电脑桌面
安装后可以在桌面快捷访问

无铅锡波峰浸锡培训教材VIP免费

无铅锡波峰浸锡培训教材_第1页
1/14
无铅锡波峰浸锡培训教材_第2页
2/14
无铅锡波峰浸锡培训教材_第3页
3/14
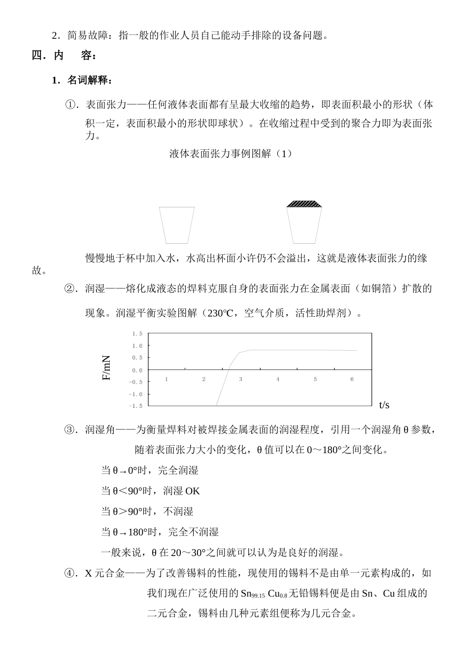
一.目的:全面掌握无铅锡、波峰浸锡工艺和设备性能,设置正确的工艺参数,有效地保证产品质量。二.适用范围:1.从事调试锡炉的组长和技术人员。2.从事测试锡炉温度即打印温度曲线的组长和技术人员。三.定义:1.故障:指设备影响了生产、品质、设备性能指标,需专业人员进行排除的设备问题。2.简易故障:指一般的作业人员自己能动手排除的设备问题。四.内容:1.名词解释:①.表面张力——任何液体表面都有呈最大收缩的趋势,即表面积最小的形状(体积一定,表面积最小的形状即球状)。在收缩过程中受到的聚合力即为表面张力。液体表面张力事例图解(1)慢慢地于杯中加入水,水高出杯面小许仍不会溢出,这就是液体表面张力的缘故。②.润湿——熔化成液态的焊料克服自身的表面张力在金属表面(如铜箔)扩散的现象。润湿平衡实验图解(230℃,空气介质,活性助焊剂)。③.润湿角——为衡量焊料对被焊接金属表面的润湿程度,引用一个润湿角θ参数,随着表面张力大小的变化,θ值可以在0~180°之间变化。当θ→0°时,完全润湿当θ<90°时,润湿OK当θ>90°时,不润湿当θ→180°时,完全不润湿一般来说,θ在20~30°之间就可以认为是良好的润湿。④.X元合金——为了改善锡料的性能,现使用的锡料不是由单一元素构成的,如我们现在广泛使用的Sn99.15Cu0.8无铅锡料便是由Sn、Cu组成的二元合金,锡料由几种元素组便称为几元合金。F/mNt/s⑤.助焊剂——又称焊剂,其中是用来增加润湿,帮助和加速焊接进程,助焊剂一般由活性剂、树脂扩散剂、溶剂四部分构成。助焊剂工作实况图解⑥.合金层——锡料和被反应的金属结合而生成的新物质。合金层图解⑦.偏析——即是我们常说的半月面提升现象,主要是由焊料本身凝固收缩及焊料与引线的热收缩,会对固有方向形成一定的力,而没有引线的场合便会产生半月面提升。焊料的弯月面提升现象2.无铅锡的产生背景随着人类文明的进步,人们的环境意识增强,保护自然环境、维护生态平衡渐成时尚。我们现使用的含铅锡料中的铅对人类的健康起着不良影响。人们可能在铅的环境下,通过饮食或吸入而发生铅中毒。在电子产品的组装生产过程中,有足够产生含铅气体的条件(高温度处理)。在一般采取的预防措施中,如进行波峰焊炉的清洁保养和清除锡渣等工作时使用口罩;在和含铅材料(锡膏、焊条等)有直接接触后确保饮食前有很好的清洗;工厂禁止在有含铅物的环境中进食等等,铅中毒的可能性是非常微小的,电子制造工业界中,铅毒的问题虽然已被意识到,但是并未十分受到重视。然而,为什么我们在电子业中还致力于开发无铅锡焊接技术呢?主要的考虑点来自于人们最担心电子产品废件的处理。担心如果电子废品没有得到适当的处理,比如把含铅的电路板(焊点中带大量的铅)废弃在自然环境中,这些铅遇雨后变成易溶于水的形态,将慢慢地污染地下水,特别是遇到含有硫酸和硝酸的酸性雨的情况下,更会促进铅的溶解(见表1)。表1铅污染机理和对水的溶解性Pb(焊锡中)+1/2O2→PbO铅在水中的溶解性冷水(g/l)温水(g/l)PbO+2HCI→PbCI2+H2OPbSO40.00471PbO+H2SO4→PbSO4+H2OPb(NO3)237.65127PbO+2HNO3→Pb(NO3)2+H2OPbCI213.5对以地下水为饮用水源的人们,如果所饮用的水中铅含量过高,随着时间的延长,铅在体内积累过多,便会引起铅中毒。也就是铅被人体消化器官、呼吸器官摄取后,铅与人体内蛋白质进行结合抑制人体内蛋白质的正常合成功能。侵害人体中枢神经,造成神经混乱、生殖功能障碍、贫血和高血压等疾病。儿童更容易受铅的侵害,如果儿童血液中铅含量上升,对IQ(智能指数)会产生有害的影响。为此从98年初一些大电子厂如松下和新力等也以发展和开始在某些产品上采用无铅焊接的技术。现我们公司使用的无铅锡料便是由松下公司研制的Sn99.14Cu0.6(Sn100C)型无铅锡,虽然目前在无铅锡的实用过程中还有一些困难,但推行无铅锡只是时间问题了。3.无铅锡推广过程中面临的课题和解决方向从世界范围来看无铅锡料目前尚处在试用阶段,要在短时间内研制出使用性能超过Sn-Pb共晶料的无铅锡料还很困难,要想无铅焊料实用化进程顺利进行,必须要求锡炉制造商、焊...

1、当您付费下载文档后,您只拥有了使用权限,并不意味着购买了版权,文档只能用于自身使用,不得用于其他商业用途(如 [转卖]进行直接盈利或[编辑后售卖]进行间接盈利)。
2、本站所有内容均由合作方或网友上传,本站不对文档的完整性、权威性及其观点立场正确性做任何保证或承诺!文档内容仅供研究参考,付费前请自行鉴别。
3、如文档内容存在违规,或者侵犯商业秘密、侵犯著作权等,请点击“违规举报”。

碎片内容

无铅锡波峰浸锡培训教材

您可能关注的文档

确认删除?
VIP
微信客服
  • 扫码咨询
会员Q群
  • 会员专属群点击这里加入QQ群
客服邮箱
回到顶部