电脑桌面
添加小米粒文库到电脑桌面
安装后可以在桌面快捷访问

某中型制造业质量管理工程师岗位说明书及KPI指标VIP免费

某中型制造业质量管理工程师岗位说明书及KPI指标_第1页
1/3
某中型制造业质量管理工程师岗位说明书及KPI指标_第2页
2/3
某中型制造业质量管理工程师岗位说明书及KPI指标_第3页
3/3
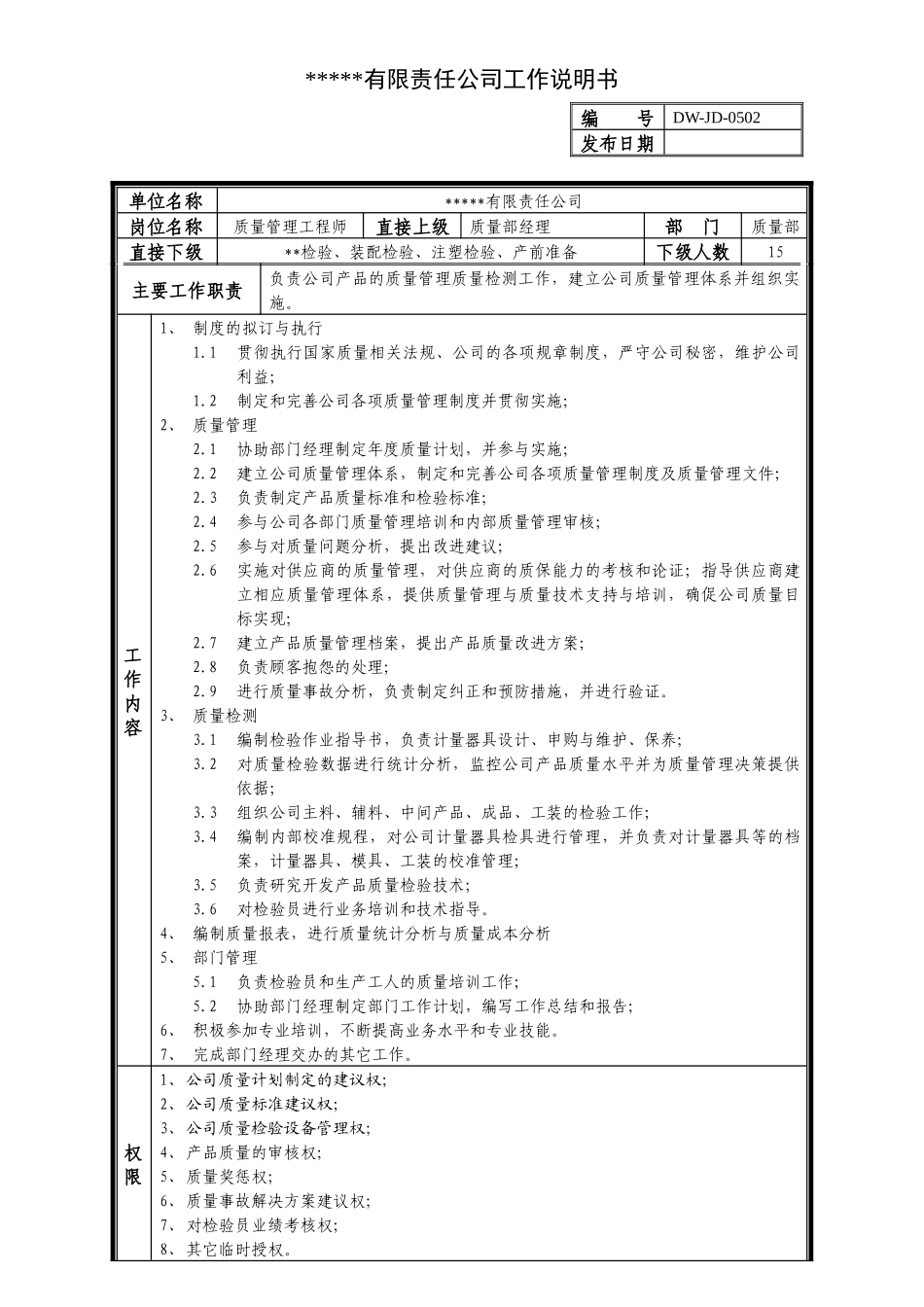
*****有限责任公司工作说明书编号DW-JD-0502发布日期单位名称*****有限责任公司岗位名称质量管理工程师直接上级质量部经理部门质量部直接下级**检验、装配检验、注塑检验、产前准备下级人数15主要工作职责负责公司产品的质量管理质量检测工作,建立公司质量管理体系并组织实施。工作内容1、制度的拟订与执行1.1贯彻执行国家质量相关法规、公司的各项规章制度,严守公司秘密,维护公司利益;1.2制定和完善公司各项质量管理制度并贯彻实施;2、质量管理2.1协助部门经理制定年度质量计划,并参与实施;2.2建立公司质量管理体系,制定和完善公司各项质量管理制度及质量管理文件;2.3负责制定产品质量标准和检验标准;2.4参与公司各部门质量管理培训和内部质量管理审核;2.5参与对质量问题分析,提出改进建议;2.6实施对供应商的质量管理,对供应商的质保能力的考核和论证;指导供应商建立相应质量管理体系,提供质量管理与质量技术支持与培训,确促公司质量目标实现;2.7建立产品质量管理档案,提出产品质量改进方案;2.8负责顾客抱怨的处理;2.9进行质量事故分析,负责制定纠正和预防措施,并进行验证。3、质量检测3.1编制检验作业指导书,负责计量器具设计、申购与维护、保养;3.2对质量检验数据进行统计分析,监控公司产品质量水平并为质量管理决策提供依据;3.3组织公司主料、辅料、中间产品、成品、工装的检验工作;3.4编制内部校准规程,对公司计量器具检具进行管理,并负责对计量器具等的档案,计量器具、模具、工装的校准管理;3.5负责研究开发产品质量检验技术;3.6对检验员进行业务培训和技术指导。4、编制质量报表,进行质量统计分析与质量成本分析5、部门管理5.1负责检验员和生产工人的质量培训工作;5.2协助部门经理制定部门工作计划,编写工作总结和报告;6、积极参加专业培训,不断提高业务水平和专业技能。7、完成部门经理交办的其它工作。权限1、公司质量计划制定的建议权;2、公司质量标准建议权;3、公司质量检验设备管理权;4、产品质量的审核权;5、质量奖惩权;6、质量事故解决方案建议权;7、对检验员业绩考核权;8、其它临时授权。责任1、对质量管理体系的有效运行负责;2、对重大质量事故负责;3、对产品的质量负责;4、对涉及公司的秘密负责;任职资格性别不限年龄28岁以上资格证中级职称学历专科及以上专业机械制造相关专业经验具有三年及以上相关工作经验。知识1、熟悉:质量管理、质量检测、质量体系、机械制造相关知识2、了解:产品知识、生产、技术、安全管理及人员管理技能1、具有良好的协调沟通能力;2、具有较强的业务能力;3、具有较强的判断和决策能力。职业道德敬业、严谨;责任心强、品行端正。质量管理工程师绩效指标关键业绩指标定义权重数据来源上级满意度参见《上级满意度评分表》50%质量部经理工作计划完成率(实际完成计划工作项数/计划项数)×10050%分管领导管理指标说明评价人管理制度及工作流程的执行1.违反公司管理制度及工作流程,扣1分/次;2.违反公司管理制度及工作流程,且给公司造成损失,直接责任扣5分及以上,间接责任扣2~5分质量部经理质量体系运行督促执行情况没有按照制度及时履行督导职责或者对所发现的问题没有严格按照质量体系文件进行改进,视情节轻重,扣2~5分/次。质量部经理内部质量控制标准1.标准严重有误,扣5分以上/次;2.重要标准缺失或未对标准进行及时完善,扣2~5分/次。质量部经理质量控制与顾客抱怨客户对产品质量的投诉依据情节严重程度,扣2~5分/次。质量部经理质量改进计划每月不能提出有效的质量改进措施及计划,扣5~10分/次;质量改进计划不能贯彻实施或质量改进效果不明显,扣2~5分/次。质量部经理质量检验1.经质量检验后的主料、辅料、中间产品、成品、工装,再次抽查不合格或生产中出现质量问题,扣2~5分/次;2.外购物料漏检、误检,扣2~5分/次。质量部经理量检具管理没有按照量检具管理制度对量检具进行管理,扣2~5分/次,影响质量检验、造成质量问题扣5~10分/次质量部经理质量资料档案管理出现质量资料或计量器具档案不齐全的情况,扣2~5分/次。质量部经理质量报告准确性、及时性1.质...

1、当您付费下载文档后,您只拥有了使用权限,并不意味着购买了版权,文档只能用于自身使用,不得用于其他商业用途(如 [转卖]进行直接盈利或[编辑后售卖]进行间接盈利)。
2、本站所有内容均由合作方或网友上传,本站不对文档的完整性、权威性及其观点立场正确性做任何保证或承诺!文档内容仅供研究参考,付费前请自行鉴别。
3、如文档内容存在违规,或者侵犯商业秘密、侵犯著作权等,请点击“违规举报”。

碎片内容

某中型制造业质量管理工程师岗位说明书及KPI指标

文泉书屋+ 关注
实名认证
内容提供者

热爱教学事业,对互联网知识分享很感兴趣

确认删除?
VIP
微信客服
  • 扫码咨询
会员Q群
  • 会员专属群点击这里加入QQ群
客服邮箱
回到顶部