电脑桌面
添加小米粒文库到电脑桌面
安装后可以在桌面快捷访问

木业公司生产部部长岗位说明书VIP免费

木业公司生产部部长岗位说明书_第1页
1/3
木业公司生产部部长岗位说明书_第2页
2/3
木业公司生产部部长岗位说明书_第3页
3/3
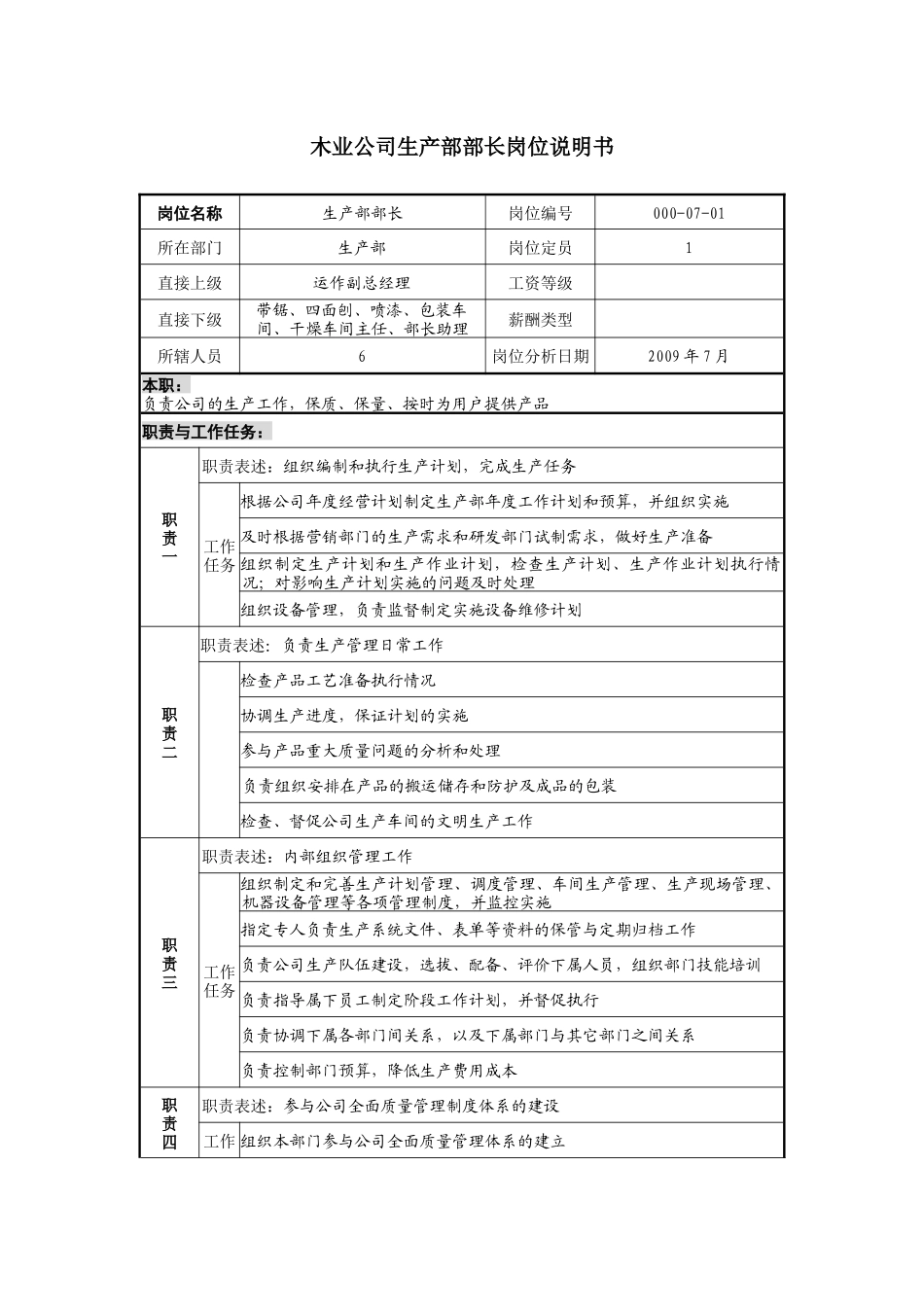
木业公司生产部部长岗位说明书岗位名称生产部部长岗位编号000-07-01所在部门生产部岗位定员1直接上级运作副总经理工资等级直接下级带锯、四面刨、喷漆、包装车间、干燥车间主任、部长助理薪酬类型所辖人员6岗位分析日期2009年7月本职:负责公司的生产工作,保质、保量、按时为用户提供产品职责与工作任务:职责一职责表述:组织编制和执行生产计划,完成生产任务工作任务根据公司年度经营计划制定生产部年度工作计划和预算,并组织实施及时根据营销部门的生产需求和研发部门试制需求,做好生产准备组织制定生产计划和生产作业计划,检查生产计划、生产作业计划执行情况;对影响生产计划实施的问题及时处理组织设备管理,负责监督制定实施设备维修计划职责二职责表述:负责生产管理日常工作检查产品工艺准备执行情况协调生产进度,保证计划的实施参与产品重大质量问题的分析和处理负责组织安排在产品的搬运储存和防护及成品的包装检查、督促公司生产车间的文明生产工作职责三职责表述:内部组织管理工作工作任务组织制定和完善生产计划管理、调度管理、车间生产管理、生产现场管理、机器设备管理等各项管理制度,并监控实施指定专人负责生产系统文件、表单等资料的保管与定期归档工作负责公司生产队伍建设,选拔、配备、评价下属人员,组织部门技能培训负责指导属下员工制定阶段工作计划,并督促执行负责协调下属各部门间关系,以及下属部门与其它部门之间关系负责控制部门预算,降低生产费用成本职责四职责表述:参与公司全面质量管理制度体系的建设工作组织本部门参与公司全面质量管理体系的建立任务组织本部门参与公司ISO9000认证体系的建立职责五职责表述:完成运作副总经理交办的其它任务权力:在产值权限内,对生产计划制定有审批权对生产作业计划有审批权对生产计划、生产作业计划的执行情况有监督检查权有对直接下级人员调配、奖惩的建议权和任免的提名权对所属下级的工作有监督、检查权对所属下级的工作争议有裁决权对所属下级的管理水平、业务水平和业绩有考核评价权权限内的财务审批权工作协作关系:内部协调关系运作副总经理、各部门等外部协调关系设备供应商任职资格:教育水平大学专科以上专业企业管理或者与木材加工相关专业培训经历生产管理培训、质量管理培训经验5年以上工作经验,3年以上管理经验,在部门经理岗位工作1年以上知识通晓生产管理知识,具备财务管理、质量管理等方面的知识和基本的计算机知识技能技巧具有领导能力、组织能力,人际能力、沟通能力、计划与执行能力其它:使用工具/设备计算机、一般办公设备工作环境办公室、车间工作时间特征正常工作时间,经常需要加班所需记录文档生产计划,生产通知单、简报、总结、合同等备注

1、当您付费下载文档后,您只拥有了使用权限,并不意味着购买了版权,文档只能用于自身使用,不得用于其他商业用途(如 [转卖]进行直接盈利或[编辑后售卖]进行间接盈利)。
2、本站所有内容均由合作方或网友上传,本站不对文档的完整性、权威性及其观点立场正确性做任何保证或承诺!文档内容仅供研究参考,付费前请自行鉴别。
3、如文档内容存在违规,或者侵犯商业秘密、侵犯著作权等,请点击“违规举报”。

碎片内容

木业公司生产部部长岗位说明书

您可能关注的文档

确认删除?
VIP
微信客服
  • 扫码咨询
会员Q群
  • 会员专属群点击这里加入QQ群
客服邮箱
回到顶部