电脑桌面
添加小米粒文库到电脑桌面
安装后可以在桌面快捷访问

项目五自动计数器电路维修VIP免费

项目五自动计数器电路维修_第1页
1/5
项目五自动计数器电路维修_第2页
2/5
项目五自动计数器电路维修_第3页
3/5
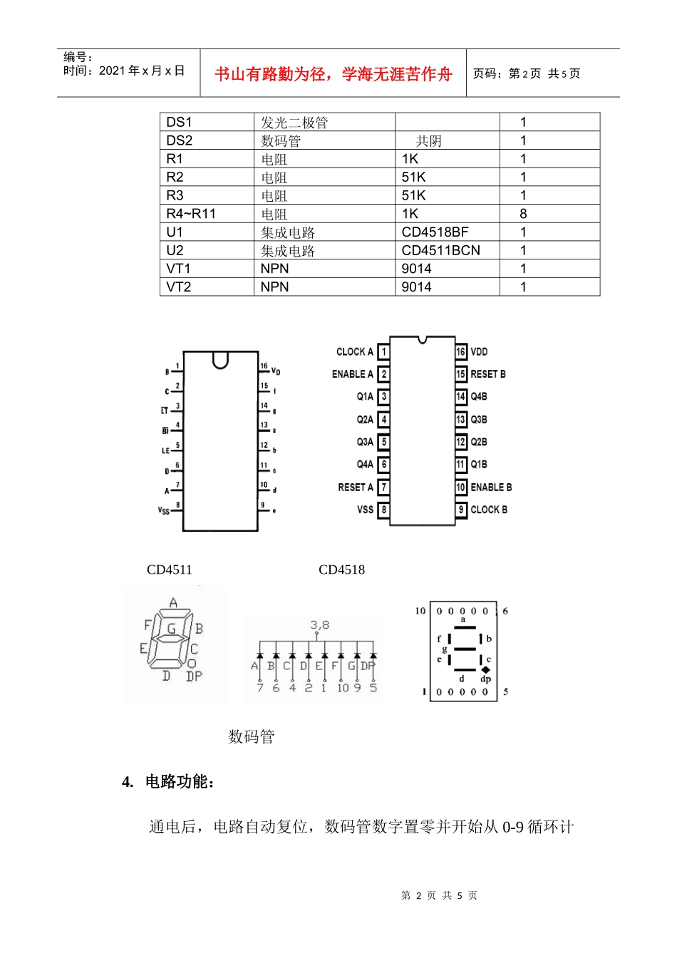
第1页共5页编号:时间:2021年x月x日书山有路勤为径,学海无涯苦作舟页码:第1页共5页项目五:自动计数器电路维修1.项目的提出:在生产生活中,经常要用到计数器,如:自动统计产品数量,显示时间等,那么当电路出故障时我们如何维修?2.电路原理图:3.元件清单:编号名称型号/参数数量C1电解电容10uF1C2电解电容10uF1A7B1C2D6LE5BI4LT3a13b12c11d10e9f15g14VDD16GND8CD4511BCNU2CLK1EN2CLR7Q03Q14Q25Q36CD4518BFU1A1KR151KR251KR31KR4R5R6R7R8R9R10R1112DS110uFC110uFC29014VT19014VT21234567abcdefg8dp9GNDabfcgdedp10NCDS2+5V7*1K第2页共5页第1页共5页编号:时间:2021年x月x日书山有路勤为径,学海无涯苦作舟页码:第2页共5页DS1发光二极管1DS2数码管共阴1R1电阻1K1R2电阻51K1R3电阻51K1R4~R11电阻1K8U1集成电路CD4518BF1U2集成电路CD4511BCN1VT1NPN90141VT2NPN90141CD4511CD4518数码管4.电路功能:通电后,电路自动复位,数码管数字置零并开始从0-9循环计第3页共5页第2页共5页编号:时间:2021年x月x日书山有路勤为径,学海无涯苦作舟页码:第3页共5页数,LED闪烁。5.维修要点:运用万用表检测电源接线端有没有短路,想一想,为什么要这样操作?为什么要在多谐振荡器上安装指示灯,不装对电路的效果有影响吗?电路不正常,我们要如何根据故障检测电路。例如:1、电路没任何反应,如何处理?2、电路有数显,但缺笔画,如何处理?3、我们如何用万用表,示波器等设备更快更好的完成检修?4、如何根据器件的特性判断其好坏?6.原理辅导:了解分立元件组成的多谐振荡器;分析编码器、译码驱动,数码显示器件的使用;第4页共5页第3页共5页编号:时间:2021年x月x日书山有路勤为径,学海无涯苦作舟页码:第4页共5页分析计数器原理;7.思考练习:共阴与共阳数码管有什么区别?写出0-9十进制数对应的A、B、C、D、a-g分别为什么电平?可以利用传感器完成公共汽车上下车人数的统计吗?如何运用所学解决该问题。请同学们回去思考,并在明天交出你的方案。实践报告班级姓名学号评价自动计数器维修故障板通电后的现象你的维修1、不通电你的测量过程:a)用万用表测量故障板电源接线端防止。第5页共5页第4页共5页编号:时间:2021年x月x日书山有路勤为径,学海无涯苦作舟页码:第5页共5页过程2、通电后你的测量过程:故障板损坏元件维修感想(收获、困难、建议等)

1、当您付费下载文档后,您只拥有了使用权限,并不意味着购买了版权,文档只能用于自身使用,不得用于其他商业用途(如 [转卖]进行直接盈利或[编辑后售卖]进行间接盈利)。
2、本站所有内容均由合作方或网友上传,本站不对文档的完整性、权威性及其观点立场正确性做任何保证或承诺!文档内容仅供研究参考,付费前请自行鉴别。
3、如文档内容存在违规,或者侵犯商业秘密、侵犯著作权等,请点击“违规举报”。

碎片内容

项目五自动计数器电路维修

您可能关注的文档

确认删除?
VIP
微信客服
  • 扫码咨询
会员Q群
  • 会员专属群点击这里加入QQ群
客服邮箱
回到顶部