电脑桌面
添加小米粒文库到电脑桌面
安装后可以在桌面快捷访问

佛山市顺德区行政大楼监控系统改造SD07059VIP免费

佛山市顺德区行政大楼监控系统改造SD07059_第1页
1/17
佛山市顺德区行政大楼监控系统改造SD07059_第2页
2/17
佛山市顺德区行政大楼监控系统改造SD07059_第3页
3/17
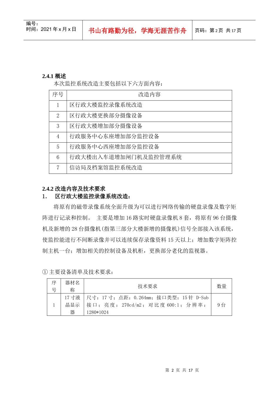
第1页共17页编号:时间:2021年x月x日书山有路勤为径,学海无涯苦作舟页码:第1页共17页佛山市顺德区行政大楼监控系统改造(SD07059)2.3合同主要条款1、完工期:所有设备及配套工程必须在合同签订生效后90天内安装调试完毕、验收合格并交付使用2、付款方式:1)合同签订生效后15个工作日内付合同总额的30%;2)项目验收合格后的15个工作日内付合同总额的65%;3)无违反合同约定的,余款(即合同总额的5%)在项目整体验收合格满一年后的30工作日内付清。3、售后服务最低要求:1)免费保修期:1年,在项目验收合格后开始计算。2)设备维护期:不少于2年,在免费保修期满后开始计算3)响应时间要求:即时响应(包括电话响应);如电话响应无法解决则4小时内到现场,8小时内修复。提供冗余服务(如在8小时内无法修复)。4、培训最低要求:1)投标人必须提供优质的培训服务。2)培训地点:使用单位内。3)培训内容:确保用户能够对设备有足够的了解和熟悉,能够独立进行设备的日常运营、维护和管理。以上商务条款为基本要求,投标人参加投标,则视为接受上述要求。投标人可在此基础上作出优惠承诺,以提高其投标的竞争力。第2页共17页第1页共17页编号:时间:2021年x月x日书山有路勤为径,学海无涯苦作舟页码:第2页共17页2.4.1概述本次监控系统改造主要包括以下六方面内容:序号改造内容1区行政大楼监控录像系统改造2区行政大楼更换部分摄像设备3区行政大楼增加部分摄像设备4行政服务中心东座增加部分监控设备5行政服务中心西座增加部分监控设备6行政大楼出入车道增加闸门机及监控管理系统7信访局及档案馆监控系统改造2.4.2改造内容及技术要求1.区行政大楼监控录像系统改造:将原有的磁带录像系统全面升级为可以进行网络传输的硬盘录像及数字矩阵进行记录和控制。主要是增加16路实时硬盘录像机8套,将原有96台摄像机及新增的28台摄像机(指第三部分大楼新增的摄像机)信号全部接入该系统,使监控能进行不间断录像并可以连续保存录像资料15天以上;增加数字矩阵控制主机一台;增加相关的控制设备及机柜,更换部分老化的监视器。①主要设备清单及技术要求:序号器材名称技术要求数量117寸液晶显示器尺寸:17寸;点距:0.264mm;接口类型:15针D-Sub接口;亮度:270cd/m2;对比度600:1;分辨率:1280*10249台第3页共17页第2页共17页编号:时间:2021年x月x日书山有路勤为径,学海无涯苦作舟页码:第3页共17页216路实时硬盘录像机(PC式)1、支持16路视音频信号的全实时处理;2、视频压缩最高达到D1效果,视频压缩芯片:DSP处理器;3、带DVD录制;4、支持500G或以上大容量硬盘,总容量不低于2Tb;5、视频输出:16路视频信号,并可以同时输出到屏幕;6、支持制式:PAL、NTSC;分辨率:PAL:176*144(QCIF)、352*288(CIF)、528*384(DCIF);NTSC:176*120(QCIF)、352*240(CIF)、528*320(DCIF);7、帧率:25F/S(PAL)、30F/S(NTSC);8、语音输出:16路PCM音频信号;9、支持计算机显示器和监视器同步显示;10、支持播放图像捕捉或某时间段转存新文件功能。提供播放时(部分为文件方式专有)的操作有:播放、停止、暂停、快放、慢放、缩放、静音、循环播放、定位等功能。支持网络控制。8套3网络型数字矩阵主机视频输入:可连接1024路视频分布式输入,视频输出:输出最多32个图像到32个监视器中,支持D1解析度。图像可以实现一对一输出到监视器(即一台监视器只显示一个监控画面),也可以实现一个监视器按照不同的分割显示多个画面(最多16个画面)、画中画功能,可自定义画中画的大小,位置。可以将系统内的1024路图像进行分组,每一组最多包含32个画面,可以在这些组中自动或手动中循环播放,也可以直接调用某一组。可自建观看方案模版,保存观看方案,操作方面、灵活。通过控制台可以方便的设自动置循环播放、手动播放、调用事先设置组播放。可组建网络分控,实行多级控制管理。1台4千兆以太网络交换机交换方式:存储-转发;背板带宽(Gbps):8.8以上;包转发率:10Mbps:14,880pps,100Mbps:148,810pps,1000Mbps:1,488,100pps;支持VLAN;网络标准:IEEE802.3、IEEE802.3u、IEEE802.3x;传...

1、当您付费下载文档后,您只拥有了使用权限,并不意味着购买了版权,文档只能用于自身使用,不得用于其他商业用途(如 [转卖]进行直接盈利或[编辑后售卖]进行间接盈利)。
2、本站所有内容均由合作方或网友上传,本站不对文档的完整性、权威性及其观点立场正确性做任何保证或承诺!文档内容仅供研究参考,付费前请自行鉴别。
3、如文档内容存在违规,或者侵犯商业秘密、侵犯著作权等,请点击“违规举报”。

碎片内容

佛山市顺德区行政大楼监控系统改造SD07059

精品中小学资料+ 关注
实名认证
内容提供者

精品文档

确认删除?
VIP
微信客服
  • 扫码咨询
会员Q群
  • 会员专属群点击这里加入QQ群
客服邮箱
回到顶部